- 易迪拓培训,专注于微波、射频、天线设计工程师的培养
多路同步串口的FPGA传输实现
录入:edatop.com 点击:
当frame信号为高,FPGA即开始接收从DSP发送的串行数据,在每个dsp_clk的上升沿读取一个bit的数据,之后将数据转入移位寄存器中。FPGA引入一个模块,时刻监测frame的下降沿,当frame下降时,即表示一个字的数据发送完毕,移位寄存器的数据放入R_FIFO的数据输入口,将R_FIFO的写使能置高,向R_FIFO发出写入请求,写入此时的数据至R_FIFO中,依次循环。当R_FIFO中的数据个数不为0时,即向FPGA的发送模块发送请求。
发送模块
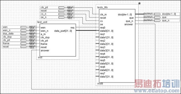
接收模块接收到DSP同步串口数据后,即通过reg与answer信号与FPGA数据发送模块之间进行数据传输,如图3所示。

图3 FPGA接收及发送模块
来源:电子产品世界


