- 易迪拓培训,专注于微波、射频、天线设计工程师的培养
一种家用无线网络的构建
摘要:研究一种基于Zigbee技术的家用无线网络平台.分析了Zigbee网络协议,探讨了用Zigbee技术构建家用无线网络的关键问题对网络拓扑结构,网络路由算法和网络采样策略等问题进行了讨论并提出了解决方案通过构建的家用无线网络对脉搏信号进行监护实验.结果表明,基于Zigbee技术构建的家用无线网络是可行的,该无线网络在家庭监护中将有广阔的应用前景.
关键词:脉搏信号;远程医疗;Zigbee;家庭监护
随着计算机技术、通信技术、控制技术的发展和人们物质生活水平的提高,家居智能化的研究成为国内外的一个研究热点.与此同时,随着我国老龄化社会的加剧,通过易组织,低成本,高效率的家庭智能化网络实现长期的家庭监护,对提高人们生活质量,减少医疗费用也具有重要意义.为此,提出了基于共享控制的家庭监护系统.图1是采用共享控制的家庭智能监护系统示意图.

家庭设备信息和人体信息如脑电波、脉搏信息等通过无线网络发射,经家庭网络路由传送到互联网上的专用服务器中.家属或医院可在世界上任何地方,通过计算机调查服务器中所记录的人体活动和设备的情况.这样做不但能实时地得到当前的活动情况,通过指令控制家居中的设备,还能调查任一时段内的历史信息及变化倾向,为正确、及时进行医疗监护提出建议和措施.
以前针对智能家居研究的网络构建采用的无线方式有射频(RF)技术,IEEE802.11及蓝牙技术等.但这些技术都没有完全满足家庭网络易组织、低成本、低功耗等要求.Zigbee协议是一种基于IEEE802 15.4标准的无线协议,主要应用于低通信速率,低功耗设备的组网.该通信设备支持250 kbit/s的数据传输速率,可以实现l点对多点的快速组网.鉴于Zigbee无线网络的上述特点,可将其用于构建家用无线网络平台.
l Zigbee网络协议简析
Zigbee网络协议栈采用开放系统互连模型(OSI).如图2所示.每一层都实现一部分通信功能.并向高层提供服务.IEEE802.15.4标准只定义了PHY层和数据链路层的MAC子层PHY层由射频收发器以及底层的控制模块构成MAC子层为高层访问物理信道提供点到点通信的服务接口.Zigbee Alliance定义了网络层、应用层与安全层规范.NWK负责网络层工作,使用IEEE 802.15.4MAC所提供的服务完成工作,并提供数据收发与管理服务供上层协议调用NWK之上的APS,ZDO应用框架与应用对象等都属于应用支持层(APL).APS使用NWK所提供的数据进行传输服务.

多路选择是APS的重要功能,提供上层应用程序使用网络数据传输服务的Endpoint(如同TCP/IP的socket)匹配网络地址,这样在两个通信端点间能让多个应用程序循环使用APS ZDO则是整个Zigbee网络设备的控制中心,它使用NWK与APS提供的管理服务,并匹配Zigbee device profile(ZDP)规范.Zigbee网络支持3种类型拓扑结构:星形结构,网格状结构和族状结构,如图3所示.其中网格状和族状结构属于点对点的结构星形网络中,所有节点都与中心协调器通信,节点间不能直接通信而点对点网络中的节点彼此都在其辐射范围之内,任何两个设备之间都可以通信.

2 关键问题的考虑
2.1 网络拓扑结构的选择
在Zigbee协议支持的3种网络拓扑结构中,星形拓扑网络最简单.每个被监控设备可以作为精简设备终端连接入网,节省能量,计算量小.在家庭监护系统中,设备可能分布在多个房间,被监护对象也可能在多个房间中活动,而星形网络中节点的无线通信范围很小(几十米),网络覆盖范围有限,不利于网络功能的扩展.
网状网络中的每个节点都可以作为路由节点,因此,原节点的数据流可以通过多个路径到达网络控制点.如果某一个节点与网络断开,数据流可以选择另一条路径进行传输,因此具有较强的健壮性.但网络中的设备都需是全功能设备,能量消耗大;同时,网络中数据流的路由节点增加了网络的延时.
族状结构结合了星形结构和网状结构的优点.为了节省能量,监控设备和生理数据采集终端可以作为网络中的端节点,结构节点少.同时协调器可以作为网络控制器采集网络中的数据.网络具有可扩展性,可以增加路由节点,扩展覆盖范围,因此该家用无线网络采用族状网络拓扑结构.
2.2 网络路由协议的设计
路由协议直接关系到无线网络的性能.路由协议设计的首要问题是要求其计算复杂度小,能耗小.其次由于被监护对象的移动性,网络拓扑的结构可能发生改变,因此要能满足动态路由的要求.
Zigbee支持Cluster-tree,AODVjr及两者的混合模式等路由算法.AODVjr算法是针对AODV算法的改进,以达到计算量小及节能的目的,但算法较复杂,Cluster-tree算法适合树状拓扑结构.图4为网络树层次结构图.

图中,Lm为最大网络深度,Cm为最大的子节点数,Rm为子节点中最大的路由节点数.
节点的地址空间Cskip的计算公式为

式中:n为父节点地址;R为子节点序号1~Cm.
假设某个节点的地址是N,目标节点的地址是D,Cluster-tree路由算法如下:
①如果待传输数据的目的节点地址是本身地址,将数据包交上层处理,否则转②.
②如果待传输数据的目标节点是自己的邻居节点(路由表中有路由信息),直接发送数据给邻居节点,否则转③.
③判断并转发子节点或父节点地址.
如果D<N,将数据包转发给父节点;
如果D>N并且,将
数据包转发给父节点;
如果D>N且D≤
,将数据包转发给地址为
的子节点.
家用无线网络大多数节点是静止的,移动节点较少,可采用族状拓扑结构.家庭网络环境较好,链路稳定,节点干扰少,可以采用Cluster-tree算法作为其路由协议.这样,网络节点就不需要保存大量的路由信息,节省内存,计算复杂度低,能耗小.具体设计时,由于家庭监护网络属于小型网络,网络节点少,可以设定较少的网络层次,以减少路由计算时间.
2.3 数据采样策略
设备状态及发送速率较低的数据信息对无线网络的性能要求较低,基于Zigbee技术构建的无线网络可以满足数据传输的带宽要求和实现节点的节能.由于生理信号的传输是连续传输,因此需要考虑生理数据的采样速率对能源消耗和网络负载的影响.
当需要发送数据帧时,要通过网络协议栈的每一层进行封装,其中应用层的数据帧要小于80 B.生理信号一般都属于低频信号(脉搏信号的有效频率都在10 Hz以下),在保证信号不失真的情况下,尽量用低采样频率,以减少数据传输量.同时,可以对采集的生理信号进行缓存打包,一起发送,以提高数据的发送效率,减少网络节点的能量消耗.
3 家用无线网络的实现
所构建的家庭监护网络结构如图5所示网络拓扑结构采用族状结构,设置Cm=2,Lm=2.无线网络有一个网络协调器(coordinator)。负责无线网络的建立和网络状态管理.网络协调器通过串口与PC机相连,将采集到的脉搏信号传输到计算机,以便对脉搏信号进行实时分析;其他无线节点可以连接家用设备,实现对它们的控制;将监护信息传输到网络监护服务器。可实现监护信息的共享.

无线节点采用Freescale公司的微控制器GT60和无线收发芯片MCl3192.无线网络节点的组成结构框图如图6所示.GT60与MCl3192之间通过CPI口进行通信.

设计时应考虑到高频电路对传感器信号的干扰,传感器调理电路与高频发射接收部分可分开设计.天线设计是无线模块设计的关键,直接影响到传感器节点的通信质量和通信距离.可以参照常用的2.4 GHz天线的设计方法本设计采用了偶极子微带PCB板天线,所有铜箔走线均采用微带传输线的原理.以减少发射引起的传输损耗,获得了比较大的输出功率和较高的接收灵敏度.GT60和MCl3192的供电电压都是3 V,系统可以采用纽扣电池供电其他节点的设计与脉搏传感无线节点的设计相似.
网络控制器和脉搏传感节点的应用程序流程如图7、图8所示.


4 实验与结论
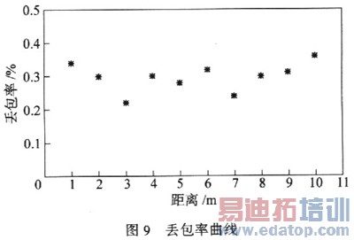
应用构建的家庭无线网络平台对被监护者的脉搏信号进行实时测试采样频率是150 Hz,采用8位的A/D转换器,该家用无线网络可以正确地对脉搏信号进行采集.测试过程中,无线网络能够连续正常工作.为了测试网络的丢包率,每隔10 ms发送一个数据包,连续发送1 000个数据包,丢失的数据包数除以总发送的数据包数得到丢包率;连续测量10次,求平均值.测得的丢包率与传感节点与中心节点的距离的关系如图9所示.

通过图9可以看出,在点对点的距离小于10 m时.丢包率小于1%,可以通过应用层设置重传机制进一步降低丢包率,点对点通信距离为20~30 m.传感节点的电池可以连续工作3~5 d.实验验证了构建的家用无线网络进行脉搏信号监护的可行性.系统进一步扩展,可实现其他生理信号的无线监护.
上一篇:GPS抗干扰接收机性能分析
下一篇:Wi-Fi能够承载VoIP?


