- 易迪拓培训,专注于微波、射频、天线设计工程师的培养
CC2430的ZigBee无线数传模块的设计和实现
0 引言
现在,无线通信技术已经成为人们日益关注的问题之一。ZigBee采用IEEE802.15.4标准,利用全球共用的2.4 GHz公共频率进行无线测量和系统监控,而且具有明显的低成本、低功耗、网络节点多、传输距离远等优势。目前,ZigBee技术已被视为替代有线监视和控制网络领域最有前景的技术之一。为此,本文论述了一种基于CC2430芯片的无线数据传输模块的设计方法。
1 ZigBee简介
ZigBee是一种基于IEEE802.15.0标准的短距离、低速率无线网络技术,该无线连接技术主要解决低成本、低功耗、低复杂度、低传输速率、近距离的设备联网应用,主要用于无线传感器网络和测量控制方面。国际上,IEEE802.15.4工作组及ZigBee联盟共同致力于该无线连接技术的推广工作,其中,IEEE802.15.4工作组主要负责制定ZigBee物理层及MAC层协议.其余协议主要参照和采用现有标准,以便于今后不同厂商设备的互联互通;ZigBee联盟则负责高层应用及市场推广工作。于2002年成立的ZigBee联盟如今已经吸引了上百家芯片公司、无线设备公司加入。此外,Freescale、TI等国际巨头也都已推出了比较成熟的ZigBee开发平台。
ZigBee标准是基于802.15.4协议栈而建立的,它具备了强大的设备联网功能,并支持三种主要的自组织无线网络类型,即星型结构、网状结构(Mesh)和簇状结构(Cluster tree),其中网状结构具有很强的网络健壮性和系统可靠性。
ZigBee协议比蓝牙、GSM、Wi-Fi更加简单实用,表1列出了ZigBee同其它无线网络的比较。
2总体设计
为了进行模块化的设计,本文采用了基于通用异步收发模式(UART)接口的设计,以便方便的通过此接口将STIM(智能传感器接口模块)和该无线模块连接在一起,从而发送用户的数据。
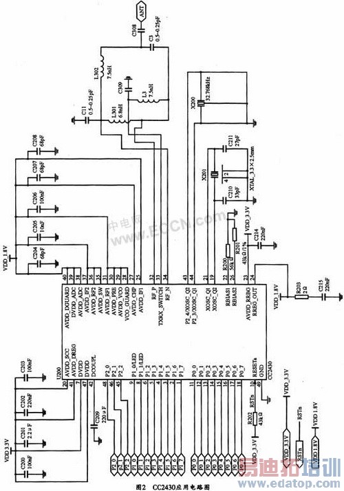
为了能够方便在线调试,并测试串口的数据,本系统设计分为两个部分:一是CC2430部分,该部分采用四层板小型化设计,上面只有CC2430芯片和部分外围器件;另一部分是测试底板,该板采用两层板设计,包含USB与UART接口、指示灯、复位和调试接口等。这样的设计既可以从USB接口截取电源,还可以使计算机调试UART更加方便,同时还可以简化射频板的设计,使射频板部分可以更加通用。 图1所示是测试底板的电路原理图,系统中CC2430的应用电路原理图如图2所示。

3 CC2430芯片简介
CC2430/CC2431是芯片巨人TI公司收购无线单片机公司CHIPCON后推出的全新概念新一代ZigBee无线单片机系列芯片。CC2430是一款真正符合IEEE802.15.4标准的片上SOC ZigBee产品。CC2430除了包括RF收发器外,还集成了加强型8051MCU、32/64/128 KB的Flash内存、8 KB的RAM、以及ADC、DMA、看门狗等。CC2430可工作在2.4 GHz频段,采用低电压(2.0~3.6 V)供电且功耗很低(接收数据时为27 mA,发送数据时为25 mA),其灵敏度高达-91 dBm、最大输出为+0.6 dBm、最大传送速率为250 kbps。
CC2430的外围元件数目很少,它使用一个非平衡天线来连接非平衡变压器,以使天线性能更加出色。电路中的非平衡变压器由电容C309、C311和电感L301、L302、L303组成,整个结构可满足RF输入/输出匹配电阻(50 Ω)的要求。内部T/R交换电路用于完成LNA和PA之间的交换。R200、R201为偏置电阻,其中R200主要用于为32 MHz的晶体振荡器提供合适的工作电流,通过R201可为芯片内部射频部分提供精密电流参考源。选用一只32 MHz的石英谐振器和两只电容(C210、C211)可以构成32 MHz晶体振荡器电路。芯片内部的电压稳压器可为所有1.8 V电压的引脚和内部电源供电,C214、C209、C200等为去耦电容,主要用于电源滤波,以提高芯片的工作稳定性。CC2430芯片的主要特点如下:
◇内含高性能和低功耗的8051微控制器核;
◇集成有符合IEEE802.15.4标准的2.4 GHz的RF无线电收发机;
◇具有优良的无线接收灵敏度和强大的抗干扰能力。
◇休眠模式时仅0.9μA的流耗,可用外部中断或RTC唤醒系统:待机模式时的电流消耗少于0.6μA,也可以用外部中断唤醒系统;
◇硬件支持CSMA/CA功能;
◇具有较宽的电压范围(2.0~3.6 V);
◇具有数字化的RSSI/LQI支持和强大的DMA功能;
◇具有电池监测和温度感测功能;
◇内部集成有14位模数转换的ADC;
◇集成有AES安全协处理器;
◇带有2个可支持几组协议的USART,以及1个符合IEEE 802.15.4规范的MAC计时器。同时带有1个常规16位计时器和2个8位计时器。
◇具有强大和灵活的开发工具。
4程序设计
限于篇幅。这里对于软件的设计只做简短的介绍。作者购买的是TI公司的CC2430开发套件,其中包括调试板和软件。现在,TI已经免费提供原来昂贵的ZigBee协议栈,并且会有不断的更新和完善。此外,该套件还有一些实用的例子,利用它们可以降低开发的复杂度,加快开发人员的开发速度。

5 结束语
随着ZigBee技术的不断成熟和应用范围的不断扩展,各大半导体厂家几乎都已经推出了自己的ZigBee芯片和开发套件。相信在未来几年,它不仅可以打开大量的新应用之门,而且还能给许多现有的应用增加新的价值。由于通过各种非常简单的ZigBee器件就能实现联网,因此,作为一个全球性标准,ZigBee技术可为将来实现无所不在的网络创造条件。可以预见Zigbee无线传感将切实改变人们的生活。
作者:尹应鹏,李平舟,郭志华 来源:电子元器件应用

