- 易迪拓培训,专注于微波、射频、天线设计工程师的培养
BBU+RRU组网下的网络规划和优化
作为全球第三代移动通信三大主流标准之一的TD-SCDMA技术,2006年在我国得到了大规模测试,2007年其商用化进程进一步加快。在3G网络中,更多的高价值商用客户将集中于室内环境,占据更高比例的话务量,因此,良好的室内覆盖将是提升TD-SCDMA业务竞争力的一个制高点。
TD-SCDMA室内覆盖更需网络规划和优化
TD-SCDMA工作的核心频段为2GHz频段,与2G网络工作的900MHz频段相比,TD-SCDMA的穿透能力相对较差,在室内环境下将形成更多的覆盖不足的区域。同时,随着TD-SCDMA网络的建设完成,大量的3G数据业务出现在室内环境中,这对室内覆盖提出了更高的要求。
因此,对于TD-SCDMA系统来说,打造完善的室内覆盖网络,将极大提升网络竞争力。TD-SCDMA是围绕着智能天线、联合检测等许多新技术展开的全新的第三代移动通信主流标准,其室内分布系统结构与传统的分布系统类似,可与其他系统共享相同的单元,但是由于室内传播环境和工程上的考虑,智能天线并未引到室内分布系统的覆盖中。中兴通讯推出了灵活的BBU+RRU多通道覆盖解决方案,将智能天线理念成功应用于室内,最大化利用现有的2G室内覆盖系统资源,快速建设3G室内覆盖系统,同时进行高质量的网络规划和优化,为用户提供一张高质量的TD-SCDMA网络。
BBU+RRU组网下的网络规划和优化
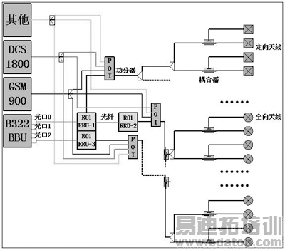
TD-SCDMA的BBU+RRU多通道组网方案
中兴通讯TD-SCDMABBU+RRU多通道组网方案作为TD-SCDMA室内覆盖的主流解决方案,其核心思想是将基站的基带部分和射频部分分开:射频部分可以灵活地放置在室内任何地方,基带池(即BBU)集中放置使基带可以共享,基带池通过光纤与分布于建筑中的射频拉远单元(即RRU)连接,单小区可以支持1~8个通道(RRU)。BBU+RRU共2G室内覆盖系统工程改造简易,共用改造方案如图示意:
BBU+RRU共2G室内覆盖系统工程改造方案

中兴通讯BBU+RRU多通道方案具有组网灵活、组网性能高和扩容灵活等明显的组网优势。运营商可以根据室内容量需求灵活选择BBU,根据覆盖面积合理采用不同数目的通道(RRU),方便灵活组网。小型化的BBU、RRU都可实现挂墙安装,方便室内覆盖的工程应用。中兴通讯采用独特的多通道算法,在上行方向,RRU多个通道采用不同线缆传输,空间隔离、降低干扰;在下行方向,每个用户的信号只在其上行归属的通道下发射,不会影响其他通道,从而有效地降低了用户间的干扰。多通道解决方案支持容量的平滑升级,扩容只增加BBU的基带板,通过软件设置完成扩容,硬件无需改动;支持室内HSPA容量增强解决方案。
TD-SCDMA室内覆盖网络规划和优化的要素
TD-SCDMA系统室内网络的规划和优化与具体场景下的覆盖目标、服务类型等特点是分不开的。规划设计需充分考虑到覆盖区域的信号强度和业务需求,并根据工程成本等方面的要求合理选取适当的设备、元器件和传输介质。网络优化需结合具体场景,有针对性地提升各项指标,同时为下一步的规划积累经验。中兴通讯认为,TD-SCDMA的规划和优化需要关注以下要素:
●面向场景的制定规划和优化方案:大量离散分布的室内覆盖站点,通过话务特性和传播特性分析,可以将室内覆盖分成多种场景,每一种场景下的方案大致相同,因此可以提高规划和优化工作开展的有效性。
●室内外协同覆盖:为避免室外信号的强干扰,采用单独的室内频点,保证室内外信号之间的良好隔离。同时需要关注:合理规划和优化出入口的室内外小区信号分布,合理设计室内各小区覆盖区域,尤其要关注电梯覆盖,形成良好的切换关系。
中兴通讯BBU+RRU室内 覆盖规划和优化案例
BBU+RRU组网方案在现网中得到了大量的应用,涵盖了大型楼宇、地铁、机场、奥运场馆、展馆等重要场所。通过现网的大量实测数据收集、汇总、分析和提升,中兴通讯在室内覆盖的规划和优化上积累了非常丰富的经验。以下是一些典型场景下的规划和优化案例。
大型楼宇场景
大型楼宇的小区规划:一方面,建议将楼宇的低层与高层单独划分小区。将低层小区与出口处的室外宏小区配置邻区关系,高层小区不与室外宏小区配置邻区关系,避免高层的乒乓效应和握手现象,避免室外宏小区对室内高层覆盖的影响。另一方面,电梯覆盖一般贯穿整个楼层,一般在1层进出电梯用户最多,建议将电梯覆盖与1层的小区划分为同一小区,电梯内部不设置切换区。
以北京某大型楼宇为例,该楼宇分为南、北两座大厦,地下3层、地上16层,总面积为12.26万平方米,9部电梯,需要做好电梯和平层的切换;南北楼信号相互影响,属于相对开放的室内场景,需要控制信号的乒乓切换。
电梯和低层设计同一小区,减少用户进出电梯的切换。高层用户出入电梯时,将发生类似街道拐角效应的瞬时切换,对用户主观感受影响较大。为了提高电梯切换的成功率,需要提高电梯内覆盖信号场强,主要思路是:加大电梯覆盖天线密度和天线输出电平,增强电梯覆盖场强,电梯井内信号可以扩散到电梯门厅中。当UE进入电梯厢时,电梯内信号很强,无须电梯门关闭来减少电梯外小区信号就已经切换到电梯中了。当UE离开电梯厢时,信号很快衰减,可以顺利从电梯厅切换到电梯外部小区。经过优化,各项业务经过多达150次的切换测试,切换成功率达到100%。
由于该楼宇为典型的相对开放的场景,楼内容量需求大,小区多,相互信号掺杂严重,且信号波动较大,通过常规的RF手段无法有效控制各小区信号扩散。为了减少信号掺杂对于容量造成的影响,采用了异频组网方式。但是楼内依然有较多的切换,有些区域甚至发生较为严重的乒乓切换。
为了抑制乒乓切换,中兴通讯引入了"丛林法则":双向邻区配置小区个体偏移(负值),为驻留的主小区提高保护带。室内环境下的信号波动一般在10dB内,通过小区个体偏移设置,有效地避免了信号波动和信号相近导致的乒乓切换。而一旦通话释放,进行小区选择,正常驻留在当前的最强小区中去。
首都机场T3航站楼场景
作为北京2008年奥运会重要配套项目的首都机场3号航站楼,总面积约为90万平方米,预计年吞吐量为3100万人次,届时将实现北京枢纽机场功能,满足北京奥运会的高客流量需求,树立中国国门新形象。
候机楼内的房间举架高、面积大、基本无阻挡,传播环境比较简单,信号视距传输,能量以直达径为主。机场高端用户、漫游用户比例较高,数据业务在总的业务中占的比重相对较大,其中候机大厅、VIP候机厅为热点覆盖区域,要保证数据业务的覆盖。
T3航站楼对于覆盖和容量的规划、优化都提出了很高的要求。航站楼内必须引入大量小区来满足话务要求,同时合理借助建筑物阻挡,规避信号扩散,控制小区间干扰。
T3航站楼室外站点采用了5MHz,经过优化规避了对航站楼内部的越区覆盖。T3航站楼室内覆盖采用了10MHz频率组网,5MHz一组,共两组频率,两组频率交叉复用。经过合理的小区规划,相邻小区异频组网,既满足了容量需求,又控制了小区间干扰。
北京地铁10号线场景
北京地铁10号线全长近25公里,全部为地下线,共设22座车站,平均站间距为1116米,是一条穿越北京市区东部和北部的半环线。根据规划,全线22座车站中有12座为换乘车站,将与目前正在运营的地铁1号线、13号线、5号线和在建的地铁4号线与8号线形成换乘关系。
地铁10号线隧道狭长,列车沿着隧道行驶,车体对于信号阻挡较为严重,必须进行沿隧道横截面的覆盖方式。地铁10号线采用泄漏电缆覆盖,场强分布均匀、可控性高、频段宽、多系统兼容性好。
地铁10号线和室外宏站网络隔离良好,频率资源足够,地铁隧道跨度大,列车高速行驶。因此,地铁覆盖规划和优化以站点为节点,将地铁10号线分段完成覆盖,设计方案具有明显的对称性;合理设计切换区,保证列车高速运行过程中进行定向的成功切换。
"水立方"场景
国家游泳中心(简称"水立方")位于奥林匹克中心公园区内,地下2层、深11米,地上4层、高30米。其外表为膜结构,建筑面积8.7万平方米,观众坐席数达1.7万。
"水立方"内,看台部分极为空旷,无阻挡,信号以视距传输为主。赛时看台集中了大量用户,其中媒体区和VIP区为热点覆盖区域,需要支持足够的数据业务。
规划上,"水立方"采用了10MHz频率进行异频组网。针对看台的覆盖,控制定向天线使用数量,合理设置天线位置和方位角,避免无线信号大量越区覆盖到对面看台小区。
"水立方"TD-SCDMA室内覆盖通过天馈调整、参数调整等覆盖控制手段,各小区覆盖范围合理,平均分担大话务。语音、可视电话、数据业务的呼通率都是100%,数据业务平均下载、上传速率满足指标要求,小区之间切换成功率100%。其通过了压力测试,各种业务都达到极限容量,并且上下行各项指标良好。
* * * * * *
中兴通讯的BBU+RRU多通道室内覆盖方案,是TD-SCDMA主流的室内覆盖解决方案,成功应用于各种复杂的场景中。大功率的RRU的创新和应用,进一步扩大了BBU+RRU的组网优势,灵活实现后续网络的系统扩容、升级和网络性能提升。
TD-SCDMA室内覆盖规划与优化是一个综合的系统工程,它融汇了网络规划、性能目标、工程实施等多方面内容,同时也要考虑所承载系统的技术特点,在各个方面做到统筹兼顾。中兴通讯凭借先进的BBU+RRU组网方案,依托丰富的网络规划和优化经验,不断提升室内覆盖和室外网络的性能,为用户提供一张高质量的TD-SCDMA网络。
来源:中国联通网站

