- 易迪拓培训,专注于微波、射频、天线设计工程师的培养
LTE室内分布系统建设方案研究
0 前言
LTE是由3GPP主导的新一代移动网络技术标准,改进并增强了3G的空中接入技术,其网络结构进一步扁平化,被视作从3G向4G演进的主流技术。
LTE网络的优势在于能够更好地提供高速数据业务,国内外3G业务的发展规律表明,70%的高速数据业务都发生在室内环境中,作为解决室内覆盖的主要方式,LTE室内分布系统建设成为LTE网络建设的重中之重。LTE引入MIMO多天线技术作为一项必选技术, 其实质是充分利用空间信道的多径,将用户数据流分解为多个并行的数据流进行发送和接收,有效提高系统容量和小区峰值速率。因此,在LTE室内分布系统中如何引入MIMO将是运营商需要考虑的一个重要问题。
1 室内分布系统概述
1.1 室内分布系统结构
室内分布系统是LTE室内覆盖的重要实现方式,典型的室内分布系统组网形式如图1所示。

室内分布系统主要由信源和信号分布系统组成,信源可以分为宏基站、微蜂窝基站、分布式基站、射频直放站、光纤直放站等。信源需结合室内分布系统覆盖区域分担的业务类别、容量等因素进行选取。信号分布系统主要包括无源分布系统、有源分布系统、泄漏电缆分布系统、光纤分布系统及混合分布系统等,信号分布系统需综合考虑覆盖面积、建筑结构等因素来选取合适的分布系统形式。
1.2 室内覆盖天线类型
目前2G/3G室内分布系统中最常用的天线类型是单极化全向吸顶天线,同时,随着移动通信天线技术的发展和室内业务覆盖需求的增长,双极化全向吸顶天线也得到了越来越多的关注。双极化全向吸顶天线组合了2副极化方向相互正交的天线并同时工作在收发双工模式下,在室内覆盖中实现空间分集和空间复用时,全向双极化天线方式要比全向单极化天线方式更加节省安装空间,而且根据目前产品的仿真和实测结果,使用双极化天线的MIMO与使用单极化天线的MIMO性能基本一致。不过,目前全向双极化天线产品还不是非常成熟。
1.3 LTE室内分布建设模式分析
LTE室内分布建设可分为2种模式。模式一:单通道模式,即LTE基站仅输出一路,下行形成 1×2 SIMO系统,对于数据业务需求不高的楼宇,在LTE室分建设时可以优先考虑该模式以实现覆盖。模式二:双通道模式,即通过两路独立馈线和天线构成2×2 MIMO系统,对于数据业务的热点地区,可通过引入双通道室内分布系统,以体现MIMO双流对系统容量的提升,提高用户感知度。双通道模式既可以采用单极化天线也可以采用双极化天线实现。
通过对典型室内环境下LTE系统3个用户的2×2 MIMO与1×2 SIMO的性能进行测试,得到如表1所示结果。

从测试结果来看,开启双通道后,小区吞吐量对比单通道会有较大提升。
a) 近点双流具有一倍的增益。
b) 中点具有50%左右的增益。
c) 远点基本无增益。
因此,在进行LTE MIMO部署时,应综合考虑覆盖区内的业务需求、建设和改造难度,选择合理的MIMO部署方案。
2 LTE室内分布系统建设方案
在考虑LTE室分覆盖方案时,可以采取2种思路:LTE独立建设或者LTE利旧2G/3G网络站点。从投资效益最大化的角度来说,运营商在应用一项新的无线网络技术时,往往都希望能够充分利用现有网络资源来部署建设,但同时也要注意到,利旧2G/3G网络资源建设新网络可能会带来施工难度的增加,并有可能造成几张网络无法独立进行规划和优化,从而增加后期网络运行维护的复杂度。因此,到底是选择独立建设还是选择充分利旧,运营商需要从自身网络的实际情况出发,全面衡量、评估各种建设和改造方案优缺点。
目前,室内分布系统天线多为全向单极化天线,馈线为单通道。因此,在引入LTE时,可能会面临以下几个方面的选择。
a) 使用单通道还是双通道。
b) 独立建设天馈还是利旧。
c) 使用单极化天线还是双极化天线。
基于这些因素,笔者制定了以下6种室分建设方案。
2.1 LTE单通道独立建设方案
单通道独立建设方案是指在原2G/3G网络覆盖区域内,LTE采用单通道设置,新增1路馈线、射频器件和天线,不实现MIMO,在室内分布建设中与2G/3G室内分布系统独立建设,采用独立的天馈系统,如图2所示。

由于LTE室分与2G/3G室分物理上完全隔离,因此在建设和改造过程中均不会影响现有系统运行,而且可以对LTE系统独立进行规划优化。由于单通道的性能不如双通道系统,因此该方案适用于非热点区域。
2.2 LTE与2G/3G单通道共用建设方案
单通道共用建设方案是指LTE采用单通道设置,使用1路射频单元,不实现MIMO,在室内分布建设中与2G/3G共用天馈系统,如图3所示。

LTE与现有2G/3G系统共用室分系统,不会增加天线数量,不容易引起业主抵触,而且节省馈线投资。在分布系统建设时,需要更换现有室分系统中所有射频器件和天线以支持LTE频段,改造成本高,合路引入的插入损耗可能对现有室分系统的性能有一定影响。同样,由于单通道的性能不如双通道系统,因此该方案适用于非热点区域。
2.3 LTE双通道单极化天线独立建设方案
双通道单极化天线独立建设方案是指LTE采用双通道设置,使用2路射频单元,实现MIMO,在室内分布建设中与2G/3G独立建设,采用独立的天馈系统且LTE每路射频通过单极化天线的方式进行覆盖,如图4所示。

在该方案中,为LTE独立建设室分系统,需要增加2路馈线和2套无源器件(包括功分器和耦合器等),由于LTE需要2路射频且通过单极化天线实现,因此需要增加2倍的天线数量。由于LTE室分与2G/3G室分物理上完全隔离,因此在建设和改造过程中不会影响现有系统运行,可以实现LTE系统的独立规划优化。且实现双通道MIMO,能够带来较好的用户体验与容量。但是,该方案完全不能利旧原有室分系统,造价较高。同时,新增2套天线需要占用大量天花板的天线安装空间,容易导致业主的抵触。
2.4 LTE与2G/3G双通道单极化天线共用建设方案
双通道单极化天线共用建设方案是指LTE采用双通道设置,使用2路射频单元,实现MIMO,在室内分布建设中与2G/3G共用分布系统,LTE的一路射频与2G/3G共用1套天馈系统,另一路射频使用单独的天馈系统,LTE 2路射频通过单极化天线的方式进行覆盖,如图5所示。

此方案需要对原2G/3G分布系统的器件进行改造(包括无源器件和天线)以支持LTE频段的要求。同时,在增加合路后,可能会对现有系统造成影响,而且需要新增1个天线端口,增加天线的占用空间。
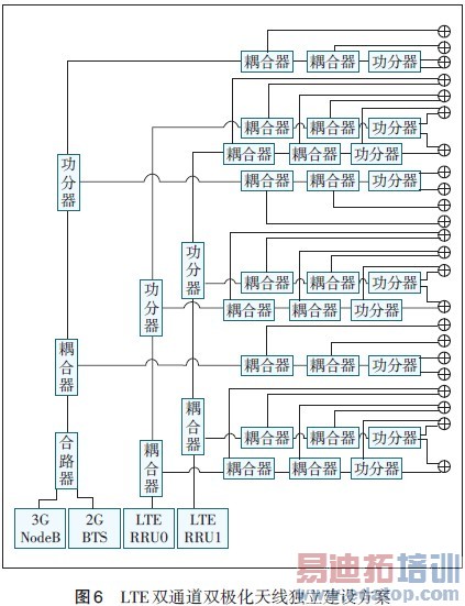
2.5 LTE双通道双极化天线独立建设方案
双极化天线独立建设方案是指LTE采用双通道设置,使用2路射频单元,实现MIMO,在室内分布建设中与2G/3G独立建设,采用独立的天馈系统且LTE 2路射频通过双极化天线的方式进行覆盖,如图6所示。
在该方案中,LTE独立建设室分系统,需要增加2路馈线和2套无源器件(包括功分器和耦合器等),由于通过双极化天线实现,因此只需增加1倍的双极化天线数量。这种方案在建设和改造过程中不影响现有系统运行,可以实现LTE系统的独立规划优化,且实现MIMO,能够带来较好的用户体验与容量。

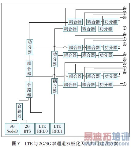
2.6 LTE与2G/3G双通道双极化天线共用建设方案
双通道双极化天线共用建设方案是指LTE采用双通道设置,使用2路射频单元,实现MIMO,在室内分布建设中与2G/3G共用分布系统,LTE的一路射频与2G/3G共用1套天馈系统,另一路射频使用单独的天馈系统,LTE 2路射频通过双极化天线的方式进行覆盖,如图7所示。

此方案中,其中一路LTE需要单独建设天馈系统,新增1路馈线和1套无源器件(包括功分器和耦合器等),同时将原室分天线更换为双极化天线。另外,需要对原2G/3G分布系统的器件进行改造(包括无源器件和天线)以适应LTE频段的要求。这种方案需要改造现有室分系统,增加合路后可能会对现有系统的性能造成影响,但实现MIMO,能够带来较好的用户体验与容量。
2.7 LTE室内分布建设方案建议
通过以上LTE室内分布系统建设方案的对比分析,可以看到,如果采用共用原2G/3G室分方式建设,现有室内分布系统中的器件均需要进行改造(包括无源器件和天线)以适应LTE频段的要求,其实并不能达到利旧的目的。因此建议,对于室内业务量需求较高的热点区域,可优先考虑双通道独立建设方案,非热点区域优先考虑单通道独立建设方案,对于天线类型的选择,则应该根据安装空间和业主的实际情况进行考虑。
3 结束语
建设LTE室内分布系统时,应综合考虑覆盖区内的业务需求、原有2G/3G室内分布系统的现状,选择合理的建设方案。本文给出了LTE室内覆盖的多种天馈系统建设方案,并对各种方案的特点进行了分析讨论,可以为今后的LTE室内分布系统部署提供重要的决策参考。
参考文献:
[1] 3GPP TS 36.211 V9.1.0 Evolved Universal Terrestrial Radio Access (E-UTRA);Physical Channels and Modulation[S/OL] .[2012-09-
02]. http://wenku.baidu.com/view/110f57795acfa1c7aa00c c42.html.
[2] 3GPP TS 36.212 V9.2.0 Evolved Universal Terrestrial Radio Access (E-UTRA);Multiplexing and channel coding[S/OL].[2012-09-
02]. http://wenku.baidu.com/view/3e33238271fe910ef12df859.html.
[3] 3GPP TS 36.213 V9.2.0 Evolved Universal Terrestrial Radio Access (E-UTRA);Physical layer procedure.[S/OL]. [2012-09-02]. http://wenku.baidu.com/view/468e0e254b35eefdc8d3335a.html.
[4] 2001H127 无线通信室内信号分布系统——第1部分:总体技术要求[S/OL].[2012-09-02].http://www.ccsa.org.cn/tc/meeting.php?ul=ccsa&type=ccsa_meeting&meeting_id=3655#.
作者:薛楠 文博 吴琼 来源:邮电设计技术
上一篇:云计算时代数据安全的三大窍门
下一篇:PTN:应对LTE承载网的新需求


