- 易迪拓培训,专注于微波、射频、天线设计工程师的培养
增益平坦滤波器(GFF)的几种实现技术
录入:edatop.com 点击:
1.4各种GFF实现技术的比较
综合比较三种实现GFF的技术,如表1所示。可以看出实现EDFA的增益平坦,啁啾光栅GFF是较好的选择。
表1 几种不同GFF实现技术的比较


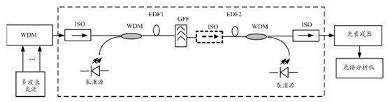
图4 基于啁啾光栅GFF的高功率EDFA设计及增益平坦度测试配置
2 试验与测试
设计了如图4所示的EDFA,为了提高该EDFA的增益水平,使用两级EDF作为增益介质进行放大,在两级增益介质之间使用啁啾光栅GFF对EDFA的增益曲线进行平坦,同时,在EDFA输入及输出端增加隔离器以免泵浦光反射或ASE影响EDFA的稳定性。在试验过程中发现,由于GFF具有较小的反射,可以将紧随GFF后的隔离器去掉,一方面可以减少EDFA的光路损耗,同时,可以节约EDFA的原料成本。
增益平坦度测试中,使用网泰(NetTest)8波长光源(OSICS)作为多播长光源,经WDM合波后注入EDFA,调节EDFA的两个泵浦功率,在EDFA输出端使用安立(Anritsu)光谱分析仪(MS9710C)测试输出,考虑到EDFA的较高的输出功率,在EDFA输出注入光谱分析仪前加入光衰减器。图5为加入啁啾光栅GFF后EDFA增益平坦度测试结果。

图5 EDFA增益平坦度测试结果
上一篇:云计算缔造物联网基础 两者相辅相承
下一篇:光纤传感器在物联网关键技术中的应用


