- 易迪拓培训,专注于微波、射频、天线设计工程师的培养
EDFA增益控制与差错检测的功率监测方案
作者:徐佩佩 陶智勇 武汉邮电科学研究院烽火科技学院
摘要:介绍了波分复用网络中EDFA高可靠增益控制与电压监测的差错检测方案。EDFA增益与输出电压通过监测控制信道电压来实现控制。功率检测中采用功率稳定的控制信道可以正确检测传输系统中的错误。
关键词:波分复用;掺铒光纤放大器;差错检测
引言
EDFA(掺铒光纤放大器)使用在WDM网络的中继节点,包括光交叉链接和光上∕下复用。EDFA沿着不同路径放大多路信号,输入到EDFA的信道数在光路进行重配置或一条链路失效时将会改变。输入到每一个EDFA的WDM(波分复用)信道电压由于光纤因使用时间受损变化而改变,这些变化影响了EDFA总的输入电压,而输入电压会引起EDFA增益变化,这些都会影响传输性能。由于光功率突然增加导致电压峰值的出现将会破坏光接收器,接收器引起的突发错误会使电压低于最小需求电压。这种衰减对系统性能的服务质量有不利影响并 限制网络的可测量性。为提供高质量的服务和高精度网络,对EDFA 增益以及光功率必须进行控制。
WDM网络中差错检测对光传输系统是一个重要的问题。在WDM网络的功率监测中,使用光放大器,很难将信号功率与有一个很大的动态范围的ASE(放大自发辐射)功率区分开来,因为这两种功率在信道数很小的时候很接近。这就在总功率被监测时会引起差错监测出错。对于WDM网络,ASE对光功率监测没有影响。
本文介绍了EDFA增益与输出功率控制以及对WDM网络差错检测的功率监测机制。控制信道功率在一个光源有问题的节点中也可保持稳定,并被用于EDFA增益与输出功率控制和功率监测。同时记录了控制信道稳定的EDFA节点瞬态功率(增益)结果。
控制信道功率的稳定化处理
此增益与功率控制方案包括监测一个WDM信道校准泵浦功率,监测总的信号功率,监测一个加在放大器或泵浦功率的额外的探测信号,插入一个补偿信号,通过一个后向反馈环路钳制增益。最重要的是监测一个EDFA放大波段的WDM信道(控制信道)。采用这种方法,控制信道的输入与输出功率通过窄带带通滤波器(BPF)监测,信道增益可以计算。控制电路用来调整泵浦功率,维持控制信道增益为常量。这种增益控制方案对于信道数目很小的时候很有优势。当只有几个信道时,ASE电压相当于输出信道功率。如果监测总功率,ASE引起监测信号功率的误码。然而,直到ASE在控制信道输出功率中被消除后,这种方案才可控制EDFA不受ASE影响。此方案在一个OADM环系统中实现,可成功减少光浪涌。如果EDFA不实行控制将导致系统性能下降,由于控制信道光源出现问题将使得控制信道不能输入到EDFA非常高或非常低的功率。因此,按照服务质量,稳定控制信道功率对获得EDFA增益与输出功率控制非常重要。
图1(a)为WDM网络一个链路及其节点的示意图,显示了控制EDFA增益与输出功率的控制信道。节点包括控制信道源,WDM复用、解复用器以及3R转发器,OXC,和一个OADM(用于实现节点功能)。对所有WDM信道的功率在这个设备中被补偿然后发送到传输光纤。设备分别被安装在工作和保护节点,控制信道源设置也相同。如果其中一个信道源出现问题,在节点与下一节点之间控制信道功率将减少或消失。图1(b)描述了稳定化的控制信道功率方案。此方案考虑到在相同操作条件下光电二极管比激光器更可靠,且控制电路有足够的可靠性。

图1(a)WDM网络链路节点框图

图1(b)稳定性控制信道方案框图
控制信道功率稳定在控制信道源单元。耦合器功率用一个PD探测,使控制信道源的电流稳定。控制信道的自动变平控制阻止了控制信道功率的变化。因此,由于光功率持续输入到EDFA以及在控制信道光源有问题的情况下光功率也可以控制就会使得EDFA增益与输出功率保持稳定。
信道功率的稳定性控制不只用于EDFA增益控制,也用于WDM网络中差错检测,例如监测信号差损(LOS),而且还用于对总功率进行监测。如果在一个级联光放大器WDM网络中只有几个信道,累积的ASE将比在一个光放大器输入终端的LOS大,即使当信道功率下降到低于电压值。信道功率也会下降到低于LOS临界值,由于放大器有AGC或ALC功能,信道斜率在输出终端会变大。如果使用总功率监测将会引起差错监测出错。在传输光纤上游应该可以监测到出错,然而错误是由放大器监测到的。相比而言,当控制信道功率监测只受ASE影响,出错将被精确检测到。因此,这个功率监测机制在传输系统中提供了高可靠差错监测。
AGCALC特性
控制信道功率采用自动控制,有瞬态响应。以下为EDFA在 ALC下的瞬态响应。
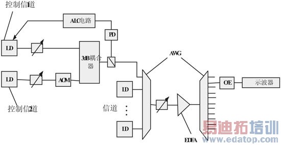
图2 显示了实验环境。使用两个DFB-LD分别控制信道1和2.。在信道2我们使用了一个AOM仿真控制信道源。两个控制信道使用一个3dB的耦合器和一个PD。ALC电路控制信道1的驱动电流,监测功率保持常量。控制通道与信号通道通过一个阵列波导光栅(AWG)进行复用。控制通道波长为1572.1nm(190.7THz)。输入控制通道与16个信号通道波长从1573.7(190.5THz信道1)到1598.9nm(187.5THz信道16)有1.6nm(200GHz)信道间隔到EDFA。然后用一个AWG从EDFA解复用输出信道,通过光电转换器和示波器监测功率瞬态。

图2 实验环境搭建
图3(a)和(b)显示了EDFA的配置框图。图3(a)代表EDFA信道1,有自动增益控制(AGC)功能,这种配置方式广泛应用于在每一个信号通道均保持不变的情况。BPF只允许控制信道通过。AGC功能可保持控制信道增益为常量。EDFA信道1平均增益为19.1dB,16个信道增益平坦度低于0.8dB。图3(b)为EDFA信道2包含一个可调衰减器(VOA)在两个放大器之间(有AGC功能),达到ALC功能。每一个信道的输出功率都自动控制来补偿输入功率的变化。控制信道增益在EDFA2的EDFA单元中保持常量。保证EDFA信道2平均电平为常量,确保信号增益与斜率。尽管EDFA信道1输出增益随着输入功率电平变化而改变,控制信道输入EDFA2可通过调节VOA来保持稳定,这会达到输入到EDFA2信号功率为常量。输出功率在输入信道功率改变时也可维持常量。EDFA2放大光路从-20dBm到-12dBm到+2.5dBm(平均),增益平坦度少于1.5dB,可变衰减器的驱动速度为320μs。当16信道有15个drop或从1个信道的操作增加到15个时,功率漂移对EDFA1和EDFA2分别低于±0.5与±1.0dB。

图 3(a)带自动增益功能EDFA

图3(b)自动增益与电压控制EDFA
当控制信道2电源切掉时耦合控制信道功率会忽然下降,返回到之前电平的时间在200μs,误差低于0.05dB。如果信号波长为1573.7nm,通过ALC使得功率抖动可稳定在偏移量1ms内低于0.1dB。我们在这里定义了功率偏移量为区分信道2 切断后功率控制的稳定性。最大功率瞬间增加(或降低)定义为区分最大(或最小)功率与信道2 切断时控制的功率。ALC电路的转换特性表示为LD电流每PD电流每时间。
EDFA1的最大功率瞬间增加值与不同输入信道在输入信道功率为-16dBm∕ch时几乎相同,增加微弱。EDFA2最大功率瞬间增加改变微弱, 最大功率瞬间增减在输入功率为-18 dBm∕ch时最小。EDFA2 最大功率瞬间增减分别为0.3~0.1ms以内。
结语
本文提出了一个高可靠EDFA增益与输出功率控制以及 WDM网络差错检测的监控方法,此方案可提供功率稳定的控制信道。控制信道功率稳定在一个节点,这个节点可阻止即使在光源有问题时非控制EDFA操作所引起的控制信道功率严重变化。在功率监测中对控制信道功率的使用由于ASE而不受影响,并提供信号功率的精确监测。
本文描述了当控制信道忽然改变时EDFA瞬态以及控制信道的控制实验。对EDFA只有AGC功能时与有AGC和ALC两种功能时最大功率瞬态增加与降低分别为±0.5 dB与±0.8 dB。发现功率漂移对信道数是独立的。实验显示瞬态功率对一些传输系统仍然比较大,然而通过对控制信道功率的电路控制与EDFA增益和输出功率来对响应时间进行优化,此方案可提供一个可靠EDFA操作使我们能使用OADM或OXC来构建WDM网络。
参考文献:
【1】杨智. EDFA瞬态增益特性控制方法,光通信研究,第2期,2007年,63-66
【2】廖先炳. EDFA及其发展动向,光纤光缆传输技术,第1期,2003年,30-33
【3】丁炜. EDFA光线放大原理及应用,有限电视技术,第16期,2005年,21-24
【4】黄红斌. 抑制EDFA瞬态效应方法的研究,激光与光电子学进展,第7期,2005年,31-34
【5】于岭. EDFA增益控制技术,光器件,第6期,2004年,28-30


