- 易迪拓培训,专注于微波、射频、天线设计工程师的培养
简介GPRS无线通信模块MC35i及其外围电路
随着信息技术的迅速发展,无线远程监控技术得到了越来越广泛的应用,采用先进的GPRS技术的无线监控管理系统,集计算机、通信、机电、自动控制等多种先进技术于一体,成功实现了对无线分布式系统的实时监控管理和灵活部署。
解决了传统控制由于没有通讯功能,而无法实现集中监控的问题,以及没有或无法解决实时大数据量处理的问题。因此移动终端的设计也逐渐倍受关注。
本文提及的MC35i模块属于无线通讯核心模块,是结合语音、数据传输、简讯服务及传真等功能的高科技产品。此模块功能强大,利用此无线模块的通讯产品便能够很好地在客户端进行系统整合的规划。目前该无线模块的应用领域比较广泛,主要包括:
(1)移动应用,如个人数字助理、智能型手机、上网板、及笔记型计算机;
(2)交通运输,如卫星定位系统、交通控制系统、车队管理系统、汽车保安系统等;
(3)工业用途,如无线公用电话、无线远程监控系统、远程仪器电表传讯等。
文中所述的设计结合单片机或者ARM嵌入式控制可以完成GPRS数据流传输短消息收发、语音传输、与Pc机进行数据传输等功能,已应用在基于GPRS数据传输的电力线监控系统中。
1 MC35i模块
MC35i是Siemens公司推出的新一代无线通信GPRS模块,可以快速安全可靠地实现系统方案中的数据、语音传输、短消息服务 (Short Message Service)和传真。模块的工作电压为3.3~4.8 V,可以工作在900 MHz和1800 MHz两个频段,所在频段功耗分别为2W(900 M)和1W(1800 M)。
该模块包括了前期版本TC35的所有功能,同时新增加了快速的GPRS技术,采用GPRS分时复用的CLASS 8标准,具有始终在线的功能且理论上传输速率最高可达171.2 kb/s,通信传输时延较小,最长不超过3s。
模块有AT命令集接口,支持文本和PDU模式的短消息、第三组的二类传真、以及2.4k,4.8k,9.6k的非透明模式。此外,该模块还具有电话簿功能、多方通话,漫游检测功能,常用工作模式有省电模式、IDLE、TALK等模式。
通过独特的40引脚的ZIF连接器,实现电源连接、指令、数据、语音信号、及控制信号的双向传输。通过ZIF连接器及50Ω天线连接器,可分别连接SIM卡支架和天线。
MC35i模块主要由GSM基带处理器、GSM射频模块、供电模块(ASIC)、闪存、ZIF连接器、天线接口六部分组成。作为MC35i的核心,基带处理器主要处理GSM终端内的语音、数据信号,并涵盖了蜂窝射频设备中的所有的模拟和数字功能。在不需要额外硬件电路的前提下,可支持FR、HR 和EFR语音信道编码。具体结构可参考图1。

图1 MC35i功能框图
2 外围应用电路
MC35i模块的正常运行需要相应的外围电路与其配合。MC35i共有40个引脚,通过ZIF连接器分别与电源电路、启动与关机电路、数据通信电路、语音通信电路、SIM卡电路、指示灯电路等连接。
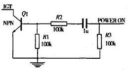
(1)启动电路
启动电路由开漏极三极管和上电复位电路组成。模块上电10 ms后(电池电压须大于3 V),为使之正常工作,必须在15脚(/IGT)加时长至少为100ms的低电平信号,且该信号下降沿时间小于1 ms。启动后,15脚的信号应保持高电平。如2图所示,为启动电路产生的信号,从中可以看出10 m8的延时和100 ms的低电平。

图2 启动信号下降沿
根据上面的分析,设计启动部分的参考电路如下:

图3 启动电路
如图3所示,当Power ON脚电压由低变高时,电容C1被充电左负右正。电流方向为逆时针方向,此时电阻R1的电压上正下负(当UR1≥0.7 V时)使Q1的发射结正偏,晶体管处于导通状态,IGT脚处于低电平。当POWER ON脚电压由高变低时。电容C1开始放电,此时电阻R1的电压上负下正使Q1的发射结反偏,晶体管截止,IGT脚处于高电平。
显然IGT脚在 POWERON脚电压由低变高时处于低电平,GPRS模块开机。根据引脚要求IGT脚电平在处于下降沿并保持低电平100 ms≤t≤1s后跳到高电平。所以这里对C1的容值,R1、R2、R3的阻值就有要求了,这时需要调整C1的电容值,R1、R2的阻值以满足开机条件。
为了方便说明,模块开机电路电路图可以简化如下:如图4所示,开关由a投向b,并在t=0前开关与a端相连时间足够长达到稳态,即Uc(0-)=0。由于电容电压不能跳变,在开关投到b的瞬间,电容电压仍为零。即C(0+)=0。且t≥0时RC电路与电源相接,因此可以认为是求零状态响应的问题。

图4 启动电路简介图
当开关投向b后电容电压从零值开始充电,电压逐渐上升,最后应趋于稳态值 。稳态值是根据"电容相当于开路"而确定为Us的。根据这样的考虑,得出:

电容上的电压上升,而电阻上的电压逐渐下降,当R1上的电压降到0.7 V时,三极管将截止,因而要算出R1的电压降到0.7 V时的时间。
UR1=i(t)×R1 (2)
由式1,2得:0.7= 5/(200×103)e-1/200×200×103。解得:t=255 ms。其中:r=R总×C+;R总=R1+R2=200Ω ;r=R总×C+=200×103 ×106=200 ms。可知100 ms≤255 ms≤1s符合系统要求。
上一篇:移动通信技术发展中的几个纠结点
下一篇:决定光纤性质的关键因素 拉丝张力


