- 易迪拓培训,专注于微波、射频、天线设计工程师的培养
实用无线充电器设计[附电路 ]
录入:edatop.com 点击:
2.2 发射电路模块
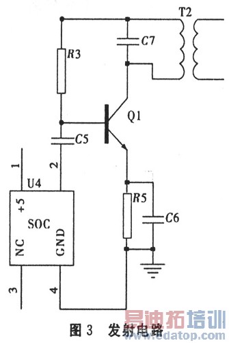
如图3,主振电路采用2 MHz有源晶振作为振荡器。有源晶振输出的方波,经过二阶低通滤波器滤除高次谐波,得到稳定的正弦波输出,经三极管13003及其外围电路组成的丙类放大电路后输出至线圈与电容组成的并联谐振回路辐射出去.为接收部分提供能量。

1 2 3
2.2 发射电路模块
如图3,主振电路采用2 MHz有源晶振作为振荡器。有源晶振输出的方波,经过二阶低通滤波器滤除高次谐波,得到稳定的正弦波输出,经三极管13003及其外围电路组成的丙类放大电路后输出至线圈与电容组成的并联谐振回路辐射出去.为接收部分提供能量。

1 2 3