- 易迪拓培训,专注于微波、射频、天线设计工程师的培养
RF/微波开关测试系统设计基础
录入:edatop.com 点击:
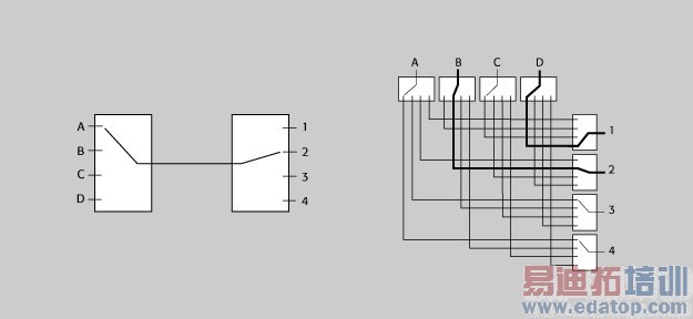
一系列复杂的开关拓扑在RF开关中得以采用。矩阵式开关可以实现每个输入与每个输出的连接。有两种类型的矩阵在微波开关架构中得以采用——blocking和non-blocking架构。一个blocking矩阵可将任意一个输入和任意一个输出进行连接,因此其他的输入和输出就不能同时连接。这对只需在一个时刻切换到一个信号频率的应用是一个有效的低成本方案,信号完整性也更好,因为有更少的继电器路径,特别是避免了相位延迟的问题。而non-blocking矩阵允许多个路径的同时连接,这种架构具有更多的继电器和线缆,因此灵活性更强,不过价格也更高。

图2 –单通道blocking矩阵和non-blocking矩阵
层叠开关架构是多位置开关的一种替代形式。它采用多个继电器将一个输入连接到多个输出。路径长度(同时决定了相位延迟)是由信号经过的继电器的数量决定的。

图3 - 层叠开关架构
树形架构是层叠开关架构的一种替代。相比层叠架构,对于同等规格的系统,树形技术需要更多的继电器,然而,选定的路经和其他不用的路经之间的隔离会更好,这样降低了继电器和通道之间的crosstalk。树形架构具备一些优势,包括无端接残余(unterminated stubs),各个通道特性也会相似。然而,在选定路经上具有多个继电器意味着损耗会更大,信号完整性也令人堪忧。
1 2 3 4
上一篇:天线基础知识大全
下一篇:德州仪器推出低成本射频增距器


