- 易迪拓培训,专注于微波、射频、天线设计工程师的培养
四路无线遥控开关的设计方案
摘要:鉴于市场上很多遥控产品质量参差不齐、性能不好,我们设计了性能稳定、价格便宜的无线遥控器。该遥控器发射部分采用315MHz无线数据发射模块和编码集成PT2262组成,接收部分采用超再生式接收模块、PT2272和D触发器4013构成的双稳态电路组成,本设计也解决了PT2272-M4改为PT2272-L4时实现了4路输出就有自锁状态变为非锁定状态。本无线遥控距离可达200m.适用于控制电动门的开关、工业用电动机的开停、正反转等。
0引言
目前市场上有很多无线遥控产品出售,质量参差不齐,有些还使用LC振荡器,频率漂移严重,性能不好。本文介绍一种性能稳定、价格便宜的无线遥控组件。该模块工作频率为315MHz,采用声表谐振器SAW稳频,器频率稳定度极高,当环境温度在一25℃-+85℃之间变化时,频飘仅为3ppm/度。它与编解码集成PT2622/PT2722配套使用时,可以实现遥控、遥测、数据采集、生物信号采集等功能。
1 PT2262/2272
编码芯片PT2262/2272是台湾普城公司生产的CMOS工艺制造的低功耗低价位通用编码/解码电路,是一对带地址、数据编码功能的无线遥控发射/接收芯片。
发射芯片PT2262将载波振荡器、编码器和发射单元集成于一身,使发射电路变得非常简洁。它工作电压范围宽(-15V-2.6V),其中A0一A1l为地址管脚,用于进行地址编码,可置为"0","1"或"f"(悬空)。DO-D5为数据输入端,有一个为"1"即有编码发出,内部下拉。TE为编码启动端,低电平有效。OSCl、OSC2分别为振荡电阻的输入和输出端,外接电阻决定振荡频率。设定的地址码和数据码从17脚串行输出,平时为低电平,可以直接调制发射模块发射信号。
PT2272通常有L4、L6和M4等后缀输出形式。L4、L6是4路和6路自锁存输出,M4则是四路非锁定输出。而锁存功能是指,当发射信号消失时,PT2272的数据输出端仍保持原来的状态,直到下次接收到新的信号输入。PT2272的非锁存功能是指当发射信号消失时,PT2272的对应数据输出位即变为低电平即数据脚输出的电平是瞬时的,而且和发射端是否发射相对应,可用以类似点动的控制。
2四路遥控器的工作原理
2.1发射部分
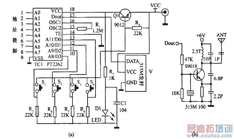
发射部分电路原理图如图1中(a)所示。

图1 发射部分电路原理图
该部分电路主要由315MHz无线数据发射模块和编码集成PT2262组成。该无线发射模块原理图如图1中(b)所示,它具有较宽的工作电压范围3-12V,当电压变化时发射频率基本不变,和发射模块配套的接收模块无需任何调整就能稳定地接收。当发射电压为3V时,空旷地传输距离约20-50m,发射功率较小;当电压5V时约100-200m)当电压9V时约300-500m;当发射电压为12V时,为最佳工作电压,具有较好的发射效果,发射电流约60毫安,空旷地传输距离700-800m,发射功率约500mW.当电压大于12V时功耗增大,有效发射功率不再明显提高。发射模块采用ASK方式调制,以降低功耗。当数据信号停止时发射电流降为零,数据信号与DF发射模块输入端可以用电阻或者直接连接而不能用电容耦合,否则DF发射模块将不能正常工作。数据电平应接近DF数据模块的实际工作电压,以获得较高的调制效果。
平时没有按按钮时,三极管Q截止,编码集成ICl处于断电状态,无线数据发射模块没有发射信号。当按钮S1一s4任何一个按下时,三极管Q1导通,编码集成ICI开始工作,它根据数据输入端Do-D3的电平进行编码,编码信号由:地址码、数据码、同步码组成一个完整的码字。该编码信号经无线数据发射模块V1进行调制后经天线发射到周围的空间。如果按钮一直按住则发射模块连续发射无线信号。当编码集成ICI(PT2262)第17脚为低电平期间315MHz的高频发射电路停止振荡,所以高频发射电路完全受控于PT2262的17脚输出的数字信号,从而对高频电路完成幅度键控(ASK调制)相当于调制度为100%的调幅。
2.2接收部分
接收部分的电路原理图如图2中(a)所示。


图2接收部分电路原理图。
该部分电路主要由315MHz无线数据接收模块、解码集成PT2272,D触发器4013和继电器电路组成。
315MHz无线数据接收模块有超再生式接收模块和超外差式接收模块两种,超再生和超外差电路性能各有优缺点。超再生式接收模块接收灵敏度为-105dBm,抗干扰能力差,频率受温度漂移大,采用带骨架的铜芯电感将频率调整到315MHz后封固,这与采用可调电容调整接收频率的电路相比,温度、湿度稳定性及抗机械振动性能都有极大改善。超外差式接收模块抗干扰能力较强,自身辐射极小,背面有网状接地铜箔屏蔽,可以减少自身振荡的泄漏和外界干扰信号的侵入;输出端的波形在没有信号时比较干净,干扰信号为短暂的针状脉冲,不象超再生式接收电路会产生密集的噪声波形,但近距离强信号时可能有阻塞现象。
1 2

