- 易迪拓培训,专注于微波、射频、天线设计工程师的培养
智能家居照明控制无线开关系统
1 系统设计方案
随着电子技术的不断发展, 无线技术在智能化中扮演着越来越重要的角色。本设计是一种能实现远距离照明控制的无线遥控开关系统, 由发射系统和接收系统两部分组成。系统使用无线收发模块构成射频发射和接收电路, 发射部分主要由按键编址电路、编码电路和发射模块组成; 接收部分主要由接收模块、单片机控制电路和负载电路组成。
发射系统采用1 节12 V 干电池供电, 接收系统采用3 节1.5 V 干电池供电, 单片机采用5 V 直流电源供电,电源系统节能、简便。
2 系统实现
2.1 元件选取及系统框图
考虑到系统的兼容性、实用性、低成本和节能性, 选用AT89S52 单片机, 用PT2262/2272 无线收发模块实现315 MHz 的无线通信。AT89S52 单片机是ATMEL 公司生产的一种非易失性存储技术制造的低功耗、高密度CMOS 8 位单片机, 片内含8 KB ISP (In -system programmable)的可反复擦写1 000 次的Flash 只读程序存储器, 兼容标准MCS-51 指令系统及80C51 引脚结构, 可为许多嵌入式控制应用系统提供高性价比的解决方案。
PT2262/PT2272 是台湾普城公司生产的一种CMOS 工艺制造的低功耗、低价位通用编解码电路;PT2262/PT2272最多可有12 bit(A0-A11) 三态地址端管脚( 悬空, 接高电平, 接低电平),12 bit(A0-A11) 三态地址端管脚任意组合可提供531 441 地址码,PT2262 最多可有6 bit (D0-D5)数据端管脚,设定的地址码和数据码从17 脚串行输出[2].
电路的系统框图如图1 所示。

2.2 系统电路图
系统电路由无线发射系统和无线接收系统两部分组成。
(1) 无线发射系统电路( 如图2):主要采用PT2262 芯片来完成,电路PT2262 对按键信号进行编码,可以控制4个通道。图2 中,PT2262 的1~8 脚是编码地址端, 每个地址端可以设定" 高电平"( 该脚接12 V)、" 低电平"( 该脚接地) 、" 悬空" 三种状态。10~13 脚是编码的数据输入端D3~D0( 使用4 位数据), 在每个数据端连接了一个按键, 用以控制不同的设备。当按下按键后,按键将12 V 的电压加到对应的数据端, 同时数据端信息通过晶振将信号并发射出去。PT2262 将会根据地址码的设定和输入的数据进行编码, 从17 脚输出编码脉冲。无线通信受编码脉冲控制[ 2-3], 当17 脚脉冲为"l" 时,V1 组成的振荡器工作, 产生315 MHz 的高频信号并发射出去; 当17 脚输出脉冲为"0" 时,Vl 组成的振荡器停止工作。

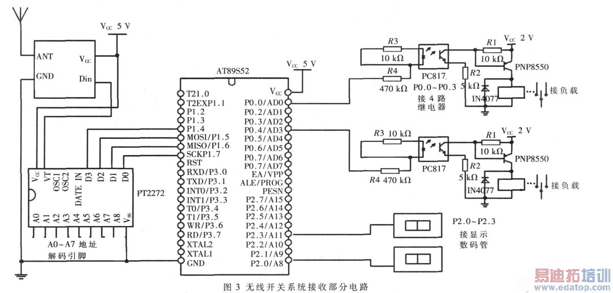
(2) 无线接收系统电路: 接收系统电路主要由接收模块( 包括射频模块、芯片PT2272 及外围电路) 、继电器电路和负载电路组成, 如图3 所示。PT2272 的1~8 脚是解码地址端, 每个地址端可以设定" 高电平" ( 该脚接5 V) 、" 低电平" ( 该脚接地) 、" 悬空" 三种状态, 该解码地址的设定与PT2272 的地址编码相对应。当射频模块接收到由发射电路发出的信号后,PT2272 进行地址码比较核对( 解码), 若地址码核对正确, 则发射模块TE 脚( 编码启动端用于多数据的编码发射, 低电平有效) 发出的信号经接射频模块由Din 脚(14 引脚) 进入PT2272 , 同时数据经PT2272 的数据输出脚D0~D3 (10~13 脚) 进入单片机; 反之PT2272 的数据输出脚则无任何动作。当信号进入单片机后, 单片机对其进行分析并作出相应的控制。如果接收到的第一路信号为高电平, 单片机控制的数码显示管会显示"11" ( 第一个"1" 表示第一路信号,第二个"1" 表示该信号为高电平) , 同时单片机向继电器电路发出高电平, 继电器吸合, 负载电路工作; 当第二次接收到高电平, 通过单片机将对应的端口电平置零;当第三次接收到高电平时再次置1, 如此循环; 当数码管的显示为"1 1" 时( 第一个1 表示第一路信号, 第二1 表示该信号为低电平) , 此时单片机向继电器电路发出低电平, 继电器断开, 负载停止工作。利用继电器和数码管可以实现灵活控制并清晰地显示。

3 程序的写入与调试利用keil C51 编写控制程序写入单片机AT89S52内, 利用串口调试助手, 对单片机输出信号进行不同的电平( "1" 或"0" ) 赋值, 其测试结果能达到100%, 最大的控制距离可达50 m, 响应时间不大于1 s.
本设计利用单片机AT89S52 和芯片组PT2262/2272实现了用于照明控制的可编程4 路无线开关系统, 避免了使用专用解码芯片的有关限制, 能充分利用系统软硬件资源, 系统的扩展性和灵活性好, 且成本低、功耗小,是智能家居照明控制的一种科学解决方案。
来源:维库电子市场网
我推荐大家读
轻松参与
VS
表达立场
这是垃圾文章
上一篇:基于μC/OSⅡ的实时任务模型研究与应用
下一篇:TD主流商务终端的路测与优化


