- 易迪拓培训,专注于微波、射频、天线设计工程师的培养
地铁站内无线乘客求助系统设计方案
0 引言
随着中国城市的快速发展,地铁在现代城市公交中起着日益重要的作用。地铁站自动/自助设备众多,在为乘客提供服务的同时不可避免地也会出现各种故障。为了便于向乘客提供高效快速的服务,地铁车站都配置乘客求助服务系统。
有线乘客求助系统由于需要布线,施工复杂,不利于灵活设置。无线乘客求助系统可灵活方便配置,施工简单,但存在通信距离不足,抗干扰能力弱的缺点。本文基于无线收发模块、单片机和中继器设计了适用于地铁站内环境的无线乘客求助系统。
1 系统介绍
1.1 系统结构
地铁无线乘客求助系统主要由车站计算机、管理终端、中继器、求助终端组成。车站计算机与管理终端安装于地铁站控制室,求助终端安装于地铁站内有可能需要乘客求助服务的设备或者建筑物上,中继器则安装于管理终端与求助终端间以放大并传递无线信号。
1.2 系统工作原理
地铁无线乘客求助系统由安装于车站控制室的一台车站计算机、一台管理终端和分布在车站各处的多台求助终端构成。当乘客需要求助时按下一台求助终端的求助按钮,此时安装于求助终端上的求助信号灯由暗变为常亮表示求助信号已经发出。求助信号以无线方式传送至管理终端,管理终端接收到求助信息后将其以有线方式传送至车站计算机并由车站计算机显示发送求助信息的求助终端的编号。车站管理人员点击车站计算机上的求助响应按钮对求助信息进行响应,响应信息以有线方式传送至管理终端再通过无线方式传送至求助终端,此时求助终端上的求助信号灯由常亮变为闪烁表示求助信号已被响应,乘客只需等待工作人员前来处理问题。
无线求助系统的工作原理如图1所示。

图1 无线乘客求助系统工作原理图
2 系统设计
要满足无线乘客求助系统的设计要求,系统各部分需要具备以下功能:
车站计算机:系统监控虚拟仪器,显示各求助终端编号、分布及实时状态;求助响应按钮和全体响应按钮,对相应求助终端的求助信号或所有求助信号进行响应;求助清除按钮和全体清除按钮,对相应求助终端的求助信号或所有求助信号进行清除;系统状态检查按钮,检查所有求助终端是否处于正常工作状态。
管理终端:接口模块,与车站计算机进行通信;无线收发模块,与求助终端进行通信;微控制器,控制串行接口与无线收发模块的工作并传输和存储相关信息。
求助终端:求助按钮,供乘客求助时使用;求助指示灯,提示乘客求助是否被响应;无线收发模块,与管理终端进行通信;微控制器,控制按钮、指示灯及无线收发模块的工作并存储和传输相关信息。
地铁无线乘客求助系统的硬件设计框图如图2所示。

图2 地铁无线乘客求助系统硬件设计框图
2.1 求助终端设计
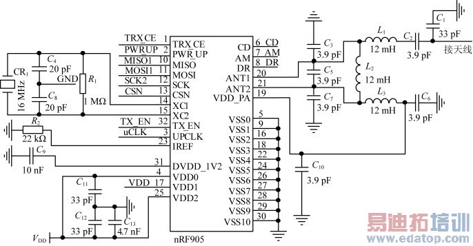
根据系统功能要求,求助终端选用无线收发模块nRF905.nRF905是挪威Nordic VLSI公司推出的单片射频收发器,工作电压为1.9~3.6 V,32引脚QFN封装(5 mm×5 mm),工作于433/868/915 MHz三个ISM(工业、科学和医学)频道,频道之间的转换时间小于650μs.nRF905由频率合成器、接收解调器、功率放大器、晶体振荡器和调制器组成,不需外加声表滤波器,ShockBurst工作模式,自动处理字头和CRC(循环冗余码校验),使用SPI接口与微控制器通信,配置非常方便。此外,其功耗非常低,以10 dBm的输出功率发射时电流只有30 mA,工作于接收模式时的电流为12.5 mA.内建空闲模式与关机模式,易于实现节能。nRF905有4种工作模式,如表1所示。
表1 nRF905工作模式

SPI接口由SCK.MISO,MOSI以及CSN组成。功能分别为SPI时钟,SPI输出。SPI输入,SPI片选。
状态输出接口有提供载波检测输出的CD,地址匹配输出的AM,数据就绪输出的DR.
nRF905外接电路简单,不需添加过多外接器件,其外接原理图如图3所示。

图3 nRF905外接原理图
单片机的相应引脚与无线收发模块nRF905、求助按钮、求助信号灯相连接并控制其工作,组成求助终端。
2.2 管理终端设计
由于管理终端除了要完成求助终端一样的无线信息传输功能外,还要完成与计算机的有线信息传输。所以管理终端在求助终端的基础上又增加了一片单片机与接口模块。本文采用标准RS 232C接口模块,采用MAXIM公司生产的MAX232A芯片将微单片机的TTL电平与计算机串口标准RS 232C电平进行相互转换。
2.3 中继器的使用分析
地铁站是一个环境复杂的公共场所,其中建筑物多,各种射频设备干扰复杂,无线传输模块发送的信号经过衰减和干扰后很难可靠传送,经过试验,10 dBm的发射功率其可靠通信距离只有30~40 m左右,而地铁站长达数百米。要实现可靠的无线数据通信,可采用以下两种方案实现:
方案一:通过增加无线发射的功率实现数据的远距离传输。
方案二:通过增设无线中继器拓展传输网络,实现远距离传输。
方案二相比于方案一有功耗低,对人体健康影响小,对地铁站内其他设备干扰小的优点。所以本文选择中继器用来延长无线传输距离。
自由空间传播时的无线通信距离的计算方法:天线周围为无限大真空时的电波传播,它是理想条件。电波在自由空间传播时,其能量既不会被障碍物所吸收,也不会产生反射或散射。通信距离与发射功率、发射频率和接收灵敏度的关系式:
Los=32.44+20lg d+20lgf (1)
式中:Los表示传输损耗,单位:dB;d为传输距离,单位:km;f为载波频率,单位:MHz.
由式(1)可见,自由空间中电波传播损耗(亦称衰减)只与工作频率f和传播距离d有关,当传输损耗一定时,载波频率越低,传输距离越远,所以本文选择nRF905工作频率为433 MHz.
本文中无线收发模块nRF905的工作频率为433.92 MHz,发射功率为+10 d13m(10 mW),接收灵敏度为-100dBm.由此可得:
Los=110 dB
由式(1)计算可得,在自由空间传播时的无线通信距离d=30km.
这是在室外无任何障碍物和干扰源的情况下的理想传输距离,而在地铁站中中,无线信号强度在遇到传播途径中的大气、建筑物等影响因素时都会衰减,从而大大降低了无线信号的传输距离。当衰减大于25 dB时,nRF905的有效传输距离将小于100m.
在室内无线通信时,电磁波会受到墙壁、门窗等阻挡物的衰减,在工程应用中可按表2选取衰减值。
表2 433MHz和868MHz频段室内衰减表

经过在地铁站内的实际观察,参考表2可得出地铁站内对无线信号的衰减将在25 dB左右甚至超过25 dB,所以管理终端和求助终端之间至少需要使用一台中继器。
3 软件设计
3.1 软件抗干扰设计
地铁站内环境复杂,干扰源众多,会对地铁无线乘客求助系统信息的准确传输产生影响。通过软件控制系统的工作流程,可以有效减弱系统所受到的干扰。
地铁无线求助系统的工作流程如下:
(1)管理终端通过无线收发模块向第一台求助终端发送上传乘客求助信号的命令。
(2)如果第一台求助终端有乘客求助申请,则求助终端向管理终端发出求助申请信号。如果第一台求助终端没有乘客求助申请,则返回第一步向第二台求助终端发送上传乘客求助信号的命令。
(3)管理终端接到第一台求助终端发送的乘客求助申请信号后,发出批准信号。
(4)第一台求助终端接收到批准信号后,将存储在其寄存器中的乘客求助信息发送至管理终端。
(5)管理终端接收到第一台求助终端的乘客求助信息后将其存储至寄存器,并返回第一步向第二台求助终端发出上传乘客求助命令信号。
(6)管理终端完成一次对所有求助终端的扫描,再将其寄存器中的乘客求助信息通过串行接口传送至计算机。
(7)求助终端则利用扫描间隙接收乘客求助按钮发出的乘客求助信息并将其存至求助终端寄存器。
3.2 管理终端软件设计
管理终端开机便进行初始化,然后进入扫描求助终端状态。当接收到乘客求助请求信号后,便发出批准信号,收到乘客求助信息后便将乘客求助信息存入寄存器,并继续扫描下一台求助终端,直至一轮扫描完成后,将乘客求助信息传送至计算机,然后开始下一轮扫描。其工作流程如图4所示。

图4 管理终端工作流程图
3.3 求助终端软件设计
求助终端开机后处于射频接收模式,系统查询扫描乘客求助按钮,如果没有按下则继续等待。如果扫描到乘客求助按钮被按下,则将乘客求助信息存入寄存器等待发送。当接收到管理终端发送来的命令信号,则发出乘客求助信息申请信号并等待批准信号,接到管理终端的批准信号后发送乘客求助信息,随后继续扫描乘客求助按钮。其工作流程如图5所示。

图5 求助终端工作流程图
4 结语
本设计在原有无线通信系统上针对无线收发模块进行了无线信号在地铁站环境中的衰减分析,先从理论上证明了无线收发模块在地铁站内的有效传输距离会大大减小甚至不足百米。通过在空旷环境和地铁站内对本系统的测试,验证了理论分析的可行性,站内环境对系统的衰减严重。本设计讨论了解决方案并最终选择使用中继器延长无线收发模块的传输距离。该无线乘客求助系统在其他复杂环境公共场所同样适用。
作者:高峰 牛国柱 来源:《现代电子技术》
免责声明:本文仅代表作者个人观点,与C114中国通信网无关。其原创性以及文中陈述文字和内容未经本站证实,对本文以及其中全部或者部分内容、文字的真实性、完整性、及时性本站不作任何保证或承诺,请读者仅作参考,并请自行核实相关内容。
上一篇:基于CC2530的Zigbee2007/PRO协议的无线温湿度系统设计
下一篇:基于MCU和nRF24L01的无线通信系统设计


