- 易迪拓培训,专注于微波、射频、天线设计工程师的培养
基于GSM的智能车牌防盗报警装置的设计
随着人们生活水平的提高,城市中汽车的数量剧增,从而带动了很多相关行业的发展,然而很多的不法分子也打起了偷盗车牌的主意,用来敲诈车主,这让车主很是头疼,也严重地影响了社会的和谐发展。
早期的车牌固定是用两个普通的螺丝将车牌固定之后用一个防护帽扣在外面防止螺丝外露,螺丝防护帽是铝、普通钢和塑料制品,只能紧固,不能防盗、防卸,用螺丝刀一撬就脱落,不能防止车牌被盗。这些车牌防盗装置绝大部分都是机械式的,它们的共性是增加了车牌被撬的难度,没有任何报警装置;还有的车牌报警装置是当车牌发生松动或车牌被拿下之后发出报警声音,只是起到警示作用。如果车主不在现场,会很难得到车牌被盗的报警信息,这种报警装置没有真正意义上向车主报警。
基于GSM的新型智能车牌报警系统是以单片机为核心控制器,能通过霍尔效应数字传感器感应车牌螺丝防护盖的松动,进行现场报警,能通过现有的GSM网络向车主发送报警信息。该新型智能车牌防盗报警装置具有智能化、实时性、远程通讯、结构简单、安装方便等优点。
1 系统原理设计
系统工作原理:汽车共有2个车牌,每个车牌需要用2个螺丝固定,这样就会有4个螺丝防护帽,在固定车牌的每个螺丝防护帽里面贴上一个小的强力磁铁,在车壳的里面紧靠着防护帽的地方放置一个全极性霍尔开关,当扣帽没有脱落时,全极性霍尔开关是开的,当车牌固定螺丝的防护帽脱落时,霍尔开关会因为磁场的消失而关闭,产生一个脉冲。当单片机接收到这个脉冲时,现场报警模块发出报警声音,同时GSM模块将拨通车主的手机进行报警。如果车牌固定螺丝已经采用了机械式防盗螺丝,车主将会有充足的时间赶到现场而避免车牌被盗,即使车牌使用的是普通的紧固螺丝,当第一个扣帽脱落时,车主也有足够的时间赶到现场而避免车牌被盗。该新型车牌防盗报警装置的原理框图如图1所示。

图1 系统原理图
2 主要硬件设计
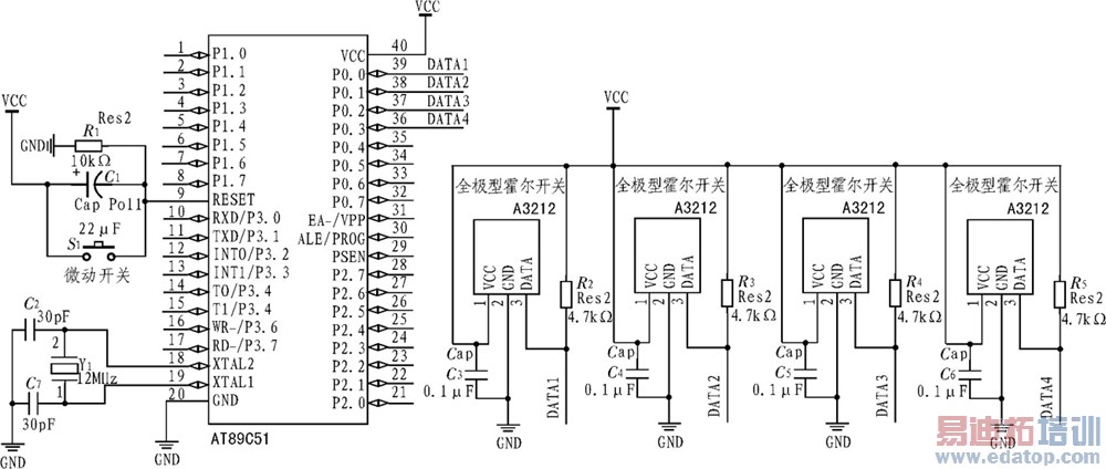
2.1 传感器模块选择及连接电路
传感器使用的是4个低功耗、高灵敏度A3212全极霍尔效应数字传感器,它是美国AllegroMicrosystems公司生产的一种霍尔开关型传感器,它具有工作电压低,数字锁存输出等特点。它与其他霍尔效应开关不同,只要存在强度足够大的北极或南极磁场,这些器件就能打开不需要接触,而在没有磁场的时候,输出会关闭,具有结构牢固,体积小,重量轻,寿命长,安装方便,功耗小,频率高(可达1 MHz),耐震动,不怕灰尘等优点。图2为全极霍尔效应数字传感器和AT89C51的链接原理图。

图2 传感器链接图
2.2 传感器安装
在图4中,螺丝防护帽中粘贴上一个磁铁,然后在车壳里面装上传感器,由于前车牌安装的部位是非铁磁性材料,后车牌安装的部位有的是铁磁性材料,有的是非铁磁性材料。如果后车牌安装位置是铁磁性材料,为了传感器能检测到磁信号,在后面车壳上钻一个小的通孔来保证此信号能被传感器检测,如图3(a)所示,如果是非铁磁性材料安装如图3(b)所示。

图3 传感器安装示意图
2.3 其他硬件模块设计
中央控制器模块采用AT89C51单片机,显示模块采用12232液晶屏,按键模块采用矩阵式键盘,本电路中矩阵键盘采用4x4矩阵式键盘,它采用4条I/O线作为行线,4条I/O线作为列线组成的键盘,在行线和列线的每一个交叉点上,设置一个按键,这样键盘中按键的个数是4x4个,这种行列式键盘结构能够有效地提高单片机系统中I/O口的利用率;现场报警模块,采用的是12 V驱动电压的蜂鸣器;通讯模块,采用的是TC35远程通讯模块,它可以利用GSM网络将报警信息发送给车主。单片机AT89C51的复位电路,采用按键复位,时钟电路采用外部振荡器电路。
3 系统软件设计
在新型智能车牌防盗报警装置系统程序流程图如图4所示,主程序流程为各模块的初始化--传感器模块的实时监测一现场报警--液晶显示--GSM通讯模块发送车牌紧固螺丝脱落的报警信息。

图4 程序流程图
4 结束语
基于GSM的智能车牌防盗报警装置有如下特点:1)能够实时的监测车牌紧固螺丝的松动;2)本装置能够利用现有的GSM网络实现远距离的报警;3)本装置利用单片机作为控制系统智能化高;4)结构简单、方便安装、成本低廉等。该系统对促进国内车牌或相关设备设施的防盗研发具有积极的意义,有一定的应用价值。
作者:孙达松 胡志强 钱淑娴 来源:电子设计工程
免责声明:本文仅代表作者个人观点,与C114中国通信网无关。其原创性以及文中陈述文字和内容未经本站证实,对本文以及其中全部或者部分内容、文字的真实性、完整性、及时性本站不作任何保证或承诺,请读者仅作参考,并请自行核实相关内容。


