- 易迪拓培训,专注于微波、射频、天线设计工程师的培养
无源中继器在地下通信的应用
摘 要:介绍了在地下空间无线通信领域所存在着的无源中继器通信技术以及研究其重要意义,分析了地铁中所使用的漏泄电缆系统损耗中耦合损耗的特性; 重点用试验数据和图表介绍,在城市地铁项目( 或地下隧道、矿井、地下指挥场所、人防工程等) 无线通信系统中,在一定条件下使用无源中继器替代漏泄电缆实现地下空间场强覆盖的可行性和带来的经济效益。
0 引言
分析现在地铁中使用的泄漏电缆系统损耗参数,发现漏泄电缆的系统损耗中耦合损耗占了大部分,而且它与传输距离无关。当传输距离一定长后,虽然漏缆内部的信号电平还足够强,但由于耦合损耗的存在,使得泄漏到空间的信号电平已经降低到可用值以下,浪费了很多信号功率。一种理想的漏缆方案应该是随离开信号馈入端距离的增加,漏缆的耦合损耗相应变小,这样就能充分利用信号电平,延伸漏缆的覆盖距离。由于受制造工艺的限制,目前还难于作到这一点,为了达到一定的覆盖范围要求,必须插入有源中继器把电平提升到一定的高度才能延长覆盖距离。
如果用一种新的辐射系统来代替泄漏电缆的耦合系统,这种辐射系统的辐射损耗要比泄漏电缆的耦合损耗小,那就可以在不使用有源中继器的情况下覆盖给定的要求,这个替代泄漏电缆耦合系统的辐射系统就是无源中继器。
无源中继器( Passive Repeater Site) ,采用多重分集接收及调相技术; 理论计算与实测数据证明: 在地下( 包括矿井、地铁隧道等) 通信中,在一定条件下可以用无源中继器替代漏泄电缆进行弱场区场强覆盖。
1 无源中继器技术
在非行车状态,延伸中继覆盖范围不存在什么问题,关键是要能在地铁隧道处在行车状态下延伸覆盖范围。因为隧道处于行车状态,即堵车状态时,横截面面积大大变小,这时传输损耗大大增加,无源中继器基于电波在隧道中传播特性及自身的多重分集接收及调相技术,充分利用堵车时的横截面积,从而减少堵车时的传输损耗,实现对隧道无线场强的覆盖。
1. 1 技术指标WZ- 1 无源中继器主要技术指标
①工作频段:150/ 450/ 800/ 900/ 1800 MHz;
②部件传输损耗:小于2 dB;
③占宽系数:不大于25 mm;
④重量:不大于5 kg ( 平板激励器重量与频段有关,450 MHz 时为小于500 g) ;
⑤使用环境条件: 温度:- 10~ + 60 ℃ ,湿度:90% ( + 20 ℃ ) 。
1. 2 工作流程
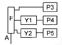
无源中继器由分路合路器、移相器、平板激励器等部件组成。它依据堵车时隧道中波导型波传输系数与隧道横截面大小的关系,在隧道和机车上同时安装无源中继器,能有效利用隧道的有效空间。从而实现电波在地下空间中具有最小的传输损耗,达到在隧道中通信的目的。无源中继器的工作流程如图1 所示。

图1 无源中继器的工作流程图
当通信设备发信机工作时,信号经低损耗电缆A 送到分路合路器F,利用分路功能将信号分成3路,一路信号直接输入平板激励器P3; 另2 路信号通过移相器Y1、Y2 后分别输入平板激励器P4、P5;此时,由平板激励器P3、P4、P5 在隧道的左右和上部空间激励出电磁波,而这些波在这3 个空间各自沿着自己的方向反射前进; 完成对隧道空间的场强覆盖。
2 测试技术及测试数据
从无源中继器输入接口通过一根2 dB 衰减电缆( 模拟从漏缆分路器到中继器的电缆衰减) 连接到信号源输出接口,信号源提供测试信号,用场强计分别测量避车线不同地点的场强。如图2 所示。

图2 测试技术示意图
信号源输出功率: + 10 dBm;测试频率: 818MHz 和862 MHz;调制信号频率: 1 kHz;信号源型号: HP8648C 1 台;场强计: 1 台。
2. 2 测试数据
测试人员携带场强仪沿无源中继器信号覆盖方向对其进行测试,先将场强计计量单位设置为dB V,每到固定点进行记录,然后,将输入功率由+ 10 dBm转换成最小值0 dBm,将场强计测试数据的计量单位dB V 转换成dBm,实测数据整理后如表1 所示。

表1 实测场强数据
作者:杨卫华 万国华 来源:无线电通信技术


