- 易迪拓培训,专注于微波、射频、天线设计工程师的培养
基于FPGA的MⅢ总线与RS422通信协议转换板的设计
3.3 总线接口控制单元
总线接口控制单元的主要功能是MIII总线地址和数据的收发、转换、寄存以及接口控制信号和驱动信号的产生等。总线接口控制单元可以基于FPGA嵌入IP软核的SOPC系统来实现。SOPC是一种特殊的嵌入式系统,它是片上系统(SOC),即由单个芯片完成整个系统的主要逻辑功能,但它不是简单的SOC,它也是可编程系统,因而具有灵活的设计方式,并可在FPGA中植入软核处理器。也可以根据设计要求,利用相应的EDA工具来对NIOS II及其外围设备进行构建,以使该嵌入式系统在硬件结构、功能特点、资源占用等方面全面满足系统的设计要求。此系统的开发工具采用Altera公司推出的Quartus II系列软件。FPGA采用Altera公司生产的Cyclone II系列的EP2C40芯片,此芯片采用TSMC验证的90nm低K介电质工艺制造的成本优化架构,并具有更多的特性和非常大的容量,以及很低的单位逻辑单元成本,故可满足系统要求。
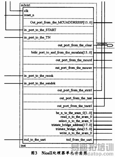
(1)Nios II处理器
Nios II处理器主要负责解析从RS422串口接收的控制命令,以控制总线转换器,使其按照设定的工作模式运行;同时,该处理器还实时打包接收到的MIII总线数据,并通过RS422串口上传至PC机,实现PC对MIII总线信息的获取。采用QuartusII软件SOPC Builder生成的Nios II处理器单元如图3所示。

具体工作时,当数据流向为RS422串口到MIII总线时,NIOSII处理器可将数据从RS422串口接收缓冲存储器中读出,并输出至MIII总线发送缓冲单元中,同时还将数据发送到外部的SRAM中进行存储;而当数据流向为MIII总线到RS422串口时,其方式其之类似,其不同点是由于MIII总线的传输速率远大于串口的传输速率,因而要插入相应的等待和协调控制信号。
(2)MIII总线收发
MIII总线收发功能则独立于Nios系统。它充分利用FPGA可灵活配置的特点,并用VerilogHDL语言实现MIII总线的实时性和可靠性要求较高的关键部分,然后模拟MIII总线的逻辑功能,最终实现MIII总线数据、地址的收发以及与Nios系统通过自定义的接口实现通讯。MIII总线的信号时序如图4所示。

作者:张 晓 王 磊 陆 敏 来源:国外电子元器件


