- 易迪拓培训,专注于微波、射频、天线设计工程师的培养
基于PCI Express总线的高速数据传输卡设计与实现
2.2.2 电路设计
从图2可看出,采用PEX8311的接口设计在逻辑上可分为3个功能模块:PCI Express接口部分、EEPROM部分和本地总线部分。
(1) EEPROM部分
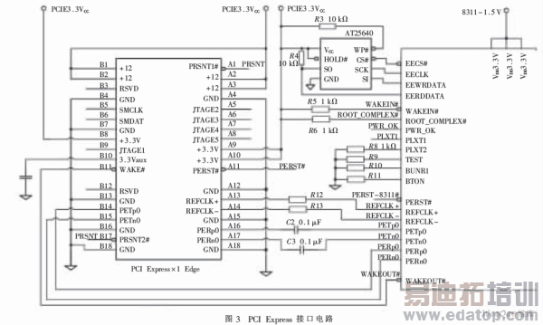
PEX8311提供两个串行EEPROM接口,在系统上电后读取配置信息。SPI串行EEPROM是PCI-Express的配置EEPROM,它主要用来控制PCI Express的性能。SPI串行EEPROM可以用来预配置片上8 KB共享缓存,用1、2或3字节地址PEX8311可支持容量达到16 MB的SPI串行EEPROM。本设计中使用容量为64 KB的AT25640器件。MicroWire串行EEPROM是本地配置EEPROM,它用来控制本地总线行为,并分配合适的地址范围。配置器件可直接与PEX831l相连。
(2) PCI Express接口部分
PCI Express接口部分的信号线可以直接与PCI Express连接器(俗称金手指)连接。其中,REFCLK±是一组差分时钟,它由系统主板提供。两个参考时钟都要求保持在正常工作频率100 MHz ±300 Hz之内。PRSNT1/PRSNT2信号线用于检查附加卡是否插入连接器。此次设计中将PRSNT1和PRSNT2相连,这样当接口板插入到PCI Express连接器时就能进行存在检测。原理图如图3所示。

(3) 本地总线部分
LOCAL端具有32位数据总线宽度和66 MHz时钟频率,PEX8311支持三种LOCAL总线接口模式: C模式、J模式和M模式, 可方便与多种微处理器连接。接口模式由MODE0和MODE1两管脚确定。实际中常用的还是时序逻辑相对简单的C模式, 即非复用的地址/数据总线模式。PEX8311支持三种局部总线数据传输模式:单周期模式、四周期突发模式、连续突发模式。
DMA传输数据使传输任务从主控设备中解脱出来,由短且有效的传输描述符来承担,让主控设备可以有时间去处理其他事件。PEX8311有两个DMA通道,可以同时处理两侧总线上要求的传输,免去外部设备的等待。另外,DMA传输可以与主模式和从模式传输同步操作,但后两者比DMA传输优先级高。考虑到DMA传输有以上优点,本设计中PCI Express接口部分采用四周期突发模式DMA块传输模式,LOCAL总线接口采用C模式。
2.3 FPGA逻辑控制
在本设计中FPGA采用了Altera公司的CycloneII系列的 EP2C20F484芯片,这款芯片具有484个IO引脚,其中可用IO引脚315个,具有68 416个逻辑单元,有1.1 Mbit的RAM可利用,可变的端口RAM配置×1,×2,×4,×8,×9,×16,×18,×32和×36。对EP2C20F484芯片配置可以使用EPCS4、EPCS16。在本设计中采用EPCS4对EP2C20F484芯片配置。其配置原理图如图4所示。

在上面的配置原理图中有两个下载口:一个是JTAG下载口,一个是AS下载口。其中JTAG下载口是用来下载.sof文件的,下载.sof文件后可以使用quartus II 6.0的逻辑分析仪进行在线调试;另一个下载口是下载.pof文件的,其作用是把程序烧写进EPCS4配置芯片,在FPGA每次加电开始工作之后,把程序导引到FPGA的内部RAM中,使器件实现设计者要求的逻辑功能。
来源:维库电子网
上一篇:接入网IPv6部署
确保过渡技术平稳着陆
下一篇:联想网御:保障IPv6网络安全


