- 易迪拓培训,专注于微波、射频、天线设计工程师的培养
嵌入式模数转换器的原理及应用
录入:edatop.com 点击:
其中,RIN为输入模拟信号内阻,VS为输入模拟电压信号,RSH为模拟多路开关与采样开关的等效电阻,VSH为采样电容的充电电压,由等效电路可以看出,输入模拟信号内阻越大,则采样电容充电时间越长,因此,对于采样频率要求越高的场合,要求模拟输入信号内阻必须越小,在应用时必须首先估算在规定的采样频率下,对模拟输入信号内阻的要求。
由电路理论可以求得RIN所允许的最大值(假设采样时间为T):

如果信号源内阻达不到要求,则需使用一个输出阻抗很小的缓冲器,例如可以使用电压跟随器,使信号源的输出阻抗达到A/D转换器所要求的输入阻抗的范围之内。
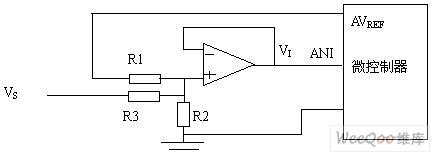
2.2 模拟信号极性及幅值的变换
在数据采集系统中,采集的模拟信号并非都是非负单极性信号,经常是双极性信号,因此在使用嵌入式A/D转换器的时候,需要对模拟输入信号进行极性转换,我们可以采用运算放大器组成的线性网络来对其极性及幅值进行转换,但须注意的是在引入线性网络的同时,又引入了一定量的非线性误差,其线性网络原理图可用下图表示:

图2 线性网络原理图
来源:维库开发网
上一篇:全网IP化带来的运维挑战及应对策略
下一篇:VoIP技术之VoIP的原理及技术


