- 易迪拓培训,专注于微波、射频、天线设计工程师的培养
从G-PON到10G-PON:平滑演进 全面升级
摘 要 G-PON是遵从于ITU-T G.984.x标准的宽带无源光网络接入技术。凭借其高带宽、高效率、多业务统一支持、良好的互通性和可管理性等诸多优点,它正被越来越多的主流运营商所青睐,并被视为FTTx(特别是FTTH)的理想解决方案。
然而,随着PON网络规模应用的蓬勃发展和全业务运营的快速展开,在保护现有投资的同时,人们对PON系统在带宽需求、业务支撑能力、接入节点设备和配套设备性能等方面都渐渐提出了更高期望。由此,G-PON如何向下一代系统演进,备受业界瞩目。
在全球各大运营商以及包括华为在内的主流设备商等的踊跃参与、共同努力和积极贡献之下,FSAN/ITU-T于2010年6月完成了NG-PON的相关标准工作。在业界翘盼之下,可由G-PON平滑演进而成的10G-PON系统终于揭开了神秘面纱,正式进入了人们的视线。
1、引言
完成G-PON技术标准之后,FSAN/ITU-T即以"低成本、高容量、广覆盖、全业务、高互通"为演进目标,迅速铺开下一代PON的技术标准工作。
从运营的角度来看,"超宽带、可共存"被认为是G-PON继续演进的第一原则:一方面,运营商要实施以增加营业收入为目的从而拓展新业务的战略目标,以引发带宽消耗的强劲增长;另一方面,运营商顾虑到PON系统整体的巨大投资、漫长的回报周期(PON ODN和终端投资是整网投资中的关键部分),尽全力保护其ODN投资,最大化用户终端价值。
鉴于此,FSAN/ITU将G-PON之后的下一代系统定义为一个与G-PON共存并能由原G-PON平滑升级而成的新系统,着眼于研究和制定出既能兼顾现有G-PON ODN敷设和继承现有G-PON协议基本机制,又能全面提升系统容量和协议效率的"后G-PON时代"标准:这就是本文所描述的10G-PON标准系列——基于共存的平滑演进和全面提升。
2、10G-PON基本形态 – 通过WDM堆叠与G-PON轻松共存
如前所述,考虑到对运营商已布放光纤系统的充分保护,10G-PON的ODN必须完全沿用G-PON的网络拓扑,重利用现有G-PON网络已投放的光纤、分路器等:首先保障与G-PON的共存,进一步通过在OLT侧增加支持10G的接口板并替换ONT/ONU以完成从G-PON向10G-PON的平滑演进。
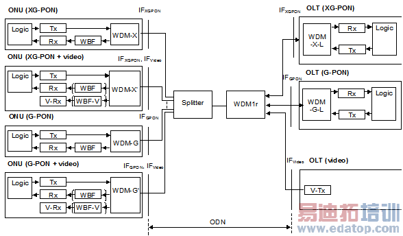
为实现与G-PON在同一ODN上的共存,10G-PON采用了不同于G-PON的上/下行波长规划,借此通过波分堆叠的方式(通过在局端放置WDM1r器件,结合终端前置或嵌入的WBF器件,在上/下行方向分别对多个工作信号进行合波/分波)实现10G-PON和G-PON的兼容。如图 1所示:

图 1 10G-PON和G-PON通过WDM1r共存的网络配置
在共存基础上,10G-PON进一步提供了平滑演进的实现:升级时,运营商可选择仅对本ODN上的部分用户设备逐批次升级或将全部用户设备一次性更换为下一代设备。两种升级方式的不同之处在于G-PON与10G-PON系统共同存在的时间长短。为实现从G-PON到10G-PON的升级,所有ONU以及OLT须严格遵循ITU-T G.984.5amd1(扩展波段)所规范的波长计划。
3、10G-PON物理层 - 整体扩容
业界对"后G-PON时代"系统的最基本需求是要提供比G-PON更高的数据传输速率。因此,10G-PON的标准规格是下行10G,上行2.5G,上下行平均带宽比G-PON分别提升4倍和2倍。除此之外,相比于G-PON,10G-PON在分支比、光功率预算以及传输距离等物理规格方面也均有明显提升,如图 2所示。

图 2 G-PON与10G-PON的物理层规格对比
4、10G-PON传输汇聚层 – 沿用基本机制,功能强化,效率提升
TC层是TDM PON系统的核心构成部分。通过三大关键技术点(成帧、动态带宽分配和激活),它全面保障了多点接入的有效实现。10G-PON的TC层尽量沿用了原G-PON TC层的基本机制,并以此为基础进行了必要的改良和充分的完善。
为适配10G速率以及方便芯片实现和提升处理效率,10G-PON对成帧结构进行了较多细节改进,使数据分片更少拼接,更易对齐;DBA基本机制保持不变,分配灵活度进一步提升;激活过程与G-PON保持一致;物理层管理消息系统进一步简化,健壮性等有所增强。并且,随着运营商需求的逐步明确,相比于G-PON,10G-PON在安全和节能方面都有明显扩充。
安全性方面,10G-PON不仅在TC层激活过程中就完成了对终端设备的认证,同时也完善了正常工作状态下的密钥切换流程,并提升了密钥切换流程的健壮性。除此之外,10G-PON还提供了上行加密、下行组播加密等新的可选的额外安全保障机制。
节能历来是个争议话题。在G-PON时期,ITU-T开发了G.sup45(即G-PON节能白皮书)作为PON节能指导资料。该白皮书以由不同程度的节能模式构成的ONU节能状态机为核心描述了芯片级节能技术。随着世界范围内节能呼声的渐渐高涨,以G-PON节能白皮书为蓝本再加以筛选和改善,10G-PON选择了"假寐"(doze mode)和"周期性睡眠"(cyclic sleep)两种作为标准的节能模式。其中,假寐模式为必选实现,周期性睡眠为可选实现;两者的区别在于,前者仅关闭了ONU的发射机,而后者则同时关闭了发射机和接收机,是更深层次的睡眠技术。
5、OMCI – 协议普适化,天然可互通
OMCI是ITU-T TDM PON系统中的设备和业务的管理和配置协议。它是一种带外管理协议(即,协议报文承载在有别于普通数据的特定GEM连接中)。经由专门的OMCC通道,OLT通过模型化方式对ONU进行管理和配置。OLT与ONU之间通过交互MIB(Management information base,管理信息库)信息来建立和维护OMCI模型。OMCI的管理配置内容包括对ONU设备的配置管理、故障管理、性能管理和安全管理。
从协议层次来讲,OMCI处于ITU-T TDM PON协议栈的最高层,受具体底层技术变化的影响最小,可继承性最强。从管理项及其配置方式来看,10G-PON与G-PON没有区分,甚至上溯到A/B-PON时代,OMCI的管理和配置内容也都基本一致。因此,ITU-T提出了Generic OMCI概念,即认为其TDM PON系列最终只需要一个普遍适用的OMCI标准。这个概念一经提出立即获得了业界的广泛认可和支持。"通用OMCI标准"的ITU-T标准编号为G.988,表示着它独立于特定的PON系统之外。G.988几乎完全采用了原G.984.4的内容,弱化了与底层技术特征强相关的个别描述,进行了少量内容增减和文字修订,使之更加普适化。
在OMCI互通方面, FSAN于2008年初成立了OISG(OMCI implementation study group,OMCI实现研究小组),专门研讨和制定G.984.4 OMCI互通技术规范。该协议规范了OMCC通道建立、ONU设备上线后的MIB刷新、MIB/告警同步、软件版本升级、2层业务配置、组播配置以及QoS管理等。ITU-T分别于2008年12月和2009年10月发布了该技术规范的第一版和第二版,其标准编号为G.impl984.4,又称OMCI实现指南。此后,FSAN以此为互通指南蓝本写作互通测试用例,在2009年以及2010年上半年总共进行了3次互通测试。在2010年上半年互通测试完成后,FSAN认为G-PON互通性良好,随即开始启动10G-PON的互通测试活动计划。
可以预见的是,在10G-PON时代,G.OMCI得益于与G.984.4的全面后向兼容,几乎可以直接采用G.impl984.4作为其互通规范,因此,这就意味着10G-PON天然具备了继承自G-PON的良好的设备和业务管理和配置层的互通性。
6、10G-GPON标准主体完成 - 业界齐努力,华为贡献多
上述各个10G-PON主体技术已先后在ITU-T SG15 Q2落地。
2009年10月,ITU-T SG15通过了10G-PON的总体需求(G.987.1)和物理层规范(G.987.2),这两个规范于2010年3月正式对外公示,正式开启了NG-PON标准时代的大门。随后,2010年6月的ITU-T SG15全会表决并通过了10G-PON传输汇聚层(G.987.3)和通用OMCI标准(G.988)两个文本,近期内也即将正式公示,这标志着10GGPON标准主体的初步完成。由G.987系列以及G.988所规范的10G-PON技术充分体现出FSAN/ITU-T对后G-PON时代的PON系统在共存、升级和功能/性能拓展方面的期望,是脱胎于G-PON并且基于纯TDM 技术的PON的高级形态。
10G-GPON主体标准的制定过程得到了业界主流运营商(包括AT&T、NTT、法国电信、意大利电信、葡萄牙电信、德国电信、西班牙电信、Verizon、英国电信、中国电信、中国移动、中国联通等)和主要的设备厂商、芯片厂商、光模块厂商积极推动和大力支持。
ITU-T SG15主席在ITU-T全会后提到,在整个10G GPON标准制定的进程中,很多厂家给他留下了深刻的印象,特别是华为在这一过程中体现出了重要的推动力和组织力,做出了较大贡献。华为不仅是最积极最权威的技术建议贡献者,也是FSAN 10G-GPON白皮书的主要编辑之一,并且担负着ITU-T SG15 Q2的大会报告人和GPON/10G GPON标准编辑的重要责任;不仅主导编写了FSAN白皮书和标准本身(G.987和G.988系列),而且在中国两次成功主办了FSAN/Q2会议。他希望通过华为这样的表率作用,使越来越多的厂家意识到国际标准工作的重要意义,使他们能更加踊跃加入FSAN/ITU-T,与国际标准制定工作亲密接触,从而共同推动接入技术标准的进一步发展。
来源:C114中国通信网
上一篇:拉丝张力是决定光纤性质的关键因素
下一篇:光纤接口适配器的研究与实现


