- 易迪拓培训,专注于微波、射频、天线设计工程师的培养
电力载波通信控制终端设计
录入:edatop.com 点击:
电力线载波(PLC)通信是指利用现有电力线,通过载波方式将模拟或数字信号进行传输的技术。然而,以下缺点导致PLC的主要应用——“电力上网”未能大规模应用。
配电变压器对电力载波信号有阻隔作用;
三相电力线间有很大信号损失(10~30dB);
不同信号耦合方式对电力载波信号损失不同;
电力线存在固有的脉冲干扰;
电力线对载波信号造成高削减。
技术问题未来有可能被克服,但是从目前国内宽带网建设的情况来看,留给PLC的时间和空间并不宽裕。家庭智能系统的研究给PLC带来了新的机遇。该系统以PC为核心实现家电的智能控制。因为数据仅在家庭范围传输,束缚PLC应用的五大困扰将不复存在,远程对家电的控制我们也能通过传统网络先连接到PC然后再控制家电方式实现。该系统中要求家电与PC通过电力线通信终端连接完成数据传输功能,该终端技术上要求能够在电力线环境下稳定传输数据,具有较强抗干扰能力。
本文所介绍的系统通过扩频通信技术来克服干扰,采用SC1128设计电力载波通信控制终端,载波频率为250kHz,带宽为100kHz,4周波调相,数据速率1kb/s,可实现低压电力线的通信功能。
电力载波modem芯片的选择
国外较早对电力线载波通信技术进行了研究,多家公司推出了自己的电力线载波modem芯片。目前市场上先进的电力载波modem(调制/解调)芯片主要有Intellon公司的SSCP300芯片和Echelon公司的PLT-22芯片。其中SSCP300采用了扩频(Chirp方式)调制解调技术、现代DSP技术、CSMA技术以及标准的CEBus协议,可以称为智能modem芯片,体现了modem芯片的发展趋势。但SSCP300在国内电力线载波领域使用效果并不理想。其主要原因是该芯片是按北美地区的电网特性和频率标准设计的。而PLT-22主要针对工业控制网而设计,采用BPSK调制解调技术以及多种容错及纠错技术,所以目前在我国应用效果最理想。但它是Lonworks网络专用,而且价格太高,难以在民用市场大规模推广。
在该系统中我们选择由北京智源利和微电子技术有限公司设计开发的电力线载波调制芯片SC1128,该芯片专门针对中国低压电网特性而设计,是一款适合中国低压电网特性的数据传输专用芯片。该芯片采用CMOS技术设计的数模混合专用电路,应用先进的扩频通信技术和调制解调技术,是面向低压电力线低速率通信市场需要的专用扩频modem芯片。相对前面介绍的两款芯片,SC1128价位较低,可以为民用市场所接受。由于采用了直接序列扩频、数字信号处理、直接数字频率合成等新技术,该芯片应用在电力线通信方面具有较强的抗干扰及抗衰减性能。其电路内部集成了扩频器、DAC和ADC、输出驱动器、输入信号放大器、工作电压检测器、看门狗电路、串/并接口电路,使得该芯片在多功能小型系统应用中可以降低系统的成本,提高系统的性能。其发射信号以两种形式输出:一种是经DAC后从正弦缓冲器输出,谐波成分少;另一种从高压开漏缓冲器输出。该芯片含有的输入信号放大器可对输入信号进行前置放大;内置看门狗电路监视系统程序的工作状态;内置电压监测器可监测电源电压的变化,并及时向系统发出报警信号;内置电子表电路(24小时制)可满足不同时间段计费率的要求(支持掉电工作);内置串行半双工同步传输通信接口,方便与MCU之间的控制命令和数据交换;采用63位扩频码,数据速率典型值为6.0kb/s(最大20kb/s);捕获门限值200~6290,由软件设定;内置64×8 SRAM存储器(支持掉电工作),为系统提供数据暂存。
系统硬件设计
1 系统硬件结构
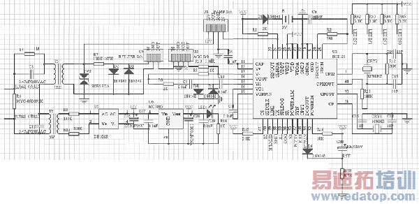
本系统硬件结构主要包括电力线耦合部分、信号接收电路部分、信号发射电路部分、电力线信号调制/解调部分、单片机控制部分及数字信号接口部分(包括键控接口和串行通信接口)。硬件结构框图和电路图如图1、图2所示。


2 耦合电路部分设计
耦合电路是载波信号的输出和输入通路,并起隔离220V/50Hz工频的作用。该电路设计时需考虑电力线路侧的阻抗特性,图2中T5为信号耦合变压器,电力线路侧阻抗一般取3~30Ω。然后确定线圈初次级的匝数比或阻抗比,本设计取12/21,最后设计功率放大器的输出匹配电阻。输入通道接一个浪涌保护二极管TVS,经电阻隔离后接二极管钳位电路输出给接收电路部分的前级滤波器。变压器T5实现了高压与低压的隔离。因为载波的频率比较高(100~400kHz),远远大于电网的频率,这样就使载波信号畅通无阻,而能够隔断高压。电容C8阻断低频高压,阻止变压器饱和;电阻R5取值可稍大些,本设计中取1MΩ,作用是在离线时使电容放电,防止在设备插头的两端出现高压。TVS是瞬变抑制二极管,它可以有效地避免后面电路被高压击穿。D1、D2也是为防止高压击穿放大电路而设计的。电力线上的设备接入或者是断开,都有可能引起尖峰脉冲,并导致收发电路的永久损坏。所以高压保护措施是至关重要的。除了电力线上会产生高压脉冲破坏器件以外,当设备刚刚接上电源时,如果电力线刚好处于电压的最大值,而此时电容上的电压为0,会有300V(220V有效值,最大值311V)的高压直接加在变压器两端,引起很大的电流,从而在次级产生尖峰脉冲。这个脉冲的电流相当大,可达几十安培到上百安培,采用一般的稳压管无法消除这个脉冲。压敏电阻的响应比较缓慢,在出现脉冲的1μs之内仍然有几十伏的电源,足以烧坏放大电路。实验表明,这种刚刚接入电路时的瞬态脉冲所产生的破坏力相当大。但是它的电流虽然很大,能量却不是很大。采用瞬变抑制二极管1.5KE6.8CA响应时间是5ns,能够吸收200A电流,瞬态功率可达1500W。可以简单地把它看作一个具有强大吸收电流能力的稳压二极管,但它的动态电阻比较大,所以还需要D1和D2这两个肖特基二极管进一步把电压钳位在电源电压左右。
3 信号接收部分电路设计
信号接收部分设计包括前级滤波器设计与增益放大器设计。滤波器为带通滤波器。其作用一方面将带外杂波滤除,另一方面保证前后级之间的阻抗匹配,以达到顺利传递信号的目的。由于主晶振的工作频率不同,载频也不同;调制周波数和数据传输速率不同,带宽也不同。因此,滤波器的参数在主晶振频率不同时也将有所变化的。这部分电路设计值与本终端适应,数据速率1kb/s、四周波调制、250kHz载频,带宽为100kHz(200~300kHz)。这部分增益放大的目的是将滤波后的信号不失真的放大75倍以上,以达到本级增益30dB以上的要求。需特别注意小信号的不失真。
4 信号发射电路部分设计
信号发射部分主要为功率放大电路设计。此级功率放大是将SC1128第24脚的高压开漏输出转换成功率输出。该脚输出时应接一个不小于1kΩ的上拉电阻,其灌入电流不要超过4mA,并有不低于3V峰-峰的信号电压输出。功率放大器本身工作在开关状态。由于正常地发射时间很短,所以在选择三极管参数时应该注意其功率参数(测试时应注意工作时间不能太长,以避免损坏功率放大器的输出三极管,整板测试时可以串一个电阻,不过此时输出波形和功率将受影响)。
5 SC1128与微控制器接口
系统微控制器采用W77E58,它是中国台湾的华帮电子公司(WinBond)推出的高速、高集成、增强型MCS-51系列高性能单片机,是一个快速、高性能、功能丰富、高集成度的8位8051兼容微控制器,适合各种智能控制系统开发。SC1128的第28脚为电路二分之一主晶振输出(其峰-峰值约为4V),近似正弦波,该系统中主晶振为16MHz,且单片机晶振由28脚引入,即单片机晶振频率8MHz;32脚为电压监测端,该端需接5kΩ上拉电阻与5V电源相接;33脚为看门狗输入端,正常工作时应该在768ms内产生一次高低电位变化;34脚为看门狗输出端,与33脚配合,正常时输出低电平,否则输出1/3占空比的复位脉冲;35脚为电源报警输出端,与32脚电源监测输入端配合使用,当电源监测输入端监测到的电源信号低于监测值时,输出为低电平。当电源监测输入端监测到的电源信号高于监测值时,输出为高电平;36脚为收发控制端,0为接收,1为发射;37脚在发射和接受同步后产生同步脉冲信号,频率随工作主时钟和周波的变化而变化;38脚发送和接收数据;39脚为设置数据及状态的输入输出端;40脚为同步设置时钟输入端,使SC1128芯片与单片机信号同步;41脚为片选输入端,低电平芯片使能,为保证芯片正常工作,在设计中将其接5.1kΩ上拉电阻。数据收发流程如下:发射状态时,单片机将SR端(36脚)置高,SCl128芯片发出同步头(37脚),单片机通过TX端(38脚)同步发送数据;接收状态时,单片机将SR端(36脚)置低,SCl128芯片若接收到数据,则产生同步头,通过TX端(38脚)将数据同步发送到单片机。SC1128与W77E58的连接如图3所示。

软件结构及SC1128芯片参数设置
该系统软件流程如图4所示,其中对SC1128芯片参数设置是程序关键部分,直接决定系统通信的信号收发过程及通信速率。

微控制器对SC1128芯片的设置是通过该芯片CS端(设置片选输入端)、SETCLK(同步设置时钟输入端)和LINE(设置数据及状态的输入/输出端)三端进行的。芯片设置(读或写)采用统一的数据格式,即每次读或写都是由2字节(控制字和数据位)完成的,其格式说明如图5所示。

单片机对电路设置(读或写)时要向电路的CS端给出低电平,再由SETCLK端向电路发出同步脉冲,在同步脉冲的控制下首先向LINE端串行给出8位控制字,即先由高到底分别给出6位(A5~A0)地址,再给出读/写控制位(第七位)和空操作位(第八位);然后再给出8位数据。特别要注意的是LINE端为双向端口,当MCU给出的8位控制字中的第七位(读/写控制位)为0(读操作)时,电路将在SETCLK的第七个脉冲的下降沿把LINE端由输入状态变为输出状态,因此MCU在对电路进行读操作时一定要在SETCLK的第七个脉冲的下降沿之前将MCU端的输出(与电路的LINE相对应的端子)状态改为输入状态。
由于控制字的地址A5~A0只有6位,因此可寻址范围是64。SC1128芯片电路内部实际上只有60X8位SRAM,其地址范围000000~111011。另4字节分别是保留寄存器、工作状态寄存器、内部电子表的低8位和高8位。对电路内部60X8位SRAM的读写操作同样是按照图5的格式先给出地址再给出读或写操作位和空操作,最后给出写入SRAM的数据或读出SRAM内的数据。SRAM支持掉电工作方式,若系统出现掉电情况则在芯片VDDT电源端的维持下可以保持SRAM内的数据不丢失。因此可为小型应用系统提供数据暂存,避免系统意外掉电而丢失一些关键数据。其中地址为111101工作状态寄存器的每一位分别控制着电路不同的工作状态,具体格式如图6所示。

对工作状态寄存器的设置可以得到多种工作状态。如通信速率快慢和捕获门限的大小。工作状态寄存器的S1和S0是控制通信速率快慢的,由这两位可以选择不同通信速率值。工作状态寄存器的D4~D0是控制捕获门限设置值的。在使用中可根据通信环境的实际情况来选择不同的捕获门限值以达到比较好的通信效果。在设置捕获门限值时要特别注意与通信速率值的配合,否则将因为设置的捕获门限值过大而出现无法同步的结果。
通信测试
实际通信测试系统包括一对结构完全相同的信号发送板和信号接收板,通过220V低压电力线相连,两板连接时零线与零线接,火线与火线接。发送板通过板上按键开关或串行口发送不同控制数据,控制接收板LED显示不同数据或通过串口读出所发送数据。经试验室检测该系统能够实现正确的通信功能。在实际应用中要注意发收双方的通信速率一致,即周波数要一致,另外门限值只对接收一方有意义,门限值的高低将影响到通信的误码率,但并非是门限越高就一定越好。要根椐通信情况和相应的速率适当选择。
作者:重庆邮电学院 房曙光 王平 来源:今日电子
上一篇:两种无线数字调制解调器的设计对比
下一篇:中压电力线通信技术


