- 易迪拓培训,专注于微波、射频、天线设计工程师的培养
ADS里的数学模型仿真问题
录入:edatop.com 点击:
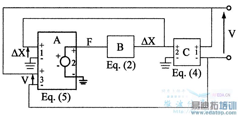
今天看了一篇文章,里面说可以在ADS里面建立非线性的数学模型,如图片所示,A,B,C模块都是分别表示三个函数(先不管是什么函数),deltaX,V,F,C都是变量(先不管它们的意义),大家知道图片中所示的这种模型在ADS中是怎么建立的吗?谢谢大家帮助!


应该是用 符号定义器件 SDD 来做
没看明白dddddddddddddddddddddddd
申明:网友回复良莠不齐,仅供参考。如需专业帮助,请学习易迪拓培训专家讲授的ADS视频培训课程。
ADS培训课程推荐详情>>
国内最全面、最专业的Agilent ADS培训课程,可以帮助您从零开始,全面系统学习ADS设计应用【More..】
- Agilent ADS教学培训课程套装
- 两周学会ADS2011、ADS2013视频教程
- ADS2012、ADS2013射频电路设计详解
- ADS高低阻抗线微带滤波器设计培训教程
- ADS混频器仿真分析实例视频培训课程
- ADS Momentum电磁仿真设计视频课程
- ADS射频电路与通信系统设计高级培训
- ADS Layout和电磁仿真设计培训视频
- ADS Workspace and Simulators Training Course
- ADS Circuit Simulation Training Course
- ADS Layout and EM Simulation Training Course
- Agilent ADS 内部原版培训教材合集
