- 易迪拓培训,专注于微波、射频、天线设计工程师的培养
simulation result from schematic does not match with that from momentum in ADS
I am trying to simulate and design a matching circuit of PA in ADS environment. The procedure I am following is this
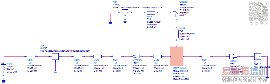
firstly I simulate the schematic using MLIN, Term,MTAPER etc. ( and S2P if needed), also I put MSTEP here and there to cope with the step effect. Being aware of the fact that using MTEE is range limited, I create My own MTEE_MOM in momentum, the schematic is shown below:



So My questions are:
Should these two results match to each other (to some extent) if we carefully prepare our schematic?
if Yes, How can I do to make them match?
if the answer to first question is No, then, how to do matching of filter design? using EM simulation directed? then these ADS microstrip components are worth nothing?
Thanks
Julian
I always use schematic simulation first, then simulation the momentum simulation, and do some modifications at momentum simulation.
Hi tony:
so you must have compared your schematic simulation results and the initial momentum results, are they match to each other?
Using schematic components is good for a 1st order approximation of a circuit, especially a real, metal layout. The schematic doesn't take any component interactions into account, so it's accuracy is already limited. However, simulation, tuning and optimization from a schematic-based design are VERY fast because the elements have closed-form solutions that are super-fast to calculate.
Once you get a good design from schematic, I move it to a layout and run Momentum on it. Almost guaranteed, the schematic and MoM results will not line up much at all If you're lucky, similar shape, but generally off in frequency and loss). Momentum takes EVERY interaction of EVERY piece of metal into account. It is the most accurate to reality that you will get between the two options. Once you have a layout that is close, you simply start tweaking the layout and re-running Momentum until you hit the sweet-spot with your design. Don't forget you can further refine your Momentum model by turning on Edge Mesh (better estimation of edge-coupling effects) and using Thick Metal models (better estimate of losses). Both will increase your simulation time, so start with a thin-metal model and no edge-mesh, initially, then add them later to tweak your design into it's "final" configuration.
Your discontinuities and line shapes are somewhat extreme, so that the circuit models are not very accurate for your case.
Some combination of circuits models for normal line segments and EM model for the discontinuities is indeed more accurate.
Looking at your EM T-junction in the upper schematic, it is not clear if the ports have the proper width of the lines/devices that are connected there.
Yeah, i use parameterized momentum component, so that the width of MTEE section will always be the same as that of the MLIN's connected to it.
Thanks.
I would double check that your Momentum ports are simulated with the small terminal width of the connected line. This will be much more accurate than cascading the external step/tapers.

申明:网友回复良莠不齐,仅供参考。如需专业帮助,请学习易迪拓培训专家讲授的ADS视频培训课程。
上一篇:Harmonic Balance Simulation in ADS
下一篇:use SDD to generate noise in ADS
国内最全面、最专业的Agilent ADS培训课程,可以帮助您从零开始,全面系统学习ADS设计应用【More..】
- Agilent ADS教学培训课程套装
- 两周学会ADS2011、ADS2013视频教程
- ADS2012、ADS2013射频电路设计详解
- ADS高低阻抗线微带滤波器设计培训教程
- ADS混频器仿真分析实例视频培训课程
- ADS Momentum电磁仿真设计视频课程
- ADS射频电路与通信系统设计高级培训
- ADS Layout和电磁仿真设计培训视频
- ADS Workspace and Simulators Training Course
- ADS Circuit Simulation Training Course
- ADS Layout and EM Simulation Training Course
- Agilent ADS 内部原版培训教材合集
