- 易迪拓培训,专注于微波、射频、天线设计工程师的培养
Help need how to remove detected error in ADS2009
录入:edatop.com 点击:
Dear Sir,
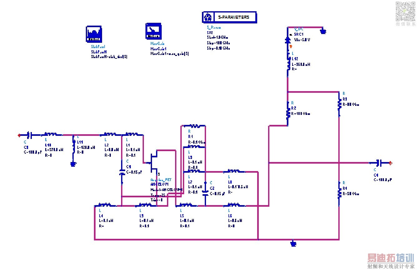
I am new learner to ADS2009 simulation sofware, I have designed the nonlinear device LNA. I have created the nonlinear device model using datasheet of AVGO ATF34143. I used transistor as ANGLOV model IN ADS2009 and later added the input and output matching circuit. when I simulated , I got the following error.
"ANGLOV1 is an instance of undefined model of ANGLOVM1"
Can you anybody try help me to remove this error. I am attaching the following file
I am new learner to ADS2009 simulation sofware, I have designed the nonlinear device LNA. I have created the nonlinear device model using datasheet of AVGO ATF34143. I used transistor as ANGLOV model IN ADS2009 and later added the input and output matching circuit. when I simulated , I got the following error.
"ANGLOV1 is an instance of undefined model of ANGLOVM1"
Can you anybody try help me to remove this error. I am attaching the following file

Hello,
maybe next time check the image quality, it is hard to see something.
Your ANGLOV1 is just a symbol with paramaters, you have to place the model symbol of ANGLOV1, which is called ANGLOVM1!
申明:网友回复良莠不齐,仅供参考。如需专业帮助,请学习易迪拓培训专家讲授的ADS视频培训课程。
上一篇:Output power at 0Hz ADS HB simulation
下一篇:design microstrip antenn using agilent ADS
ADS培训课程推荐详情>>
国内最全面、最专业的Agilent ADS培训课程,可以帮助您从零开始,全面系统学习ADS设计应用【More..】
- Agilent ADS教学培训课程套装
- 两周学会ADS2011、ADS2013视频教程
- ADS2012、ADS2013射频电路设计详解
- ADS高低阻抗线微带滤波器设计培训教程
- ADS混频器仿真分析实例视频培训课程
- ADS Momentum电磁仿真设计视频课程
- ADS射频电路与通信系统设计高级培训
- ADS Layout和电磁仿真设计培训视频
- ADS Workspace and Simulators Training Course
- ADS Circuit Simulation Training Course
- ADS Layout and EM Simulation Training Course
- Agilent ADS 内部原版培训教材合集
