- 易迪拓培训,专注于微波、射频、天线设计工程师的培养
How To Change X-axis In Plots of Advanced Design System (ADS)?
If need to use parameter sweep, can anyone guide me to set the parameter sweep? I am using ADS 2011.
Your help is much appreciated. Thank you
you must just name a line in input and aline in output(like "in" and " out")search in this site for how to name a line
then in result page click on in then "add vs" then click on out and you can see the result you want
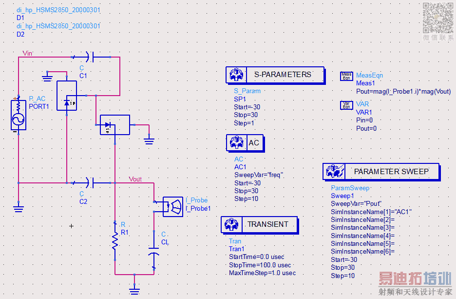
This is my circuit...
And I would like to observe a graph plot like this;
I managed to have the plot like above but I'm unsure whether the input power (Pin) is correct or not since there is no label of unit (dBm) here;
Can anyone help me here..?
P/s: Is the mag(Vout) means that that value shown in the graph is the real value? No need any conversion?
Thank you in advance..
Hi,
Do you want to sweep power input and want to multi voltages. on few mouth ago, i see the paper of the IEEE for rectana is used option various power input.
yup. i need something like that. but i need to know the method to do the analysis. I doubted my result because it seems like the diode from my circuit doesnt have the saturation point (where the output voltage/current/power has reach the limit)
申明:网友回复良莠不齐,仅供参考。如需专业帮助,请学习易迪拓培训专家讲授的ADS视频培训课程。
上一篇:Re: LNA design on ADS2009
下一篇:Questions about oscillator phase noise simulation in ADS
国内最全面、最专业的Agilent ADS培训课程,可以帮助您从零开始,全面系统学习ADS设计应用【More..】
- Agilent ADS教学培训课程套装
- 两周学会ADS2011、ADS2013视频教程
- ADS2012、ADS2013射频电路设计详解
- ADS高低阻抗线微带滤波器设计培训教程
- ADS混频器仿真分析实例视频培训课程
- ADS Momentum电磁仿真设计视频课程
- ADS射频电路与通信系统设计高级培训
- ADS Layout和电磁仿真设计培训视频
- ADS Workspace and Simulators Training Course
- ADS Circuit Simulation Training Course
- ADS Layout and EM Simulation Training Course
- Agilent ADS 内部原版培训教材合集
