- 易迪拓培训,专注于微波、射频、天线设计工程师的培养
关于ADS中史密斯圆图进行阻抗匹配的的问题
录入:edatop.com 点击:
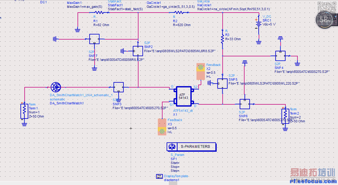
自己仿真设计一个LNA,设计输入匹配时,按照书上流程,但是使用Smith Chart Utility时,产生不了匹配电路,截图如下,求指点,搞了半天找不到问题,很急。



申明:网友回复良莠不齐,仅供参考。如需专业帮助,请学习易迪拓培训专家讲授的ADS视频培训课程。
上一篇:关于ADS的s参数仿真的几个问题
下一篇:请问如何在ADS中根据公式建立电流源?
ADS培训课程推荐详情>>
国内最全面、最专业的Agilent ADS培训课程,可以帮助您从零开始,全面系统学习ADS设计应用【More..】
- Agilent ADS教学培训课程套装
- 两周学会ADS2011、ADS2013视频教程
- ADS2012、ADS2013射频电路设计详解
- ADS高低阻抗线微带滤波器设计培训教程
- ADS混频器仿真分析实例视频培训课程
- ADS Momentum电磁仿真设计视频课程
- ADS射频电路与通信系统设计高级培训
- ADS Layout和电磁仿真设计培训视频
- ADS Workspace and Simulators Training Course
- ADS Circuit Simulation Training Course
- ADS Layout and EM Simulation Training Course
- Agilent ADS 内部原版培训教材合集
