- 易迪拓培训,专注于微波、射频、天线设计工程师的培养
移动通信基站天线一体化设计方法探讨
移动通信 2015.9.1
移动通信基站天线一体化设计方法探讨
赖展军,卜斌龙

1 一体化设计必要性
移动通信基站天线包含多项参数指标,可以归纳为辐射参数和电路参数两类。辐射参数用于描述与方向图相关的各项特性,电路参数则是天线高效率辐射的保证。在设计过程中同时考虑辐射参数和电路参数是基站天线一体化设计方法的核心,可归纳为以下7个方面:
1)天线阵列与馈电网络的一体化设计;
2)辐射参数的一体化设计;
3)电气性能与制造容差的一体化设计;
4)三维电磁辐射边界的一体化设计;
5)辐射单元模块的一体化设计;
6)电气性能与机械性能的一体化设计;
7)电气性能与工艺要求的一体化设计。
篇幅有限,文章着重讨论1)~3)点。
1.1 天线阵列与馈电网络一体化设计的必要性
天线阵列与馈电网络作为移动通信基站天线的两大组成部分,彼此相互影响,不可分割。假设以SA表示辐射单元端口S参数,SN表示馈电网络端口S参数,定义:
(1)
其中Snn为馈电网络与阵列相连接端口的完整S参数,是n×n矩阵;San为馈电网络输入端与输出端(阵列输入端)的连接矩阵,是n×1矩阵;Sn+1为馈电网络输入端的反射系数。图1所示为2个辐射单元的阵列与馈电网络级联的例子:
图1 两单元阵列与馈电网络的连接示意图
根据上述分析,阵列输入端的入射波系数为:
(2)
其中
。可见,除非Snn或SA等于[0](n×n矩阵,代表各端口具有理想匹配及无限大隔离度的情况),一般情况下
,即阵列的实际激励系数与功分网络的输出系数不相等,因此,为得到准确的设计结果,必须将阵列与馈电网络进行端口参数级联求解,进而实现对天线阵列与馈电网络进行一体化设计。
1.2 辐射参数一体化设计的必要性
(1)各项辐射参数是对同一方向图的量化描述,相互关联、不可分割。
天线的辐射参数包含增益、方向系数、半功率波束宽度、前后比、交叉极化电平、方向图零点、副瓣电平、下倾角等,这些指标集中体现在方向图之中,只有对方向图进行一个整体的设计,才可以获得所有辐射参数指标的平衡和最佳。
(2)单元方向图与实际激励系数共同决定阵列辐射方向图,彼此不可分割。
作为一般情况,假设基站天线为位于XOY平面的小口径平面阵列,X、Y方向的单元个数分别为m、n,阵列方向图可表示为:
(3)
其中
是阵列单元的阵中方向图(单个激励,其他单元接负载阻抗),对于基站天线而言,因阵列规模小,各辐射单元的阵中方向图(以被测单元为坐标原点)往往各不相同,则公式(3)可改写为:
(4)
显然,阵列方向图
是各单元的入射波系数αmn对各单元有源方向图的线性加权(方向图叠加原理),而αmn又与阵列与馈电网络的相互耦合有关,因此,在对方向图进行整体设计时,必须在阵列与馈电网络一体化设计的基础上,再进行方向图各项辐射参数的整体设计。
1.3 电气性能与制造容差的一体化设计的必要性
天线实际制作过程中,电缆切割误差、零件装配误差等因素会造成天线口径幅度、相位分布的改变,进而影响天线的性能指标,因此,为使产品能满足大批量生产要求,必须在设计过程中考虑各项误差的影响。
2 商用软件一体化仿真方法及不足
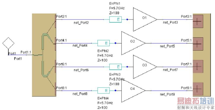
目前,应用较广泛的电磁场仿真软件有Ansys的HFSS和Desinger、CST、FEKO及IE3D。以上各种软件都在一定程度上具备了一体化仿真功能,使用方式也比较相近。以Ansys软件为例,在进行一体化仿真时,需先绘制天线阵列与馈电网络连接关系图(如图2所示),进而计算阵列端口与馈电网络级联后的实际激励系数,再将此系数传递给HFSS中的天线阵列模型,由HFSS计算出阵列方向图。

图2 Ansys软件一体化仿真模型
商用软件作为通用的设计工具,在应用于移动通信基站天线设计时,普遍存在以下不足:
(1)需绘制天线阵列端口与馈电网络端口间的连接关系图,而目前的基站天线日益复杂,端口数目通常有20至100个,使得端口间的连接关系非常复杂,同时操作复杂、效率低且容易出错;
(2)能直接计算的天线指标非常有限,通常只有增益、波束宽度和副瓣电平,不能满足日益复杂的基站天线产品要求;
(3)采用口径场或边界场积分的方式计算辐射方向图,运算量大、速度慢。
公式(5)是HFSS文档中辐射方向图的计算公式。
(5)
其中,S为辐射边界表面,
,ω为角频率,μ0为自由空间相对磁导率,Htan为磁场在辐射边界的切向分量,Etan为电场在辐射边界的切向分量,Enormal为电场在辐射边界的法向分量,G为自由空间格林函数。
从公式(5)可以看出,每个场点的电场值都与整个积分表面有关,运算量大、速度慢。
3 一体化设计方法的改进及创新
针对商业软件的不足,结合移动通信基站天线产品的技术特点,开发了基站天线一体化设计平台,主要功能和创新点如下:
创新点1,将阵列端口和馈电网络端口进行排序编号,如图3所示,将阵列端口从1~N进行编号,与之对应的馈电网络连接端口也从1~N编号,馈电网络输入端口按“N+1……N+K”(假设有K个外部输入端口)编号。

图3 用于编程的阵列及馈电网络端口编号
根据微波网络级联理论,用程序代码实现阵列与馈电网络的级联求解,获得阵列中各辐射单元的实际激励系数,避免绘制繁杂的连接关系图,提高易用性;
创新点2,设计专用的函数库,可计算多项参数指标,具体的计算方法可随用户要求灵活改变。以下倾角为例,将其定义为最大辐射方向与天线法线方向的夹角,计算方法较简单,但个别运营商在企业标准中则定义为3dB波束宽度中心指向与天线法线的夹角,计算时需先算出3dB点对应的角度值,再计算其角平分线对应的角度值,计算过程较为复杂。表1是目前可计算的15项基站天线参数指标。由此可见,设计平台已具备比商用软件更完整、实用的指标计算功能。
表1 可计算的主要参数指标
序号 | 参数名称 | 备注 |
1 | 方向系数 | 按具体定义计算 |
2 | 增益 | 方向系数-损耗/dB |
3 | 水平面半功率角 | 按具体定义计算 |
4 | 垂直面半功率角 | 按具体定义计算 |
5 | 主极化前后比 | 按具体定义计算 |
6 | 前后比 | 按具体定义计算 |
7 | 扇区功率比 | 扇区内功率与扇区外功率比 |
8 | 方向图倾斜度 | 按具体定义计算 |
9 | +/-60°电平 | +/-60°相对电平 |
10 | 轴向交叉极化比 | 按具体定义计算 |
11 | +/-60°交叉极化比 | 120°范围内交叉极化比的最差值 |
12 | 下倾角 | 按具体定义计算 |
13 | 第一上旁瓣 | 按具体定义计算 |
14 | 30度旁瓣 | 主瓣最大值向上30度范围的旁瓣最大值 |
15 | 零点填充 | 按具体定义计算 |
创新点3,根据方向图叠加原理,将商用软件或直接测量得到的各辐射单元有源方向图数据转换为专用数据模块,用线性求和取代复杂的表面积分,合成场中每个场点的电场值仅与各单元阵中方向对应场点的值有关,运算量小,从而实现方向图快速计算,相比商用软件表面积分方法,运算速度提高2个数量级。
此外,计算过程中还可在单元方向图及激励系数中考虑制造公差的影响,包含制造公差的阵列方向图E(θ,φ)可表示为:
(6)
其中,
(7)
(8)
αmn为仅考虑阵列端口与馈电网络端口级联但未考虑加工误差的阵列各辐射单元的实际激励系数,fmn(θ,ψ)为未考虑装配误差的各辐射单元阵中方向图数据。△Mmn是激励系数幅度误差,△Pmn是激励系数相位误差,用于描述馈电网络电缆长度误差,△dx和△dy表示辐射单元装配位置误差,各项误差服从均匀分布或正态分布。通过在线性求和的阵列方向图计算过程中引入随机变量,设计平台同时实现了电气指标“场”、“路”一体化和电气指标与制造公差一体化设计。
创新点4,使用优化算法计算阵列方向图,在计算过程中,可以将创新点1中的任意参数作为约束条件,并计入创新点3描述的各项误差影响,对阵列方向图进行优化设计,因计算过程综合采用了创新点1、创新点2、创新点3中的创新思路,所实现优化计算功能比商用软件更加易用、实用、高效。
4 结论
随着移动通信的不断发展,基站天线变得越来越复杂,现成的设计方法难以满足应用要求,自主开发的设计平台,在使用便利性、指标完整性、计算速度上具有显著优势,成为基站天线设计的有力工具。
作者简介
赖展军:硕士毕业于华南理工大学,现任职于京信通信技术(广州)有限公司天线研发部,主要研究方向为移动通信基站天线、平面微波器件及新型电磁材料。
卜斌龙:高级工程师,硕士毕业于西安电子科技大学电磁场与微波技术专业,从事电磁场与微波技术研究,尤其是通信天线技术研究、产品设计和技术管理工作逾29年,具有深厚的理论基础、丰富的工程实践经验及极强的组织管理能力。现任京信集团高级副总裁、西安电子科技大学客座教授、中国电子学会通信天线专委会副主任委员、天线系统产业联盟副理事长、广州市电子电气工程技术中级职称资格第二评审委员会评委。
原文发表于2015年第15期

上一篇:0.3mm微缝天线,为更一体而设计
下一篇:天线的设计,一部史无前例设计“宝典”


