- 易迪拓培训,专注于微波、射频、天线设计工程师的培养
智能天线技术——提高数字集群网的无线性能
一、目前数字集群系统的现况
随着集群通信在我国的迅速发展,800MHz频段的600对频率资源也显得越来越紧张。针对这一现状,中国信产部在2001年已下达正式文件指出,到2005年底,中国不再批准建设模拟集群通信系统。同时,中国信产部也制定出适合中国的数字集群系统标准。目前在我国数字集群市场上,代表产品有以下几个:
1.摩托罗拉公司的TETRA系统和iDEN系统
2.诺基亚公司的TETRA系统
3.中兴通讯公司的GoTa系统
4.华为公司的GT800系统
数字集群系统相对于模拟集群系统,在频率利用率上有较大的提高。例如TETRA系统,采用1:4的TDMA技术,把一个25KHz的物理信道可分为四个逻辑信道,频率利用率是原来的四倍。而iDEN系统,采用1:6的TDMA技术,将一个物理信道分为六个逻辑信道,频率利用率是原来的六倍。
但同时我们也在实际应用中看到,数字集群系统的信号覆盖范围要比模拟集群系统要小的多。例如,在中等城市地区,在类似的条件下,模拟集群系统中单个基站的信号覆盖,一般有15公里左右。而数字集群系统中,单个基站的信号覆盖,一般5至7公里左右。所以在全国各地,从模拟集群系统转型到数字集群系统的过程中,经常会听到客户对数字集群系统技术进步的认可,但同时又会有对数字集群系统信号覆盖范围减小的顾虑。
对于当前国内的数字集群系统,在系统射频信号的覆盖方面,基站一般采用全向天线,也有各别系统为扩大系统容量、支持更多用户,需要收缩小区范围、降低频率复用系数提高频率利用率,通常采用的方法是小区分裂和扇区化。例如,同一个地点安装三套同样的基站设备,而每个基站使用120度的定向天线,进行信号覆盖,以达到在市中心提高系统用户容量的目的。但随之而来的是干扰增加,原来被距离(其实是借助路径损耗)有效降低的CCI和MAI较大比例地增加了。提高数字集群的无线性能,对许多集群用户而言,有着重要的意义。
二、天线及天馈系统
天线是一种无线设备,它能有效地辐射或接收无线电电波,并由馈线和收发设备联系起来,它可以实现电磁能量从一种介质耦合到另外一种介质去,例如从同轴线或波导发射到自由空间。
天线的种类很多,从辐射元来讲,可分为线天线和面天线;从辐射的空间覆盖来讲,又可分为全向天线和定向天线。
全向天线
早期的无线通信系统,一般都采用简单的全向天线,它的接收和发射在各个方向上都是相同的。
定向天线
天线的接收和发射有固定的方向。例如360°的区域可以均分为三个120°子区域,用三个定向天线分别完成各个120°范围内的无线覆盖。
三、智能天线技术
智能天线是目前发展迅速的一项新技术。智能天线是由一系列辐射元组成辐射元阵列,辐射元阵列的信号合成整个天线的波束图。智能天线可以根据有用信号的分布情况,调整辐射元的信号分配,这样就使得天线的有用波瓣方向对准有用信号,而将天线的零陷对准干扰信号。当有用信号分布情况变化,天线还可以智能地随之调整,继续进行匹配。
智能天线的应用既提高天线增益又减少系统干扰两大目的,从而显著地扩大了系统容量,提高了频谱利用率。
从智能天线采用的设计技术方法来说,智能天线技术有两个主要分支:多波束切换型智能天线技术和自适应天线阵智能天线,简称多波束天线和自适应天线阵。
1.多波束切换型智能天线
多波束切换型智能天线技术与自适应天线阵技术比起,实现起来要简单。多波束天线利用多个并行波束覆盖整个用户区,每个波束的指向是固定的,波束宽度是由阵元数确定的。波束切换天线具有有限数目的、固定的、预定义的方向图,通过阵列天线技术在同一信道中利用多个波束同时给多个用户发送不同的信号,它从几个预定义的、固定波束中选择其一,检测信号强度,当移动台越过扇区时,从一个波束切换到另一个波束。在特定的方向上提高灵敏度,从而提高通信容量和质量。
在应用波束转换技术的系统,最主要任务是产生一个有效的波束选择方法,利用这种方法能够快速和精确地对每个用户进行正确的波束切换,被切换的波束则必须要覆盖目标用户所在的区域。
2.自适应天线阵智能天线
相比多波束切换型智能天线技术,自适应天线阵技术就智能的多。它是由一个由天线阵和实时自适应信号接收处理器所组成的一个闭环反馈控制系统,智能天线通过自适应算法控制加权,用反馈控制方法,通过自动调整每个辐射元的幅度和相位,达到改变天线阵的方向图的目的。使它在干扰方向形成零陷,将干扰信号抵消,而在有用信号方向形成主波束,达到抑制干扰的目的。加权系数的自动调整就是波束的形成过程。智能天线波束成型大大降低了多用户干扰,同时也减少了小区间干扰。
应用自适应天线阵技术,一是要准确地估计波达方向(DOA),一是要找到一个真正快速收敛而性能优良的自适应算法。
2.1 波达方向(DOA)的估计
准确地估计波达方向(DOA)是自适应天线阵提高系统性能的前提。通过瞬时在空间上对有用信号的采样分析,确定有用信号及干扰噪声的空间位置,并能对有用信号的波达方向进行跟踪。
2.2 自适应算法
对于自适应天线阵智能天线的研究,核心是自适应算法。通过找到一个真正快速收敛而性能优良的自适应算法,在时域上得出各个天线的最优加权。
目前常用的智能天线算法主要有非盲算法和盲算法两大类型。
非盲算法:是指需借助参考信号(导频序列或导频信道)的算法,此时收端知道发送的是什么,进行算法处理时要么先确定信道响应再按一定准则(比如最优的迫零准则)确定各加权值,要么直接按一定的准则确定或逐渐调整劝值,以使智能天线输出与已知输入最大相关,常用的相关准则有MMSE(最小均方误差),LMS(最小均方),LS(最小二乘)等。非盲算法的特点:误差较小,收敛速度也较快,但需浪费一定的系统资源。
盲算法:指无需发端传送已知的导频信号,判决反馈算法(Decision Feedback),是一类较特殊的盲算法,收端自己估计发送的信号并以此为参考信号进行上述处理,但需注意的是应确保判决信号与实际传送的信号间有较小差错。
盲算法特点:一般利用调制信号本身固有的、与具体承载的信息比特无关的一些特征,如恒模CM,子空间subspace,有限符号集,循环平衡等,并调整权值以使输出满足这种特性,常见的各种基于梯度的使用不同约束量的算法。
3.智能天线研究的动向
在智能天线的研究方面,我国早已将智能天线技术列入国家863 通信技术主题研究中的个人通信技术分项,许多专家及大学正在进行相关的研究。而且,在我国自主开发的的第三代移动通信系统TD-SCDMA系统中,智能天线技术、软件无线电技术和同步码分多址技术是该系统的核心技术。
对于智能天线的研究内容,大多集中在对智能天线的自适应算法的优化、对波达方向的估计,以及对智能天线阵元的几何排列的优化等方面,从本文的参考文献,也可看到目前国内外许多 大学及研究所也在智能天线领域进行了大量研究。
四、用智能天线提高数字集群系统的射频性能
针对目前我国数字集群通信系统在信号覆盖方面存在的问题,用自适应天线阵智能天线技术代替目前常用的全向天线,系统的射频方面的性能将有所提高。利用智能天线,借助有用信号和干扰信号在入射角度上的差异,选择恰当的合并权值,形成正确的天线接收模式,即把天线的主瓣对准有用信号,而将低增益副瓣或是零陷对准主要的干扰信号,从而有效地抑制干扰,更大比例地降低频率复用因子,而且能够在多个方面大大改善通信系统的性能。
简而言之,通过把智能天线技术引入到目前我国的数字集群系统中,可以有效地提高基站接收机的灵敏度,提高基站发射机的等效发射功率,降低系统的干扰,进而增加了数字集群系统的容量,改进了小区的覆盖,降低了无线基站的成本。所以,智能天线的采用将显著降低运营成本、提高系统的经济效益。
1.智能天线解决方案
目前,通常采用的自适应天线阵智能天线结构有两种:线阵和圆阵。线阵天线即把多个天线阵元等距离地摆在一条直线上,而圆阵天线则是等距离地分布在圆周上。
例如,可以采用类似TD-SCDMA系统的自适应天线阵智能天线。如下图,由8个完全相同的天线阵元均匀地分布在一个半径为R的圆上,组成一个环形天线。相邻阵元间距D为半波长。

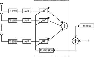
智能天线的“智能”作用是由天线阵及与其相连接的数字信号处理部分共同实现的。自适应天线阵智能天线的系统框图如下图。
该智能天线的仰角方向辐射图形与每个天线元相同。在方位角的方向图由基带处理器控制,可同时产生多个波束,按照通信用户的分布,在360°的范围内任意赋形。为了消除干扰,波束赋形时还可以在有干扰的地方设置零点。

2.性能分析
通过理论推导,该零点处的天线辐射电平要比最大辐射方向低约40dB。当使用的智能天线当N=8时,比无方向性的单振子天线的增益分别大9dB(对接收)和18dB(对发射)。每个振子的增益为8dB,则该天线的最大接收增益为17dB,最大发射增益为26dB。
综上所述,智能天线解决方案提高了基站接收机的灵敏度,提高了基站发射机的等效发射功率,降低了系统的干扰,增加了数字集群系统的容量,改进了小区的覆盖。所以,智能天线的采用将显著降低运营成本、提高系统的经济效益。并且,随着技术的迅猛发展,智能天线技术在移动通信上的应用也越来越广泛。随着移动通信使用的频率越来越高,而电子器件也越来越小,智能天线技术不仅仅会应用在基站方面,而且也在向终端用户发展,开发出带有智能天线的新型手机来。
上一篇:智能天线的关键技术
下一篇:智能天线为无线局域网添加精彩


