- 易迪拓培训,专注于微波、射频、天线设计工程师的培养
一种FM天线的设计
调频(FM)收音机在高保真音乐和语音广播中已经被采用好多年了,它能提供极好的声音质量、信号鲁棒性和抗噪声能力。最近,FM收音机开始越来越多地用于移动和个人媒体播放器中。然而,传统FM设计方法需要很长的天线,例如有线耳机,从而限制了许多没带有线耳机的用户。另外,随着无线使用模型在便携式设备中的不断普及,更多用户可以从使用其他类型FM天线的无线FM收音机中受益,且同时可利用无线耳机或扬声器来听声音。
本文将介绍一种FM收音机接收机解决方案,它将天线集成或嵌入在便携式设备内部,使得耳机线成为可选件。我们首先从最大化接收灵敏度讲起,然后介绍取得最大化灵敏度的方法,包括最大化谐振频率的效率,最大化天线尺寸,以及利用可调谐匹配网络最大化整个调频带宽上的效率。最后,本文还将给出可调谐匹配网络的实现方法。
最大化灵敏度
灵敏度可以被定义为调频接收系统可以接收到的、同时能达到一定程度信噪比(SNR)的最小信号。这是调频接收系统性能的一个重要参数,它与信号和噪声都有关系。接收信号强度指示器(RSSI)只是指出了特定调谐频率点的射频信号强度,它并不提供有关噪声或信号质量的任何信息。在比较不同天线下接收机性能时,音频信噪比(SNR)也许是一个更好的参数。因此,想为聆听者带来高质量的音频体验,使SNR最大化非常重要。
天线是连接射频电路与电磁波的桥梁。就调频接收而言,天线就是一个变换器,即将能量从电磁波转换成电子电路(如低噪声放大器(LNA))可以使用的电压。调频接收系统的灵敏度直接与内部LNA接收的电压相关。为了最大化灵敏度,必须尽量提高这个电压。
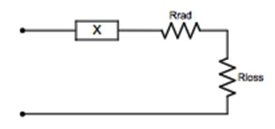
市场上有各种各样的天线,包括耳机、短鞭、环路和芯片型天线等,但所有天线都可以用等效电路进行分析。图1给出了一种通用的等效天线电路模型:
在图1中,X可以是一个电容或一个电感。X的选择取决于天线拓扑,其电抭(感抗或容抗)值与天线几何形状有关。损耗电阻Rloss与天线中以热能形式散发的功耗有关。幅射电阻Rrad与从电磁波产生的电压有关。为了便于说明,后文将以环路天线模型作为分析对象,同样的计算也可以用于其他类型的天线,如短的单极天线和耳机天线。

图1:天线等效电路模型。
使谐振频率点的效率最大化
为了尽量提高天线转换出来的能量,可以使用一个谐振网络来抵消天线的电抗性阻抗,而这种阻抗会衰减天线传导到内部LNA的电压值。对电感性环路天线来说,电容Cres用来使天线在想要的频率点发生谐振:
(1)
谐振频率是指天线将电磁波转换成电压的效率最高的频率点。天线效率是Rrad上的功率与天线收到的总功率的比值,可以表示为Rrad/Zant,其中Zant是带天线谐振网络的天线阻抗。Zant表示为:
(2)
当天线处于谐振状态时,效率η可以表示为:
(3)
在其他频率点时效率为:
(4)
非谐振频率点的天线效率η要低于最大效率ηres,因为此时的天线输入阻抗Zant要么是容性的,要么是感性的。
最大化天线尺寸
为了恢复所传输的射频信号,天线必须从电磁波里收集到尽可能多的能量,并高效地将电磁波能量转换成通过Rrad的电压。收集到的能量多少受制于便携式设备所使用天线的可用空间和大小。对于传统的耳机天线来说,它的长度可达到调频信号的四分之一波长,能收集到足够的能量并转换成内部LNA可用的电压。在这种情况下,最大化天线效率就不那么重要。
不过,由于便携式设备正变得更小更薄,留给嵌入式调频天线的空间已变得非常有限。虽然已尽量增加天线尺寸,但嵌入式天线收集到的能量仍非常小。因此在既不牺牲性能、又要使用较小的天线的情况下,提高天线效率η就变得非常重要。
利用可调匹配网络,使调频频段上的效率最大化
大多数国家的调频广播频段的频率范围是87.5MHz到108.0MHz。日本的调频广播频段是76MHz到90MHz。在一些东欧国家,调频广播频段是65.8MHz到74MHz。为了适应全球所有的调频频段,调频接收系统需要有40MHz的带宽。传统解决方案通常是将天线调谐在调频频段的中心频率。然而就如上述公式表明的那样,天线系统的效率是频率的函数。效率在谐振点达到最大值,当频率偏离谐振频率时,效率将下降。值得注意的是,由于全球调频频段的带宽达40MHz,当频率远离谐振频率点时天线效率将有显著下降。
例如,设定一个固定谐振频率98MHz,那么在该频率点可取得很高的效率,但其他频率点的效率将有显著下降,从而劣化了远离谐振频率点时的调频性能。
图2给出了固定谐振频率在频段中心(98MHz)时两种天线(耳机天线和短天线)的效率曲线。

图2:调频频段内的典型固定谐振天线性能。
从上图可以看出,98MHz点可以取得最佳效率,但频率越接近频带边缘效率下降越多。对耳机天线来说这不是什么大问题,因为这种天线尺寸能够在整个频率内收集到足够的电磁能量,并转换成较高的电压给射频接收器。然而,与较长的耳机天线相比,短天线尺寸小,收集到的能量也少,因此当频率远离谐振点时效率将迅速降低,也就是说使用固定谐振方案时频带边缘处的接收会产生问题,主要原因是短天线具有比耳机更高的"Q"值,从而在频带边缘时使效率发生陡峭下降。
Q是指品质因数,正比于单位时间内天线网络中存储的能量与损耗或幅射能量的比值。针对带天线谐振网络的上述天线等效电路而言,Q值满足:
(5)
与短天线相比,耳机天线尺寸较大,因此本身就具有较高的幅射电阻Rrad,从而导致Q值较低。由于嵌入式应用要求使用高Q值的短天线,效率陡降问题非常突出。
天线的Q值还与天线带宽有关,其关系可以表示为:
(6)
其中fc是谐振频率fc,BW是天线的3dB带宽。与较长的耳机天线相比,高Q值的短天线具有较小的带宽,因此在频带边缘的损耗较大。
为了克服高Q值固定谐振天线的带宽限制问题,可以用自调谐谐振电路将"固定谐振"改为"可调谐振",使电路永远处于谐振频率点,从而最大化接收灵敏度。采用自调谐谐振天线可以获得较高的信噪比,因为来自谐振天线的增益可降低接收机的系统噪声系数,而嵌入式天线固有的高Q值又有助于滤除可能与本振谐波混合在一起的干扰。
可调匹配网络的实现
图3给出了支持嵌入式短天线的增强型调频接收机架构的概念性框图。"可调谐振"采用片上可调的变容二极管和调谐算法实现。

图3:Si4704/05的概念性框图。
上述设计使用了带数字信号处理器(DSP)的混合信号数字低中频架构,从而可实现包括嵌入式短天线的自调谐在内的先进的信号处理算法。天线算法自动根据设备的每个频率调谐点调整变容二极管的电容值,从而获取最佳性能。
举例来说,如果用户调谐到101.1MHz(图4中的电台1),天线算法将把天线电路谐振点调谐到101.1MHz,从而优化了101.1MHz点的天线效率和接收性能。当用户调谐到84.1MHz(图4中的电台2)时,天线算法随之重新调谐天线电路谐振点,从而使84.1MHz点的接收性能最优。


图4:可调谐振的好处。
利用调整后的频率调谐天线谐振点可在每个给定频率点提供最大效率,从而最大化整个调频频段上的接收信号强度。在采用可调谐振电路后,使用嵌入式天线的系统性能在整个频带上都有所提高。在指定频率点谐振天线还能衰减其他频率点的干扰,从而显著提高接收机的选择性,因此,使用这种带嵌入式天线的接收机用户还能更好地免受其他意外干扰源的干扰。这点在调频频带拥挤的市区尤其重要。
本文小结
随着无线使用模型在便携式设备中越来越普及,更多的用户希望使用带嵌入式天线的无线调频收音机,同时用无线耳机或扬声器聆听节目。本文讨论了通过最大化灵敏度来改善使用嵌入式天线的调频接收效果的原理,并进一步讨论了实现方法。由于使用嵌入式天线的便携式设备上的可用空间非常有限,可以考虑采用自调谐谐振网络来最大化整个调频频带上接收机的灵敏度,从而保持短天线在每个频率点都有最大的效率。
上一篇:短波天线的制作方法
下一篇:双波束天线现场应用成功案例详析


