- 易迪拓培训,专注于微波、射频、天线设计工程师的培养
用Cadence PCB SI分析特性阻抗变化因素
1、概要
在进行PCB SI的设计时,理解特性阻抗是非常重要的。这次,我们对特性阻抗进行基础说明之外,还说明Allegro的阻抗计算原理以及各参数和阻抗的关系。
2、什么是特性阻抗?
2.1、传送线路的电路特性
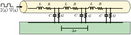
在高频率(MHz)信号中,把传送回路作为电路。
2.1.1、电阻R
电阻R是指普通的导线带有的欧姆电阻。R = ρ・L / S [Ω] (S:横截面面积[m2],L:导体长[m],ρ:金属(铜)的电阻率[Ω*m])。在高频频域范围内的话,根据表面效果和集合效果的影响,集中在导体表面电流流动,会使上面公式中的阻值变得更大。
2.1.2、电容C
电容C是指积蓄在导体间电荷的量。C = ε(S / d)[F](ε:介电常数,S:导体的横截面积,d:导体间的距离)
2.1.3、电感L
电流流动的导线必定有磁通量发生,根据这个产生的自感。L=0.002S[2.3lg(2s/w+t)+0.5][μH]S:导线长度(cm) W:导线宽度(cm) t:导线厚度(cm)
2.1.4、电导G
物体传导电流的本领叫做电导。对导体间的介电特性的反抗成分,表示容易电流的程度。
G = 1 / R
2.2、阻抗和特性阻抗的不同?
阻抗
表示电路部分对交变电信号流通产生的阻力,是传输线上输入电压对输入电流的比率值
Z = V(x)/ I(x)
特性阻抗
特征阻抗是指信号沿传输线传播时,信号看到的瞬间阻抗的值。简单地讲,无限长传输线上各处的电压与电流的比值定义为传输线的特性阻抗。Z0 = √( (R + jωL) / (G + jωC) ) ≒ √(L / C)(R<<ωL,G<<ωC)
3、Allegro的特性阻抗计算原理
3.1、在Layout Cross Section中阻抗计算
PCB SI菜单的Setup >Cross-section
<单线的特性阻抗计算方法>
1、 设定层结构和材料物质。
2、 Width栏输入线宽的话,在Impedance栏会计算出特性阻抗。(Impedance输入目标阻抗的话,则会计算线宽。)
<差分阻抗>
1、 勾选Differential Mode
2、 设定层结构和材料物质。
3、 Coupling Type设定结合类型。(NONE: 不耦合,EDGE:同层耦合,BROADSIDE:邻接层耦合)
4、 因为设定线宽的话,确定差分阻抗或者spacing任何一个,选择Spacing单击OK按钮,差分阻抗被计算。
(如果想指定差分阻抗的,设定DiffZ0,调节线宽和spacing。)
― 参考1 ―
层结构计算过阻抗之后,可以通过PCB Editor菜单的File >Export >Techfile技术文件进行保存,再利用。根据这个,可以通过程序库管理本公司阻抗设计的经验技术。
3.2、在Electrical Constraints中计算阻抗
PCB Editor菜单的Setup >Constraint单击Electrical constraint sets按钮,选择DiffPair Valuetab,并且单击Calculator按钮。
能用上述方法计算差动阻抗时,层结构Layout Cross Section是已经设定,不能修改的。
3.3、在View Trace Model Parameters中计算阻抗
SigXplorer菜单的Edit >Add Part,Model Type Filter选择Interconnect,选择想使用的传送线路模型,界面配置。
1、 以SigXplorer画面的参数界面,设定层构成和材料属性,线宽和线距。
2、 以SigXplorer画面的参数界面,在对象模型的地方进行单击右键,选择View Trace Parameters。
3、 在View Trace Model Parameters界面内,Field Solution Results内Field solver cutoff frequency设定10GHz,Matrix设定Impedance,特性阻抗以矩阵形式被表示。(如果想使之表示差分阻抗的情况, Matrix设定Diff Impedance。)
― 参考2 ―
如果在范围内设定了分步或复数的价值,View Trace Model Parameters的Parameter Values会以列表的方式列出所有的数据。
― 参考3 ―
Field Solution Results栏,能表示以下的结果。
· Capacitance
· Die. Conductance
· Inductance
· Linear Resistance
· Modal Velocity
· Admittance
· Impedance
· Diff Impedance
· Near-End Coupling
· Modal Delay
在Capacitance/ Die. Conductance/ Inductance/ Linear Resistance中,能够设定频率。
4、各参数和特性阻抗Z0的关系
本项,使用「在3.3 View Trace Model Parameters的阻抗计算」介绍的功能,确认各参数和特性阻抗Z0的关系。
4.1、计算单线的特性阻抗Z0和把跟各参数的关系如下图,研究只变化一个参数的时候,特性阻抗Z0的变化。
4.1.1、用图表表示在线宽W和让特性阻抗Z0的关系
线宽W在0.13~0.23mm范围内,以0.01mm间隔变化了11点的时候,特性阻抗Z0的变化。
从这个图表可以看出,线宽W变大,特性阻抗变小。线宽W变大的话,导体与参考面之间的电容C和导体的电感L也变大,不过,对特性阻抗Z0的影响是因为电容C变大。默认的电容C和电感L的价值。「电容C =110.2pF, 电感L=286nH」
4.1.2、用图表表示介电质的厚度D1和特性阻抗Z0的关系
介电质厚度D1在0.05~0.15mm范围内,以0.01mm间隔使之变化了11点的时候,特性阻抗Z0的变化。
从这个图表可以看出,介电质厚度D1变大,特性阻抗Z0变大。因为参考面与导体的距离变大,导体和参考面间的电容C变小。
4.1.3、用图表表示让导线的厚度T和跟特性阻抗Z0的关系
导线的厚度T在0.03~0.04mm范围内,以0.001mm间隔变化了11点的时候,特性阻抗Z0的变化。
从这个图表可以看出,导线的厚度T变大,特性阻抗Z0一点点变小。导线的厚度T变大的话,与导体间的电容C和导体的电感L也变大,不过,对特性阻抗Z0的影响因为是电容C变大。
4.1.4、用图表表示跟介电常数ε1和特性阻抗Z0的关系
介电常数ε1在3.5~4.5范围内,以0.1间隔变化了11点的时候,特性阻抗Z0的变化。
从这个图表可以看出,介电常数ε1变大,特性阻抗Z0变小。因为介电常数ε1变大,导体和参考面间的电容C变大。
4.1.5、用图表表示介电常数ε2和特性阻抗Z0的关系
介电常数ε2在1~5范围内,以0.5间隔变化了11点的时候,特性阻抗Z0的变化。
从这个图表可以看出,介电常数ε2变大,特性阻抗Z0变小。因为介电常数ε2变大,导体和参考面间的电容C变大。
4.2、差分阻抗和各参数的关系
下图作为标准的层构成的时候,计算只做一个参数变化的时候,差分阻抗的变化。
4.2.1、线间距S和差动阻抗Zdiff的关系
线间距S在0.12~0.22mm范围内,以0.01mm间隔变化了11点的时候,差分阻抗Zdiff的变化。
从这个图表可以,线间距S变大,差分阻抗Zdiff变大。因为线间距S变大,差分线路间的电容C变小。
4.2.2、导线的厚度T和跟差分阻抗Zdiff的关系
导线的厚度T在0.03~0.04mm范围内,以0.001mm间隔变化了11点的时候,差分阻抗Zdiff的变化。
从这个图表可以看出,导线的厚度T变大,差分阻抗Zdiff变小。导线的厚度T变大,导体与参考面间和差分线路间的电容C及导体的电感L也变大,对差分阻抗Zdiff的影响是因为是导体和参考面间和差分线路间的电容C变大。同时,与单线比的话,差分线路间产生的电容,也使差分阻抗Zdiff也变大。
4.2.3、介电常数ε2和差分阻抗Zdiff的关系
介电常数ε2在1~5范围内,以0.5间隔使之变化了11点的时候,差分阻抗Zdiff的变化。
从这个图表可以看出,介电常数ε2变大,差分阻抗Zdiff变小。因为介电常数ε2变大,导体与参考面间和差分线路间的电容C变大。同时,与单线比的话,差分线路间上产生的电容,也使差分阻抗Zdiff变大。
射频工程师养成培训教程套装,助您快速成为一名优秀射频工程师...
天线设计工程师培训课程套装,资深专家授课,让天线设计不再难...
上一篇:ORCAD
PCB转换为Protel
99se/
Protel
DXP之PCB
下一篇:OrCAD
Power
PIN
的注意事項

