- 易迪拓培训,专注于微波、射频、天线设计工程师的培养
Protel 99画封装中遇到的问题
录入:edatop.com 点击:



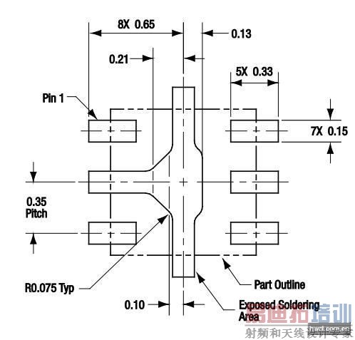
由于该芯片封装的引脚间距为0.35mm,比较小,在TopLayer层画好后,打开TopSolder层查看,发现引脚都联在一起了,这样制作出来是否有问题啊?还是因为在Protel中什么地方可以设置?
其实Pin 2是需要整个露出焊盘的,由于在TopSolder层看到的Pin 2外形已经不对了,请问怎样可以在TopSolder开一个Pin 2外形一样的窗口?谢谢!
射频工程师养成培训教程套装,助您快速成为一名优秀射频工程师...
天线设计工程师培训课程套装,资深专家授课,让天线设计不再难...
上一篇:求解protle 执行覆铜后,不显示覆铜(但覆铜存在),为什.
下一篇:我是10层板,2-3,4-5,6-7,8-9,4-7,2-9.
射频和天线工程师培训课程详情>>

