- 易迪拓培训,专注于微波、射频、天线设计工程师的培养
基于ADuM6202的5KV隔离双路DC电源转换技术
录入:edatop.com 点击:
ADuM6200/ADuM6201/ADuM62021是5KV隔离的双路DC/DC电源转换器和隔离器,包括了两路数字隔离器iCoupler和两路DC/DC转换器isoPower,5.0V输入时可提供绝缘输出5.0V或3.3V,功率高达400W,信号隔离是DC到25MHz(NRZ),主要用在RS-232/RS-422/RS-485收发器,工业现场总线隔离,电源起动偏压和栅极驱动,隔离的传感器接口以及工业PLC等。

图1.ADuM6200/ADuM6201/ADuM62021功能方框图
图3.EVAL-ADuMQSEBZ评估板外形图
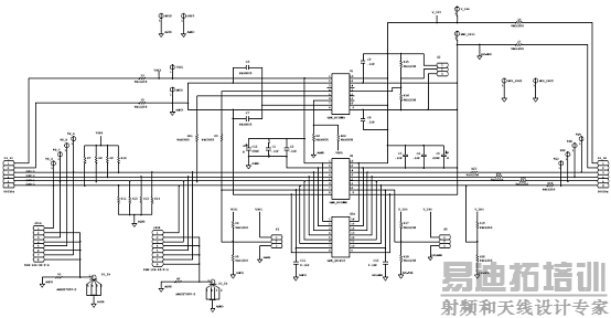
图4.EVAL-ADuMQSEBZ评估板电路图
EVAL-ADuMQSEBZ评估板材料清单(BOM):

图5.EVAL-ADuMQSEBZ评估板布局图
射频工程师养成培训教程套装,助您快速成为一名优秀射频工程师...
天线设计工程师培训课程套装,资深专家授课,让天线设计不再难...
上一篇:安森美半导体汽车技术及车身和动力系统解决方案
下一篇:电路设计中的抗干扰措施
射频和天线工程师培训课程详情>>

