- 易迪拓培训,专注于微波、射频、天线设计工程师的培养
PLC评估板简化工业过程控制系统设计
引言
工业过程控制系统应用多种多样,范围覆盖从简单的流量控制到复杂的电网,从环境控制系统到炼油厂过程控制。这些自动化系统的智能性依赖于它们的测量和控制单元。可编程逻辑控制器(PLC)1和分布式控制系统(DCS)2是用于控制机器和过程、处理各种各样模拟和数字输入及输出的两个最常见计算机系统,这些系统包含电源、中央处理单元(CPU),以及多种模拟输入、模拟输出、数字输入和数字输出模块。
标准通信协议已经存在很多年了;模拟变量的范围主要为4mA至20mA、0V至5V、0V至10V、±5V和±10V。关于下一代系统无线解决方案的讨论已有很多,但是设计人员仍然认为4mA至20mA通信和控制环路可继续使用多年。下一代系统的标准涵盖更高的性能、更小的尺寸、更好的系统诊断、更高级别的保护,以及更低的成本——所有要素都将帮助制造商实现区别于其竞争对手的差异化设备产品。
我们将讨论过程控制系统的关键性能要求,以及所包含的模拟输入/输出模块,还将介绍一个过程控制评估系统,该系统采用最新集成电路技术将这些构件整合在一起。我们还着眼于应对鲁棒系统的设计挑战,这类系统将能经受工业环境下的电快速瞬变脉冲群(EFT)、静电放电(ESD)和浪涌电压干扰,并提供检验设计鲁棒性的测试数据。
PLC概览和应用实例
图1所示为一个基本过程控制系统构件。一个过程变量,例如流率或气体浓度,是通过输入模块进行监控的。这些信息由中央控制单元处理;输出模块则采取一些行动,如驱动一个执行器。

图1. 典型的顶层PLC系统。
图2所示为这种类型的一个典型工业子系统。CO2气体传感器测定一个受保护区域的气体积累浓度,并将此信息传送给一个中央控制点。该控制单元包含一个模拟输入模块——用来调理来自传感器的4mA至20mA信号,一个中央处理单元,以及一个模拟输出模块——用来控制必需的系统变量。电流环路能够处理大的电流负载——这些负载经常存在于一些工业系统中常见的数百米长的通信路径上。表述气体浓度级别的传感器单元输出被转换为标准的4mA至20mA信号,通过电流环路传送。这个简化的例子所示的是一个单独的4mA至20mA传感器输出连接到一个单通道输入模块,以及一个单一的0V至10V输出。在实际情况下,大多数模块都具有多个通道和可配置范围。
输入/输出模块的分辨率范围一般是12至16位,在工业温度范围上具有0.1%的精度。对于桥式传感器,输入范围可小至±10mV ;对于执行器控制,可扩大至±10V;过程控制系统的输入范围为4mA至20mA电流。模拟输出电压和电流范围一般包括±5V、±10V、0V至5V、0V至10V、4mA至20mA和0mA至20mA。数模转换器(DAC)的稳定时间要求从10μs到10ms不等,取决于具体应用和电路负载。

图2. 气体传感器。
4mA至20mA的范围用于表述正常的气体探测范围,该范围之外的电流值可被用于提供故障诊断信息,如表1所示。
表1. 4mA至20mA输出范围之外的电流分配。
| 电流输出(mA) | 状态 |
| 0.0 | 单元故障 |
| 0.8 | 单元预热 |
| 1.2 | 零点漂移故障 |
| 1.6 | 校准故障 |
| 2.0 | 单元生成(跨接) |
| 2.2 | 单元调零 |
| 4至20 | 常规测量模式 |
| 4.0 | 零气体级别 |
| 5.6 | 满量程的10% |
| 8.0 | 满量程的25% |
| 12 | 满量程的50% |
| 16 | 满量程的75% |
| 20 | 满量程 |
| >20 | 超量程 |
PLC评估系统
这里描述的PLC评估系统3集成了生成一个完整输入/输出设计所需的所有级,它包含4个完全隔离的ADC通道,1个带RS-232接口的ARM7微处理器,以及4个完全隔离的DAC输出通道。该评估板由一个直流电源供电。硬件可配置的输入量程包括0V至5V、0V至10V、±5V、±10V、4mA至20mA、0mA至20mA、±20mA和热电偶及RTD。软件可编程的输出量程包括0V至5V、0V至10V、±5V、±10V、4mA至20mA、0mA至20mA以及0mA至24mA。

图3. 模拟输入/输出模块。
输出模块:表2列出了PLC输出模块的一些关键技术规格。因为真实系统的精度有赖于测量通道(ADC),所以控制机制(DAC)仅需要足够的分辨率去调节输出。对于高端系统而言,需要16位的分辨率,采用标准数模转换架构很容易满足这个要求。精度并非至关重要;一般来说,12位积分非线性误差(INL)对于高端系统已经足够。
通过超输出量程并调整达到期望值,可以很容易实现25℃时0.05%的校准精度。如今的16位DAC,例如AD5066,4 可提供25°C时0.05mV典型偏移误差,以及0.01%典型增益误差,在很多情况下无需校准。0.15%的总精度误差看起来很容易实现,但实际上在超温情况下这个指标是比较严苛的。在工业温度范围上,30ppm/°C的输出漂移会增加0.18%的误差。
表2. 输出模块技术规格。
| 系统规范 | 要求 |
| 分辨率 | 16 位 |
| 校准精度 | 0.05% |
| 总模块精度误差 | 0.15% |
| 断路检测 | 需要 |
| 短路检测 | 需要 |
| 短路保护 | 需要 |
| 隔离 | 需要 |
输出模块可具有电流输出、电压输出,或者两者兼具。图4所示是一个采用分立器件实现4mA至20mA环路的经典解决方案。16位nanoDAC®数模转换器 AD5660 可提供0V至5V输出电压,该电压通过感应电阻RS设置电流,再经由R1。此电流通过R2实现镜像。
![]()
设定 RS = 15 kΩ, R1 = 3 kΩ, R2 = 50 Ω利用 5V DAC 将获得IR2 = 20 mA (最大值)。

图4. 分立电路实现4mA到20mA输出。 [p]
这种分立设计方案有很多缺陷:器件数量多,造成系统复杂、大的电路板尺寸以及成本;总误差难以计算,多个器件导致误差度随着不同极性系数而变化;这种设计不能提供短路检测/保护或者任何故障诊断;不包括许多工业控制模块中必需的电压输出。添加任何这类特性都将会导致设计复杂性和器件数量的增加,更好的解决方案是集成上述所有特性的单芯片IC,例如, AD5412/AD5422 这些低成本、高精度的12位/16位数模转换器。基于这些器件的方案能够提供完全集成的可编程电流源和可编程电压输出,专为满足工业过程控制应用需求而设计。

图5. AD5422可编程电压/电流输出。
输出电流范围可编程为:4mA至20 mA、0mA至20mA或者扩展的0mA至24mA。电压输出由独立的引脚提供,输出范围可以设置为:0V至5V、0V至10V、±5V或±10V,并且所有范围都允许扩展10%。模拟输出具有短路保护,在发生错误接线输出时,这是一个关键特性——例如,用户将输出连接到地而非负载。AD5422也具有断路检测特性,能够监控电流输出通道,以确保在输出和负载之间没有故障发生。在断路情况下,FAULT管脚将激活,向系统控制器报警。可编程电流/电压输出驱动器 AD5750 则兼具短路检测和保护特性。
图6所示为用于PLC评估系统的输出模块。早期的系统一般需要隔离500V至1kV的电压,而现今通常需要隔离高于2KV的电压。 ADuM1401 数字隔离器采用 iCoupler5 技术,为MCU和远端负载之间,或者输入/输出模块和背板之间提供必要的隔离。ADuM1401的3个通道在一个方向上进行通信,第4个通道在相反方向进行通信,提供来自转换器的隔离数据回读。对于更新的工业设计,ADuM3401 及该系列数字隔离器的其它产品能够提供增强的系统级ESD保护。

图6. 输出模块级。
AD5422产生自己的逻辑电源(DVCC),它能被直接连接到ADuM1401的现场侧,而无需携带逻辑电源通过隔离势垒。AD5422包括一个内部感应电阻,但是当要求更低的漂移时,也可采用一个外部感应电阻(R1)。因为感应电阻控制输出电流,其电阻的任何漂移都将影响输出。内部感应电阻的典型温度系数是15ppm/°C至20ppm/°C,在60°C温度范围上会增加0.12%的误差。在高性能系统应用中,一个外部感应电阻(2ppm/°C)能被用于保持漂移小于0.016%。
AD5422内置基准电压源(最大漂移10ppm/°C),这个基准电压源在PLC评估系统中的所有4个通道上均可被激活。另一个选择方案是超低噪声XFET基准电压源 ADR445 它具有0.04%的内部精度,温漂3ppm/°C,可用于两个输出通道,选择内置或是外部基准电压取决于总的系统性能需求。
输入模块: 输入模块的技术规格与输出模块相似。通常,高分辨率和低噪声是很重要的。在工业应用中,当测量来自热电偶、应变计以及桥式压力传感器的低水平信号时,通常需要差分输入信号,以抑制来自电机、交流电力线,或其它的噪声源(这些噪声源将噪声引入模数转换器(ADC)模拟输入端)的共模干扰信号。
对于输入模块而言,Σ-Δ型ADC是最受欢迎的选择,因为它们能够提供高精度及高分辨率。此外,其内置可编程增益放大器(PGA)可以精确测量小的输入信号。图7所示为用于评估系统的输入模块设计。3通道、24位Σ-Δ模数转换器AD7793 被配置为可提供较大范围的输入信号,例如4mA至20mA、±10V以及直接来自传感器的小信号输入。

图7. 输入模块设计。
这种普遍的输入设计很容易适应RTD/热电偶模块。如图所示,每个输入通道提供两个输入接线端子。一个输入端子直接连到AD7793。用户可以对内置PGA进行编程,以提供高达128的模拟增益。第二个输入端子使信号能够通过JFET输入仪表放大器 AD8220 被调理。这样,输入信号就被削弱、放大,并经过电平转换,以提供单端输入信号给ADC。除了提供电平转换功能,AD8220还具有非常好的共模抑制特性,这在宽动态范围的应用中很重要。
低功耗、高性能的AD7793功耗小于500μA,而AD8220功耗小于750μA。这个通道被设计为可接受4mA至20mA、0V至5V以及0V至10V的模拟输入信号。输入模块的其它通道针对双极性工作方式设计,可接受±5V 和±10V的输入信号。
为测量一个4mA至20mA输入信号,一个低漂移精密电阻通过开关(S4)连入电路。在这个设计中,该电阻的阻值为250Ω,但是,只要产生的电压在AD8220的输入范围内,就可以用任意电阻值。在测量电压时,S4保持断开状态。
大多数输入模块设计都需要隔离。图7展示了在PLC评估系统的一个通道上如何实现隔离。4通道数字隔离器ADuM5401 采用isoPower®6 技术,可提供2.5kV的有效值(RMS)信号和功率隔离。除了提供4个隔离的信号通道,ADuM5401还包含1个隔离的DC-DC转换器,能够提供一个稳定的5V、500mW输出信号,以驱动输入模块的模拟电路
完整的系统:图8所示为完整系统的概览。 ADuC7027 精密模拟微控制器7是主要的系统控制器。其内嵌ARM7TDMI内核,32位架构可轻松实现该器件与24位ADC的连接。它还支持16位thumb模式,如果需要,可实现更高的代码密度。ADuC7027带有16kB片上闪存,并可外接512kB存储器。高精度、低压降稳压器(LDO)ADP3339 可为微控制器提供稳压电源。

图8. 系统级设计。 [p]
评估板和PC之间的通信通过ADM3251E提供,该器件与RS-232收发器隔离。ADM3251E结合了isoPower技术,无需另外的隔离式DC-DC转换器。它非常适于严苛电力环境下的操作,或者需要频繁插拔RS-232电缆的场合,因为RS-232的引脚,包括Rx和Tx,都需要防范±15kV的静电放电干扰。
评估系统软件和评估工具:这套评估系统具有多种功能。与PC的通信可通过LabView8实现。微控制器(ADuC7027)的固件用C语言编写,能够控制往来ADC和DAC通道的低级命令。
图9所示为主屏幕界面。左侧的下拉菜单使用户能够选择激活的ADC和DAC通道。在每一个ADC和DAC菜单下方是一个范围设置下拉菜单,用于选择期望的输入和输出范围进行测量和控制。它支持的输入和输出范围包括:4mA至20mA、0mA至20mA、0mA至24mA、0V至5V、0V至10V、±5V和±10V。通过利用内置的PGA,ADC可直接提供小的信号输入范围。

图9. 评估软件主屏幕控制器。
图10所示的是ADC配置屏,用于设置ADC通道、更新速率和PGA增益;使能或禁止激励电流;以及其它通用ADC设置。通过将相应的DAC输出通道连接到ADC输入端,并调整每个范围,可以校准每个ADC通道。采用这种校准方法时,AD5422的偏移和增益误差指示每个通道的偏移和增益。如果这些不够精确,可采用超高精度电流和电压源进行校准。

图10. ADC配置屏幕。
在选择ADC的输入通道、输入范围和更新速率之后,现在我们利用ADC Stats屏幕,如图11所示,显示一些被测量的数据。在这个屏幕上,用户选择数据点的数目进行记录;软件生成所选通道的柱状图,计算峰-峰(P-P)和有效值(RMS)噪声并显示结果。在此处显示的测量范例中,输入信号通过AD8220被连接到AD7793:增益=1,更新速率=16.7Hz,采样数=512,输入范围=±10V,输入电压=2.5V。峰-峰分辨率为18.2位。

图11. ADC统计屏幕。
在图12中,输入信号被直接连接到AD7793,绕过AD8220。片上2.5V基准电压被直接连到AD7793的AIN+和AIN–通道,提供一个0V的差分信号给ADC。峰-峰分辨率是20.0位。如果ADC条件保持相同,但2.5V的输入被连接到AD8220,则峰-峰分辨率下降到18.9位,其原因有两个:在低增益时,AD8220带给系统一些噪声;提供输入衰减的可调电阻导致ADC出现一些范围损失。PLC评估系统允许用户改变可调电阻以优化ADC的满量程范围。

图12. AD7793性能。
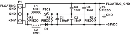
电源输入保护:PLC评估系统采用针对电磁兼容(EMC)的最佳实践。一个稳压直流电源(18V至36V)通过2线或3线接口连接到板上。电源必须防范故障和电磁干扰(EMI)。如图13所示,在板级设计中采取下列防御措施,以确保PLC评估系统免于电源端口可能产生的各种干扰。

图13. 电源输入保护。
- 压敏电阻R1被连接到靠近电源输入端口的地。在常规操作期间,R1的阻抗非常高(兆欧姆),因此漏电流很低(微安培)。当一个电流浪涌(例如由闪电引起)被感应到电源输入端口时,压敏电阻击穿,微小的电压变化就会导致快速的电流变化。在数十纳秒(ns)内,压敏电阻的阻抗显著下降。这种低阻抗路径可使得多余的能量浪涌返回到输入端,这样就保护了IC线路。3个可选的压敏电阻(R2、R3和R4)也被连接到输入路径中,以便在PLC板采用3线配置供电时提供保护。这些压敏电阻的成本一般低于1美元。
- 一个正温度系数电阻PTC1与电源输入走线串联连接。在常规运行期间,PTC1的阻抗非常低,对电路的其余部分没有影响。当电流超出标称值时,PTC1的温度和阻抗都会迅速增加。这种高阻抗模式限制了电流并保护了输入电路。当电流减少到标称值时,阻抗就回到标准值。
- 当PLC板浮动时,Y电容器C2、C3和C4可抑制共模传导EMI。这些安全电容器要求具有低阻抗和高耐压的特性。设计人员必须采用具有UL或CAS认证的Y电容器,并遵守绝缘强度法规标准。
- 电感器L1和L2滤掉从电源端口进入的共模传导干扰信号。二极管D1保护系统不受反向电压影响。工作电流下规定了一个低的正向电压的通用硅或肖特基二极管可被使用。
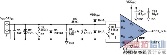
模拟输入保护:PLC板能够提供电压和电流输入。图14所示为输入电路结构。负载电阻R5被切换进电路以实现电流模式。电阻R6和R7削弱输出信号。电阻R8设置AD8220的增益。这些模拟输入端口会受到外部终端连接的电涌和静电放电干扰。瞬态电压抑制器(TVS)可提供高效保护使其免受放电干扰。当一个高能量瞬态电压出现在模拟输入端口时,TVS在几纳秒内从高阻抗降到低阻抗。它能吸收功率高达数千瓦的浪涌信号,并将模拟输入信号钳制到一个预置电压,这样就保护精密器件免受浪涌损害。TVS的优点包括具有快速响应时间、高瞬态吸收功率、低漏电流、低击穿电压误差,以及小封装尺寸。

图14. 模拟输入保护。 [p]
仪表放大器经常被用于处理模拟输入信号。这些精密的、低噪声器件对干扰很敏感,因此流进模拟输入端口的电流应被限制在几毫安以下。外部肖特基二极管通常可保护仪表放大器。即使在已具有内置ESD保护二极管的情况下,采用外部二极管也可使限制电阻更小并减小噪声和偏移误差。双肖特基势垒二极管D4-A和D4-B驱动过流到达电源或地。
当把连接外部传感器例如热电偶(TC)或电阻温度检测器(RTD)直接连到ADC时,需要类似的保护,如图15所示。

图15. 模拟输入保护。
- 两个TVS网络(D5-C和D5-D)被放在J2输入管脚后,以抑制来自端口的瞬态信号。
- C7、C8、C9、R9和R10构成ADC前面的RF衰减滤波器。这个滤波器有三个作用:从输入线路中去掉尽可能多的RF能量,以保持每条线路和地之间的交流信号平衡,并维持足够高的测量带宽输入阻抗,以避免载入信号源。该滤波器在-3dB差分和共模带宽分别是7.9kHz和1.6MHz。
模拟输出保护: PLC评估系统可通过软件配置为各种范围内的输出模拟电压或电流。输出信号由AD5422提供,该器件是一款高精度、低成本、完全集成的16位数模转换器,它能提供可编程电流源和可编程电压输出。AD5422的电压和电流输出可被直接连到外部负载上,因此它们易受到电压浪涌和EFT脉冲的影响。
输出电路结构如图16所示。

图16. 模拟输出保护。
- 一个TVS(D11)被用于滤除并抑制来自端口J5的所有瞬态信号。
- 一个绝缘的陶瓷铁氧体磁珠(L3)串联进输出路径,以增加对高频瞬态噪声的隔离和去耦效果。在低频(<100 kHz)时,铁氧体被感应;因此它们在低通LC滤波器中是有益的。在100kHz以上,铁氧体不能被感应,这是高频滤波器设计中的一个重要特性。铁氧体磁珠具有三个作用:局部化系统噪声,阻止外部高频噪声到达AD5422,并防止内部产生的噪声波及系统其余部分。当铁氧体处于饱和状态时,它们就变成非线性的并会损失滤波特性。因此,铁氧体的直流饱和电流一定不能超出其限制范围,特别是当产生高电流时。
- 双肖特基势垒二极管D9-A和D9-B将所有的过流都转移到正或负电源。在AD5422驱动1μF容性负载时,C22提供电压输出缓冲以及相位补偿。
- 电流输出通道上的保护线路与电压输出通道上的相当类似,只是用一个10Ω电阻(R17)取代了铁氧体磁珠。从AD5422输出的电流被外部的分立式NPN晶体管Q1提升。通过减小流入片上输出晶体管的电流,外部升压晶体管的加入将减少AD5422中的功率损耗。Q1的击穿电压BVCEO应大于60V。在AD5422被用于极端供电电压、负载电流和温度范围情况的应用中,这种外部升压能力是很有益的。升压晶体管还可被用于减少温度感应漂移,从而使片上基准电压的漂移达到最小,并改善器件的漂移和线性度。
- 一个15kΩ的精密低漂移电流设置电阻(R15)被连接到RSET,以改善电流输出稳定性。
- 在AD5422由外部电压驱动时,PLC演示系统可被配置为提供高于15V的电压输出。TVS用于保护电源输入端口。二极管D6和D7提供反向偏置保护。所有电源采用10μF的固态钽电容和0.1μF的陶瓷电容去耦。
IEC测试及结果:表3中的结果显示出在测试期间发生的DAC输出偏离情况。测试完成之后输出值恢复到初始值,这一般是指B级。A级意味着在测试期间,偏离值处于允许的系统精度范围内。典型的工业控制系统精度大约是0.05%。
表3. IEC测试结果。
| 测试项目 | 描述 | 结果 |
| EN和IEC 61000-4-2 | 静电保护(ESD),±4kV VCD | B级,通道3最大偏离0.32% |
| 静电保护(ESD),±8kV VCD | B级,通道3最大偏离0.28% | |
| EN和IEC 61000-4-3 | 辐射抗扰度 80MHz 至1GHz 10V/m,垂直天线极化 | 通道1最大偏离0.09%,B级通道3最大偏离0.30% |
| 辐射抗扰度 80MHz 至1GHz 10V/m,垂直天线极化 | 通道1最大偏离-0.04%, B级通道3最大偏离0.22% | |
| 辐射抗扰度 1.4MHz至2GHz 3V/m,垂直天线极化 | 通道1最大偏离0.01%,B级通道3最大偏离-0.09% | |
| 辐射抗扰度 1.4MHz至2GHz 3V/m,垂直天线极化 | 通道1最大偏离0.01%, B级通道3最大偏离0.09% | |
| EN 和IEC 61000-4-4 | 电快速瞬变脉冲群(EFT),±2kV 电源端口 | B级,通道3,最大偏离-0.12% |
| 电快速瞬变脉冲群(EFT),±1kV 信号端口 | A级,通道3,最大偏离–0.02% | |
| EN 和IEC 61000-4-5 | 电力线浪涌电压,±0.5 kV | 未发生电路板或部件损坏,通过B级 |
| EN和IEC 61000-4-6 | 电源线传导抗扰度测试, 10V/m ,持续5分钟 | B级,通道3,最大偏离0.09% |
| 输入/输出线缆传导抗扰度测试,10V/m ,持续5分钟 | B级,通道3,最大偏离-0.93% | |
| EN和IEC 61000-4-8 | 磁抗扰度 水平天线极化 | A级,通道3,最大偏离–0.01% |
| 磁抗扰度 垂直天线极化 | A级,通道3,最大偏离–0.02% |

图17. DAC通道直流电压输出。辐射抗扰度 80MHz至1GHz @ 10V/mH。

图18. DAC通道1直流电压输出。辐射抗扰度 1.4MHz至2GHz @ 3V/mH。
典型系统配置:图19的照片展示了评估系统以及如何配置一个典型系统。输入通道可接受环路供电和非环路供电传感器输入,以及标准工业电流和电压输入。完整的设计采用ADI的转换器、隔离技术、处理器,以及电源管理产品,使客户能够轻松评估整个信号链。

图19. 工业控制评估系统。
射频工程师养成培训教程套装,助您快速成为一名优秀射频工程师...

