- 易迪拓培训,专注于微波、射频、天线设计工程师的培养
LED driver solution for MR16 and similar retrofit lamps
录入:edatop.com 点击:
This application note presents an LED driver solution for MR16 and similar retrofit lamps. The circuit drives LEDs from a 12VAC input. The solution works with both magnetic and electronic transformers and is dimmable. It requires no electrolytic capacitors, which extends LED lamp life. Test setup and results are shown.

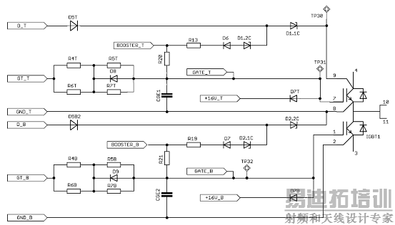
Figure 1. The schematic for the reference design.
Electronic transformers are designed to have halogen lamps as loads, and not LED lamps. For the transformer to work properly, it needs a minimal amount of load current through the cycle of the line voltage. If the load current falls below this minimum, or if high load-current transients bring it below this minimum, the transformer turns off during the cycle of the line voltage. If this happens, the lamp light can flicker. With halogen lamps, there is no problem having enough load current, because they are purely resistive loads and the power exceeds 20W. Moreover, the electronic transformers are designed to operate with resistive loads, as are halogen lamps.
When electronic transformers are used with halogen or incandescent lamps, two issues must be solved.
Trailing-edge dimmers reduce the amount of lamp light by cutting the final part of the line voltage at each half cycle.
Sometimes the infrastructure still includes a magnetic transformer instead of an electronic one. A magnetic transformer has the same requirements for resistive behavior of the load and minimum load current as does an electronic transformer. However, if a dimmer is present (leading-edge dimmers are typically used with magnetic transformers), the dimmer requires a resistive load and a minimum load current. In short, the LED driver has similar constraints to those mentioned above for electronic transformers.
The solution presented here uses an active, power factor correction (PFC) approach to control and shape the input current so it is compatible with electronic transformers and dimmers. Active PFC provides the best control of the input current; it keeps the current above the minimum required by the dimmer and transformer for the largest part of the input voltage cycle and, thus, avoids transient spikes of that current. Active PFC is, therefore, the best approach to design a dimmable lamp with no flicker.
Active PFC does not require large value (i.e., electrolytic) input capacitors. This is an advantage of the design. In this solution the input capacitor (C2) is a small value and ceramic. This solution works without electrolytic capacitors, which considerably extends the lamp lifetime.
LEDs dissipate most of the power provided to them by conduction. Meanwhile, MR16 LED lamps have little space for heatsinks because of their small size. Consequently, they often run at high temperatures in the +80°C to +100°C range. At those temperatures, even the lifetime of high-grade electrolytic capacitors is limited to little more than 10,000 hours, which is too few hours for an LED lamp.
Active PFC in this solution shapes the input current as a square wave, as in Figure 2.

Figure 2. Input current for the LED driver. [p]
Shaping the input current as a square is the best solution for control: it keeps its value (i.e., the transformer and dimmer load current) above the required minimum for the whole cycle of the line voltage.
This control is obtained using components R8 (sense resistor), R7, and C9. R7 and C9 provide the average MOSFET current, which is the same as the average input current; the MAX16834 maintains this value constant throughout each cycle of the input voltage.
Since this solution does not include electrolytic capacitors, the LED current is a rectified sinusoid (without dimmer) or a rectified sinusoid cut for a part of the angle (with dimmer), because energy is not stored between one cycle of the AC voltage and the following (Figure 3).

Figure 3. LED current is a rectified sinusoid, with frequency equal to twice the line voltage frequency.
The MAX16834 features output overvoltage protection (OVP). With OVP, if the LEDs are disconnected or open the driver turns off and the driver is not damaged.
In addition, this solution has been tested to work with the following dimmer/electronic transformer combinations.
This solution has been tested to work correctly with the following dimmer/magnetic transformer combinations.
Introduction
This application note describes a proprietary solution that will drive LEDs off a 12VAC input for MR16 and similar retrofit lamps. This design can be used with both magnetic and electronic transformers. It is dimmable with leading-edge dimmers for magnetic transformers and with trailing-edge dimmers for electronic transformers. No electrolytic capacitors are required. This greatly extends the lifetime of an LED lamp, because electrolytic capacitors are typically the element of the system with the shortest lifetime.Solution specifications
- Input voltage: 12VAC
- Output LED power: 5W
- Number of output series LEDs: 3 to 4
Board terminals (Figure 1)
- Inputs: VIN1, VIN2, input AC supply
- Outputs: LED+, LED-, output LED anode and cathode connections

Figure 1. The schematic for the reference design.
Compatibility issues for electronic transformers and dimmers
Electronic transformers are a lower cost, smaller, and lighter alternative to traditional magnetic transformers for converting the 120VAC/230VAC line voltage to 12VAC and to supply an MR16 lamp. Electronic transformers modulate the input AC voltage with a frequency of 35kHz to 40kHz, and then feed this signal to a high-frequency transformer that converts 120/230VAC to 12VAC. Thanks to this high-frequency modulation, the transformer can be less expensive, smaller, and lighter. The 35kHz to 40kHz modulation is done with a self-oscillating circuit that uses a proportional base drive for the bipolar transistors that function as the switches for a half bridge.Electronic transformers are designed to have halogen lamps as loads, and not LED lamps. For the transformer to work properly, it needs a minimal amount of load current through the cycle of the line voltage. If the load current falls below this minimum, or if high load-current transients bring it below this minimum, the transformer turns off during the cycle of the line voltage. If this happens, the lamp light can flicker. With halogen lamps, there is no problem having enough load current, because they are purely resistive loads and the power exceeds 20W. Moreover, the electronic transformers are designed to operate with resistive loads, as are halogen lamps.
When electronic transformers are used with halogen or incandescent lamps, two issues must be solved.
- LED lamps are, in general, not purely resistive loads. In particular, if the driver is a simple voltage rectifier followed by a DC-DC converter, its input current is made of short, high spikes of current at each half cycle of the input voltage. This is not good for transformers;
- LED lamps are more efficient than halogen lamps. While this is certainly good, it can be an issue for compatibility with electronic transformers because the load current of LED lamps is, of course, lower.
Trailing-edge dimmers reduce the amount of lamp light by cutting the final part of the line voltage at each half cycle.
Sometimes the infrastructure still includes a magnetic transformer instead of an electronic one. A magnetic transformer has the same requirements for resistive behavior of the load and minimum load current as does an electronic transformer. However, if a dimmer is present (leading-edge dimmers are typically used with magnetic transformers), the dimmer requires a resistive load and a minimum load current. In short, the LED driver has similar constraints to those mentioned above for electronic transformers.
Description of the circuit
This circuit is a buck-boost converter, composed of inductor L1, switching MOSFET Q1, and power diode D6. It works in fixed-frequency, continuous-conduction mode.The solution presented here uses an active, power factor correction (PFC) approach to control and shape the input current so it is compatible with electronic transformers and dimmers. Active PFC provides the best control of the input current; it keeps the current above the minimum required by the dimmer and transformer for the largest part of the input voltage cycle and, thus, avoids transient spikes of that current. Active PFC is, therefore, the best approach to design a dimmable lamp with no flicker.
Active PFC does not require large value (i.e., electrolytic) input capacitors. This is an advantage of the design. In this solution the input capacitor (C2) is a small value and ceramic. This solution works without electrolytic capacitors, which considerably extends the lamp lifetime.
LEDs dissipate most of the power provided to them by conduction. Meanwhile, MR16 LED lamps have little space for heatsinks because of their small size. Consequently, they often run at high temperatures in the +80°C to +100°C range. At those temperatures, even the lifetime of high-grade electrolytic capacitors is limited to little more than 10,000 hours, which is too few hours for an LED lamp.
Active PFC in this solution shapes the input current as a square wave, as in Figure 2.

Figure 2. Input current for the LED driver. [p]
Shaping the input current as a square is the best solution for control: it keeps its value (i.e., the transformer and dimmer load current) above the required minimum for the whole cycle of the line voltage.
This control is obtained using components R8 (sense resistor), R7, and C9. R7 and C9 provide the average MOSFET current, which is the same as the average input current; the MAX16834 maintains this value constant throughout each cycle of the input voltage.
Since this solution does not include electrolytic capacitors, the LED current is a rectified sinusoid (without dimmer) or a rectified sinusoid cut for a part of the angle (with dimmer), because energy is not stored between one cycle of the AC voltage and the following (Figure 3).

Figure 3. LED current is a rectified sinusoid, with frequency equal to twice the line voltage frequency.
The MAX16834 features output overvoltage protection (OVP). With OVP, if the LEDs are disconnected or open the driver turns off and the driver is not damaged.
Test results
This reference design board was tested under these conditions:- Electronic transformer: Lightech LET-60
- Input voltage of the electronic transformer: 120VAC, 60Hz
- Input voltage of the driver circuit: 12VAC, 60Hz modulated at 40kHz
- Output: 4 series LEDs
- LED power: 4.2W
- Efficiency: 77%
- Input power factor: 0.943
| Input Voltage | Maker | Model |
| 120VAC | B+L Technologies | FX95100 |
| 120VAC | Eaglerise Electric & Electronic (Foshan) Co Ltd. | B04558F1 |
| 120VAC | Q Tran®, Inc. | QT10-120/12-NTP-RC |
| 120VAC | Hatch | RS1260M-LED |
| 120VAC | Hatch | VS12-60WD |
| 120VAC | Hatch | VS12-75WD |
| 120VAC | Hatch | RS12-60PILB-LED |
| 120VAC | Hatch | RS12-80m |
| 120VAC | Hatch | RS12-15m |
| 120VAC | Hatch | RS12-30m |
| 120VAC | Lightech | LET-60 |
| 120VAC | Lightech | LVT-60 |
| 110VAC | Nobile | AFM-70KC |
| 120VAC | Progress Lighting® | P8560-31 |
| 120VAC | Wang House Technology | WH-801E6A |
| 120VAC | Wang House Technology | WH-601E2CA-2M |
| 220VAC | Hatch | RS12-60-230m |
| 220VAC | Leadman Electronics® | KY-05036S-12 |
| 220VAC | Ly SHLY | 021-66770066 |
| 220VAC | Nobile | EN-35M |
| 230VAC | Nobile | EN-35ST |
| 230VAC | Nobile | EN-60D2 |
| 80-270VAC | NVC® Lighting Technology Corporation | NLD-15W/12V |
| 220VAC | OSRAM® | ECO-ET 60/220 |
In addition, this solution has been tested to work with the following dimmer/electronic transformer combinations.
| Input Voltage | Dimmer Maker | Dimmer Model | Electronic Transformer |
| 120V | Lutron® Electronics | Nova NELV-450 | Hatch R12-60M-LED |
| B + L FX95100 | |||
| 120V | Lutron Electronics | Skylark SELV-300P | B + L FX95100 |
| 120V | Lutron Electronics | Diva DVELV-300P | Hatch R12-80M |
| B + L FX95100 |
This solution has been tested to work correctly with the following dimmer/magnetic transformer combinations.
| Input Voltage | Dimmer Maker | Dimmer Model | Magnetic Transformer |
| 120V | Lutron Electronics | Nova NLV-600 | Q Tran Qt10-120-12-NTP-PC10VA |
| Eaglerise B04558F1 40VA | |||
| Schneider Electric® 150VA150SV43A (Square D) | |||
| 120V | Lutron Electronics | Diva DLV-600P | Q Tran Qt10-120-12-NTP-PC10VA |
| Eaglerise B04558F1 40VA | |||
| 120V | Lutron Electronics | Skylark SLV-600P | Q Tran Qt10-120-12-NTP-PC10VA |
| 120V | Lutron Electronics | Maestro MALV-600 | Q Tran Qt10-120-12-NTP-PC10VA |
| Schneider Electric 150VA150SV43A (Square D) |
Test procedure
- Turn off the 120VAC/230VAC power supply.
- Connect the input of the trailing-edge dimmer (if present) to the power supply.
- Connect the output of the dimmer to the input of the electronic transformer. Alternatively, connect the input of the transformer to the power supply if no dimmer is present.
- Connect the output of the dimmer to the VIN1 and VIN2 board inputs.
- Connect the LEDs between LED+ (anode) and LED- (cathode).
- Turn on the power supply.
射频工程师养成培训教程套装,助您快速成为一名优秀射频工程师...
射频和天线工程师培训课程详情>>

