- 易迪拓培训,专注于微波、射频、天线设计工程师的培养
大功率可调开关电源的一种设计方案
一种大功率可调开关电源的设计方案
一种大功率可调开关电源的设计方案
摘 要:本文给出了一种新型大功率可调开关电源的设计方案。采用Buck 型开关电源拓扑,以带单路PWM 输出和电流电压反馈检测MC33060 为控制IC,配以双路输出IR2110 驱动芯片,设计了一种可调高电压大功率的开关电源,有效解决了普通开关电源在非隔离拓扑结构下输出电压和功率不能达到很高的**,并带有过流保护等电路。文中以MC33060 的应用为基础介绍了可调开关电源设计的方法,然后详细讲解了本系统的组成以及各个部分的作用,文章最后总结了该系统的特点。
1.引言
开关电源作为线性稳压电源的一种替代物出现,其应用与实现日益成熟。而集成化技术使电子设备向小型化、智能化方向发展,新型电子设备要求开关电源有更小的体积和更低的噪声干扰,以便实现集成一体化。对中小功率开关电源来说是实现单片集成化,但在大功率应用领域,因其功率损耗过大,很难做成单片集成,不得不根据其拓扑结构在保证电源各项参数的同时尽量缩小系统体积。
2.典型开关电源设计
开关电源一般由脉冲宽度调制(PWM,Pulse Width Modulation)控制IC(Integrated Circuit)和功率器件(功率MOSFET 或IGBT)构成,且符合三个条件:开关(器件工作在开关非线性状态)、高频(器件工作在高频非接近上频的低频)和直流(电源输出是直流而不是交流)。
2.1 控制IC
以MC33060 为例介绍控制IC。
MC33060 是由安森美(ON Semi)半导体公司生产的一种性能优良的电压驱动型脉宽调制器件,采用固定频率的单端输出,能工作在-40℃至85℃。其内部结构如图1 所示[1],主要特征如下:
1) 集成了全部的脉宽调制电路;
2) 内置线性锯齿波振荡器,外置元件仅一个电阻一个电容;
3) 内置误差放大器;
4) 内置 5V 参考电压,1.5%的精度;
5) 可调整死区控制;
6) 内置晶体管提供200mA 的驱动能力;
7) 欠压锁定保护;

图1 MC33060 内部结构图
其工作原理简述:MC33060 是一个固定频率的脉冲宽度调制电路,内置线性锯齿波振荡器,振荡频率可通过外部的一个电阻和一个电容进行调节,其振荡频率如(2-1)式:

输出脉冲的宽度是通过电容CT 上的正极性锯齿波电压与另外两个控制信号进行比较来实现。功率管Q1 的输出受控于或非门,即只有在锯齿波电压大于控制信号期间输出才有效。
当控制信号增大时,输出脉冲的宽度将减小,具体时序参见如下图2.

图 2 MC33060 时序图
控制信号由集成电路外部输入,一路送至死区时间比较器,一路送往误差放大器的输入端。死区时间比较器具有120mV 的输入补偿电压,它**了最小输出死区时间约等于锯齿波周期的4%,即输出驱动的最大占空比为96%.当把死区时间控制输入端接上固定的电压(范围在0-3.3V)即能在输出脉冲上产生附加的死区时间。脉冲宽度调制比较器为误差放大器调节输出脉宽提供了一个手段:当反馈电压从0.5V 变化到3.5V 时,输出的脉冲宽度从被死区确定的最大导通百分比时间下降到零。两个误差放大器具有从-0.3V 到(Vcc-2.0)的共模输入范围,这可从电源的输出电压和电流察觉得到。误差放大器的输出端常处于高电平,它与脉冲宽度调制器的反相输入端进行"或"运算,正是这种电路结构,放大器只需最小的输出即可支配控制回路。
2.2 DC/DC 电源拓扑
DC/DC 电源拓扑一般分为三类:降压、升压和升降压。此处以降压拓扑介绍,简化效果图如下图3 所示。输出与输入同极性,输入电流脉动大,输出电流脉动小,结构简单。
图 3 Bulk 降压斩波电路

在开关管导通时间ton,输入电源给负载和电感供电;开关管断开期间toff,电感中存储的能量通过二极管组成续流回路,保证输出的连续。负载电压满足如下关系式(2-2):

2.3 典型电路与参数设计
典型电路如下图4 所示。

图 4 MC33060 的降压斩波电路
MC33060 作为主控芯片控制开关管的导通与截止,由其内部结构功能可知,在MC33060内部有一个+5V 参考电压,通常用作两路比较器的反相参考电压,设计中1 脚和2 脚的比较器用来作为输出电压反馈,13 脚和14 脚的比较器用来检测开关管的电流是否过流。电路中2 脚通过一个反相电路接参考电压,降压输出反馈经一同相电路接MC33060 的1 脚。当电路处于工作状态时,1 脚和2 脚电压就会相互比较,根据两者的差值来调整输出波形脉宽,达到控制和稳定输出的目的。
电路中过流保护采用0.1 欧姆额定功率为1W 的功率电阻作为采样电阻,在电流过流点,采样电阻上的电压为0.1V.14 脚用作采样点,因此13 脚的参考电压由Vref 分压设定为0.15V,相比0.1V 留有一定余地。当采样电压高于设定值时,MC33060 将自动保护,关闭PWM 输出。保护点还和3 脚的控制信号有关,根据对该脚的功能分析,选择积分反馈电路,使得降压电路在空载或满载时,Comp 脚的电压始终在正常范围(0.5V-3.5V)之内。
输出 PWM 波形的频率由管脚5 的电容和管脚6 的电阻值来确定,降压电路采用25KHz的波形频率,选择CT 值为1nF 电容,RT 为47K 的普通电阻达到设计要求。
3.本系统设计
本设计采用的是DC(Direct Current)/DC 转换电路中的降压型拓扑结构。输入为220VAC和0-10V 可调直流电压,输出为0-180V 可调,最大输出电流能达8A,系统组成框图如下图5 所示。在大功率开关电源设计中,为防止在启动时的高浪涌电流冲击,常采用软启动电路,本设计不重点介绍。

图 5 系统组成框图
3.1 整流滤波电路
采用全桥整流电路,如下图6 所示。输出电流要求最大达到8A,考虑功率损耗和一定的余量,选择10A 的方桥KBPC3510 和10A 的保险管。整流后的电压达310V,采用两个250V/100uF 电容作滤波处理。图中开关S1 和电阻R1 并联为"软启动"部分,此处未作详细讲解,详细软启动设计见各种开关电源软启动设计。

图 6 整流电路。
3.2 控制IC 与输入电路
MC33060 控制电路和输入调节电路分别如下图7 和图8 所示,选MC33060 为控制IC,其外围器件选择此处不再赘述,参考典型电路设计中参数选择部分。其中比较器1 作电压采样,比较器2 作电流采样。输入可调电压经分压跟随后送入比较器的负向端作为参考电压控制电源输出大小。

图 7 MC33060 控制电路
![]()

图 8 输入调节电路
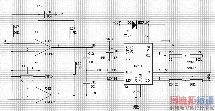
3.3 反相延时驱动电路
反相延时驱动电路如下图8 所示。电路中驱动芯片采用了美国International Rectifier(IR)公司的IR2110.它不仅包括基本的开关单元和驱动电路,还具有与外电路结合的保护控制功能。其悬浮沟道的设计使其可以驱动工作在母线电压不高于600V 的开关管,其内部具有欠压保护功能,与外电路结合,可以方便地设计出过电流,过电压保护,因此不需要额外的过压、欠压、过流等保护电路,简化了电路的设计。

图 8 反相延时驱动电路
该芯片为而输出高压栅极驱动器,14 脚双列直插,驱动信号延时为ns 级,开关频率可从几十赫兹到几百千赫兹。IR2110 具有二路输入信号和二路输出信号,其中二路输出信号中的一路具有电平转换功能,可直接驱动高压侧的功率器件。该驱动器可与主电路共地运行,且只需一路控制电源,克服了常规驱动器需要多路隔离电源的缺点,大大简化了硬件设计。IR2110 就简易真值图如下图9 所示。

图 9 IR2110 简易真值图。
IR2110 有2 个输出驱动器,其信号取自输入信号发生器,发生器提供2 个输出,低侧的驱动信号直接取自信号发生器LO,而高侧驱动信号HO 则必须通过电平转换方能用于高侧输出驱动器。本系统中驱动双管需一片IR2110 即可。
因驱动双管,且双管不能同时导通,控制IC 输出只有一路信号,则在控制IC 输出和驱动之间需加入反相延时电路,将控制IC 输出的一路PWM 经同相和反相比较器后,经电阻R29 和R30 的上拉分别对电容C12、C13 充电产生延时,使得两路PWM 具有对称互补性且具有一定的死区间隔,保证主回路中两开关管不会同时导通。在电路中HIN 和LIN 标号端得到的波形图如下图10 所示。

图 10 反相后驱动波形
3.4 主回路与输出采样
主回路如图 11 所示,采用半桥开关电路。

图 11 主回路
根据整流后的电压和输入电流参数,选择IRF840 为高频开关管,其最大耐压VDS 为500V,最大能承受的导通电流ID 为8A,满足设计要求。工作在高频工作状态的续流二极管一般选用快恢复的二极管,此处选择HFA25TB60,能承受600V 的反向压降,最大导通电流为25A,且恢复时间仅为35ns.输出部分通过两个电阻分压至电压采样电路,如下图12 所示。

图 12 电压采样电路
3.5 过流保护电路
过流保护电路如下图13 所示。

图 13 过流检测电路。
在主回路的上端串联一个0.33 欧姆10W 的功率电阻作为采样电阻,当电流过大时,光耦中光敏三极管导通,检测电路输出高电平到IR2110 的SD 端,由于SD 是低电平有效、高电平关断点,因此电流过大时能很好地保护电路。且如前所述,IR2110 自身带有各种保护电路,故外围的电流电压保护电路可以大大简化。
4. 总结
本设计给出了在非隔离拓扑下一种设计大功率开关电源的方法,电路结构简单。在主回路中采用半桥电路替代传统的单管开关电路,在上管关闭时,下管的开通能更好地保证输出续流的稳定性,且保证功率的输出。文中并未给出电感量的计算方法,因不是讨论重点,可根据电路中输出电流、电压和开关管的RDS(MOSFET 管漏极和源极导通电阻)等参数来计算,实际中应留有一定的余量值。系统运行基本稳定,可考虑应用于工业电源设计中。
射频工程师养成培训教程套装,助您快速成为一名优秀射频工程师...
天线设计工程师培训课程套装,资深专家授课,让天线设计不再难...
上一篇:LED照明电源电路设计有问必答
下一篇:基于准谐振型软开关的高频开关电源变换器

