- 易迪拓培训,专注于微波、射频、天线设计工程师的培养
通信系统中二次电源电路的滤波保护电路及缓启电路原理
本文主要论述了二次电源系统中-48V电路经DC/DC变换3.3V模块中的滤波、保护电路,以及在采用电源热备份集中供电系统中,拔插采用3.3V电源的单板时抑止浪涌电流的电源缓启电路。
引言
现代集成电路工艺已进入亚微米阶段,数字信号的上升/下降时间普遍为亚纳秒量级,这使高速数字系统的设计面临巨大挑战。晶体管尺寸越来越小,使得其工作电压越来越低,同时时钟频率不断上升,微处理器(CPU)和各种专用芯片(ASIC)集成的功能越来越多,其消耗的功率也越来越大,这对电源系统的稳定性和可靠性提出了更高的要求。
在通信系统设备中,电源的设计通常分一次电源和二次电源两部分,一次电源系统的输入是50Hz交流电,电压根据国家不同分220V和110V两种,输出通常为-48V。二次电源通常指从-48V或-24V转换成5V、3.3V等低电压以及从低压到低压的转换电源。
在采用集中供电的二次电源系统中,板卡插入主机时,主机已经处于稳定的工作状态,所有容性负载均已充电。待插的板卡是不带电的,板卡上的容性负载没有充电。在热插入过程中,待插板卡上的电容瞬间充电。充电过程将在插入的瞬间从系统电源吸纳大量的电流,导致系统电压瞬间跌落,影响其它板卡的正常运行。在电源线接触的瞬间,系统电源的输出电阻和待插板卡的电容组成RC充电通道,由于电源的输出电阻很小,浪涌电流非常大。在拔出板卡的过程中,板卡上的旁路电容放电,和背板之间形成一个低阻通道,也会产生瞬间大电流。浪涌电流携带大量的能量,会毁坏接口器件、连接器和金属连线。为了防止上述情况发生,所以要对电源系统进行必要的保护性设计。
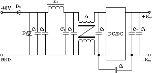
1 二次电源的滤波保护
对于采用-48V输入电压供电的系统中,各单板的输入电路的滤波和保护电路的设计一般要遵循的原则是:满足相关的可靠性和电磁兼容技术标准的要求,相应的标准可以参考公司的技术标准和国际通行的标准。通常应用如图1所示的电路。
图1 典型-48V电源输入滤波保护电路
输入保护电路一般分防雷击保护和输入电压反接保护,D1为单极性瞬态抑制二极管,插件封装的推荐型号为1.5KE68A,D2为输入电压防反接二极管,插件封装的推荐型号为SB560,D2也可以用保险丝替代,在单板总功率大于50W时,考虑D2的功率耗散建议使用保险丝。
滤波电路由一级π形滤波器和一级共模滤波器组成,C2、C3为铝电解电容,电压大于100V,建议使用105℃工作范围的,容量在47~470μF,C1、C4为高频滤波电容,推荐使用X7R材质的瓷片电容,或聚酯薄膜电容,容量0.47~1.5μF,耐压大于63V。L1选用电感量在100~300μH之间,工作电流根据单板总功率确定,考虑电感的饱和因素,最好按50%降额。L2选取电感量在100~300μH之间,注意这个电感要采用间绕方式,减少线间电容,电流选取同L1,C6为辐射噪声抑制电容,选用时注意耐压大于500V,容量大于1000pF。C7、C8为输出滤波电容,C7选用钽电容,输出5V时选用耐压10V的,输出3.3V时选用耐压6.3V的,容量均在220μF以上,C8建议选用高频瓷片电容,容量在10~22μF之间,耐压一般大于6.3V即可。
图2及图3中输出电压分别为3.3V和1.5V时电源纹波大小分别为48.8mV和41.2mV,可以看到电源输入滤波保护电路效果明显。
图2 输出电压3.3V时的纹波
图3 输出电压1.5V时的纹波 [p]
2 电源的缓启保护
2.1 缓启保护电路的原理
从上面的分析可知,解决带电插拔不利影响的根本措施是减少浪涌电流,浪涌电流是由于待插板卡的容性负载在上电瞬间充电引起的。由公式I=Cdv/dt可知,上电时间直接决定了浪涌电流的大小。在一般的带电插拔过程中,充电电压相当于一个阶跃激励,dv/dt极大。我们知道在采用
RC充电回路中,电容的充电时间可以简单地通过改变R和C值来设定,如果利用这个渐变的电压控制一个在一定电压下导通的MOS管,就可以非常有效地减少浪涌电流的值,从而最大程度地减少带电插拔带来的负面影响。
2.2 缓启保护电路
下面我们详细介绍缓启电路的工作原理和电路中各个关键元器件参数之间的关系,为不同场合的实际应用提供参考。图4为实际中经常使用的综合缓启电路。保险丝F1限制最大电流,一般采用慢熔保险丝,保险丝的额定电流是板卡最大工作电流的2~3倍。R1、R2、C4和R3、R4、C5分别组成两条RC充电回路给P沟道MOS管IRF7410提供栅极电压。两条不同的充电回路具有不同的RC充电时间,以满足单板上不同上电顺序的需要。R1、R2和R3、R4的作用是通过与接地电阻之间的分压,直接给MOS管的栅级提供一个开启电压,缩短了MOS管达到开启电压的时间,在R2上并联一个电容C3使得两个缓起电路避开同时达到MOS管的开启电压,减少单板的开关噪声。
图4 3.3V电源缓启保护电路
L1和L2对电源进行电感滤波后通过MOS管提供给单板。滤波电感个数和IRF7410个数的选择,取决于单板3.3V电源电流的大小,为了保持单板电路系统的稳定,需要把滤波电感和缓启电路引入的压降控制在0.1V左右,其中电感的直流电阻是10mΩ,IRF7410的导通电阻是8mΩ,以单板3.3V功耗在30W左右的单板为例,电流达到了10A,那么必须把导通电阻控制在10mΩ以内,考虑到器件的离散性,在留够裕量后,电感采用用2个,IRF7410采用3~4个,实际使用中可以通过具体调试确定具体的数量。
在电感前面放置一个续流二极管D1,在系统断电时给电感L1和L2所产生的感应电动势一放电回路。0.1μF的瓷片电容和1μF的瓷片电容C1、C2,减少了单板内的开关噪声干扰。在单板重负载时,可以适当增加电容个数。C6、C7和C8、C9分别对输出的电源再进行一次滤波,使单板最终得到平滑稳定的电源。
2.3 缓启保护电路的理论计算和实验结果
图4中Q1和Q4的栅源级电压分别为 [p]
Vgs1≈3.3
(1)
Vgs2=3.3
(2)
P沟道MOS管IRF7410的开启电压Vgs大约为-0.9V,根据式(1)及式(2),电源缓启回路导通时间t1≈0.815ms,t2≈40.9μs。如图5和图6所示,缓启回路1的缓启时间t1=1.36ms,缓启回路2的缓启时间t2=31.2μs。理论计算与实际测量的误差主要是因为忽略电容C3以及电阻值和IRF7410导通电压的误差所致,但是并不影响实际电路的使用。图7所示为拔掉单板时输出电压波形图,可以看出由于RC放电回路的存在,IRF7410管并不立即截止,单板不立即掉电,对单板电路也可起到一定的保护作用。
图5 3.3VOut1缓启过程
图6 3.3VOut2缓启过程
图7 拔掉单板时3.3VOut1掉电过程
上述缓启电路在实际使用过程中,可以根据单板的电源电压,上电时序和上电时间要求,灵活选用不同的RC回路的电阻和电容和MOS管,在RC回路中设定不同的分压比,达到对单板电源缓启的目的。
3 结语
安全稳定可靠的电源系统,在通信系统中有着举足轻重的作用。本文给出了在通信系统中的二次电源电路的DC/DC模块前的滤波保护电路,以及采用集中供电方式中各个单板对输入电源的缓启电路。阐述了在实际设计使用中应考虑的问题,实际测量的结果符合预期的目标。上述电路在通信系统中具有广泛的应用价值.
射频工程师养成培训教程套装,助您快速成为一名优秀射频工程师...
天线设计工程师培训课程套装,资深专家授课,让天线设计不再难...
上一篇:VI晶片基本功能介绍
下一篇:2012:看MCU在新能源汽车中的创新应用

