- 易迪拓培训,专注于微波、射频、天线设计工程师的培养
基于ACPL-782T的汽车用小型隔离放大技术
ACPL-782T是在电子马达驱动器和电池系统监控中使用的小型绝缘放大器,用于电压和电流检测。在典型应用中,马达电流流过一个外部电阻器,产生的模拟压降被ACPL-782T检测。在ACPL-782T光隔离屏障的另一端,生成了差分输出电压。差分输出电压同马大电流成比例,并且利用在推荐应用电路中使用的光放大器可以将其转换为单端信号。由于在现代的开关转换马达驱动器中,在几十亿分之一秒内出现几百伏的电压摆动很常见,ACPL-782T可以忽略非常高(至少10kV/µs)的通用模式瞬间回转速度。
ACPL-782T隔离放大器的高CMR性能使其具有在高噪音马达控制环境中精确地监控马达电流和直流电压轨所需的精度和稳定性,可以在多种马达控制应用中实现更加平滑的控制(更少的转矩脉动)。
该产品还可以用于在同样恶劣的噪声环境下需要高精度、高稳定性和高线性度的通用模拟信号隔离应用。ACPL-782T采用Σ-Δ模数转换器技术、斩波稳定放大器和全差分电路拓扑结构。
在整个时间和温度范围内,这些功能带来了较高的隔离模式噪声抑制以及较好的偏移量、增益精度和稳定性。器件采用小型8引脚工业标准DIP封装,满足世界范围内的安全标准。
图1ACPL-782T功能方框图
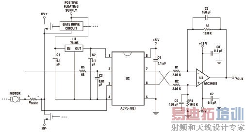
图2ACPL-782T应用电路图
ACPL-782T主要特性
•在25℃时具有±2%增益公差
•VCM=1000V时,具有15kV/μs的通用模式抑制
•30ppm/℃的增益漂移/温度
•0.3mV输入失调电压
•100kHz带宽
•0.004%的非线性度
•小型、自动插入标准8引脚DIP封装
•世界范围内的安全标准:
-UL1577(3750VRMS/1min.)
-CSA
-IEC/EN/DINEN60747-5-5
•满足AEC-Q100测试指南要求
•汽车级工作温度范围:-40℃~125℃
•先进的Sigma-Delta(Σ-Δ)A/D转换技术
•全差分电路拓扑结构
ACPL-782T应用
•汽车马达逆变器电流/电压检测
•汽车AC/DC和DC/DC转换电流/
电压检测
•汽车电池ECU
•汽车马达相位电流检测
•隔离接口用于温度检测
•通用电流检测和监控
射频工程师养成培训教程套装,助您快速成为一名优秀射频工程师...

