- 易迪拓培训,专注于微波、射频、天线设计工程师的培养
BL8530升压电源变换的应用
BL8530是一种国产的DC-DC升压电路.与,国外类似产品相比.具有价格便宜的优势。由于它是固定输出电压.当我们需要一些非标准的电压时,可以通过增加外围电路来达到目的。
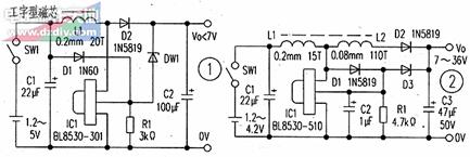
图1电路可以把较低的输出电压进行提升.但这个电路只能升高到7V以下.这是因为BL8530内部的Lx端有过压保护,把输出电压的最大值限制在7v以下。

D1为BL8530提供一个启动工作电压.可以用2AP、IN60、1N5817等二极管,R1为DW1稳压二极管提供一个稳定的工作电流.一般大于1mA即可。例如:当DW1用TL431时。输出电压Vo=3+2.5=5.5V,换用不同的稳压管.可得到所需电压。
要得到高于7V的输出电压,就要在电感线圈上增加一个升压绕组.电路见图2。
L2使用Φ0.08mm的漆包线只是为了减小电感线圈的体积。升压绕组的圈数可根据自己的需要绕制,按图中数据,使用4V锂电池,不接D3,负载电流在1mA时,输出电压超过40V。
还可以把图2设计成可以自关断的升压电路,来代替数字万用表里的9V电池,电路见图3。直接代替9V电池,数字表不用做任何改动,电路可以自动关断。关断后的电流极小.几乎测不出。

使用1.2V的充电电池。输出电流大于10mA。用4V锂电池.输出电流可以超过30mA,可用于耗电较大的设备。锂电池要用带保护板的电池.以免过放电损坏电池或发生危险!
用电视机高频头制作FM全频段接收机,使用交流电源时,移动很不方便。如果用3节5号充电电池或一节锂电池供电,就很方便携带。高频头所需的5V工作电压和33V调谐电压电路见图4。

上面的电路都是通过稳压二极管来提高输出电压,都是固定输出,如果把稳压二极管换成TLA31或LM285、LM385.就可以连续调节输出电压,电路见图5。
LM285、LM385是微功率电压基准电路,与TL431相比,可以提高升压电路的工作效率,但R1要换成240kΩ。
与BL8530类似的升压电路很多,如QX2301、AIC1642、ML63等,参考BL8530的使用方法.可以灵活地得到各种输出电压。

射频工程师养成培训教程套装,助您快速成为一名优秀射频工程师...
天线设计工程师培训课程套装,资深专家授课,让天线设计不再难...
上一篇:医疗电源的选择与应用
下一篇:高频开关电源技术

