- 易迪拓培训,专注于微波、射频、天线设计工程师的培养
液晶显示器的LED背光驱动控制设计方案
本文介绍了一种液晶显示器的LED 背光驱动控制设计方案,对电路的整体控制、各项功能的实现、各性能参数的详细计算方法以及电路的具体设计等一一进行了阐述,并给出了相关的控制框图和时序图,配合灵活的FPGA 的软件编程以及恰当的LED 灯组布局,可以实现良好的LED 背光驱动控制。
相对传统的CCFL 液晶显示器背光源存在色阶差、色纯度低、需高压驱动导致功耗大、屏厚度大等缺点而言,LED 背光源以其功耗低、寿命长、更环保、屏厚度低等优点在民用和军用显示产品上得到更多应用。尤其是它超强的色彩表现力更是CCFL 背光源远不及的, 其色彩饱和度达到甚至超过Adobe RGB 和NTSC 色彩标准要求, 可以达到NTSC ratio100%以上平面光源特性, 而CCFL 背光只能实现NTSC 色彩区域的78%。另外,LED 的高刷新频率使其在视频方面有更好的性能表现,LED 显示屏的单个元素反应速度是CCFL 背光液晶屏的1 000 倍,即使是在强光下也可以照看不误,并且适应零下40 ℃的低温。
随着LED 背光源越来越广泛地应用,其驱动电路的良好设计也就显得格外重要。对于普通的小型液晶显示器而言,通常只要几个LED 灯便可满足其显示要求,因此对驱动电路的要求也较低。对于中大型液晶显示器而言,常需要几十、上百个的LED 灯,对电路驱动能力的设计要求就更高。笔者介绍的基于LT3599 LED 背光源驱动控制电路, 可以适用于中大型液晶显示器(同样也可适用于小型液晶屏背光源的驱动)。此电路经测试和试验验证,能满足各种常规中大型液晶显示器的背光驱动控制电路的要求。
1 LT3599 简介
LT3599 是一款真彩色PWM 脉宽调控的DC/DC 转换器,它的占空比高达3 000:1, 带有4 路LED 驱动, 每路可驱动120 mA 电流,且每路的电流大小均可编程控制和独立开关。
它能适应3.1 V~30 VDC 的宽输入电压范围, 输出电压高达44 VDC,开关频率范围为200 kHz~2.1 MHz,同步时钟的选择灵活———即可接外部时钟也可用自带同步时钟。
LT3599 带过压、欠压、过流、过热、抗较大浪涌电流、输出短路或开环保护等完善的保护功能,是一款安全可靠的集成控制芯片。
2 电路的总体设计
整个驱动控制电路的整体构成框图如图1 所示,由多路电源输出模块、LT3599 控制模块、FPGA 可编程PWM 脉宽控制模块、LED 灯组模块组成。LT3599 内部是升压电路, 将输入的电压在FPGA 模块的控制下转换成LED 灯组所需的稳定电流和电压,从而实现亮度、对比度调节,提供给液晶屏稳定均匀的背光源。

图1 驱动控制电路系统框图
2.1 多路电源输出模块的设计
设计时选用了日本COSEL 公司的CBS502424、CBS502403集成电源块,设计成可调稳压电路。外部电源只有一路(+28VDC)输入,经内部的整流、滤波、电压转换和稳压处理后,转换输出给FPGA 模块以及LT3599 控制模块所需要的+5VDC、+3.3 V 和+24 VDC 等多路电压。
2.2 LT3599 控制模块的设计
LT3599 有2 种封装:28 个管脚的封装和32 个管脚的封装,其中32 个管脚的封装是热控增强型封装,对于高亮及中大型液晶屏来说, 选择32 个管脚的热控增强型封装设计电路更稳定可靠。其典型控制电路如图2 所示。

图2 LT3599 典型应用电路
2.2.1 输出LED 驱动电流大小的设计
#pLT3599 有4 路#e#LT3599 有4 路LED 电流输出通道, 每路输出的电流大小在30~120 mA 之间, 具体通过设置ISET管脚所接电阻RISET值大小来控制, 此RISET电阻值范围在11~44.2 kΩ 之间,RISET值与LED 驱动电流大小的具体计算方法为:

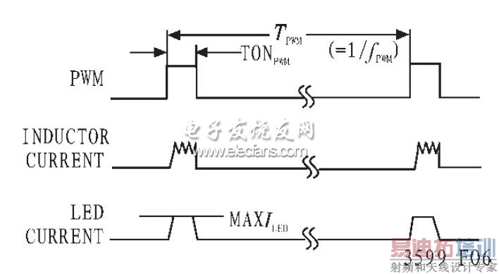
LT3599 通过PWM 脉宽调控来改变其输出给的LED 电流值大小,从而改变LED 的亮度,实现对液晶显示器亮度和对比度的调节。PWM 脉宽与LED 电流的关系曲线图如图3所示。

图3 PWM 脉宽时序与LED 电流关系图
2.2.2 开关频率的设计
LT3599 有很宽的工作开关频率,在200 kHz~2.1 MHz之间,具体由管脚RT所接电阻值的大小来决定,RT值与开关频率大小的关系图如图4 所示。

图4 开关频率与管脚RT所接电阻值关系曲线图
要想设计出最适合的电路开关频率,需综合考虑几个方面:
1)开关频率越高则电感值越小,高频开关损耗也就越小;
2)对于低压驱动多个LED 灯的情况,需尽量设置低的开关频率;
3)设计时需考虑总电压功率的损耗。
4)LT3599 内部的同步时钟频率在240 kHz~1.5 MHz 之间,对于启用了LT3599 内部SYNC 同步时钟频率的电路,电路的开关频率设计时需低于LT3599 内部同步频率的20%,否则会导致电路工作不稳定。
2.2.3 输出LED 所需电压的设计
LT3599 输出电压的大小通过设置电阻R10、R11的值来确定,计算公式为:

为了确保电路长期使用的可靠性和输出效率,设计时输出电压值一般要高于LED 所需电压的10%。为了减少输出纹波, 在LT3599 电压输出端需还接一个4.7~10 μF 的电容。
另外需注意,Vout 管脚处所接肖特基稳压管允许通过的平均电流需大于LED 驱动电流,此肖特基稳压管的最大反向电压还需大于LT3599 输出电压Vout。
2.2.4 保护电路的设计
1)过压保护的设计:通过FB 管脚设计电压反馈环路从而实现过压保护功能。FB 脚参考电压为1.233 V, 具体的保护电路设计如图5 所示。

图5 用FB 管脚设计过压保护电路
2)热保护电路的设计:用VREF、TSET管脚设计热保护电路。 [p] 预先设定一个LT3599 内部极限保护温度,当LT3599 芯片温度超过这个值时LT3599 输出给LED 灯的电流就自动降低,从而使芯片的温度慢慢降低。LT3599 内部设定给VREF的参考电压时1.227 V,VREF最大输出100 μA 电流。具体的电路设计如图6 所示,LT3599 内部最大控制节点的温度值与电阻R1、R2的选择对应关系如表1 所示。

图6 用TSET管脚设计温度保护电路
表1 LT3599芯片内部最大节点控制温度与电阻R1、R2的对应关系

3)欠压保护电路的设计:通过
管脚设计欠压保护电路。为了避免电路在超低电压下工作导致出现不稳定状况,当此管脚电压低于1.4 V 时LT3599 会自锁。LT3599的关断电压和接通电压可分别通过式(3)和式(4)计算而得:

当
管脚电压低于1.4 V 或者VIN管脚电压低于2.7 V 时,欠压保护就会关闭整个LT3599 电路,避免电路工作在不稳定状态。具体的电路设计如图7 所示。

图7 欠压自锁控制电路
4)FPGA 模块通过SS 管脚设计软启动开关锁,避免当电路由关断或自锁状态恢复正常工作时,受到较大的瞬时浪涌电流或过冲电压的影响。采用软启动来恢复工作时,电路的开关频率会自动降低,以保护电路免受大电流损坏。当VIN<2.7 V 或
<1.4 V 时,LT3599 电路会立即自动全部关断,并通过SS 管脚设置了软启动锁, 防止电路误启动。只有当“VIN>2.7 V、
>1.4 V、PWM>1 V、SS<0.25 V” 这4个条件同时具备后,由SS 管脚设置的软启动锁才会解开,此时内部输出11 μA 的电流来控制恢复过程中的电流和电压上升速率。上升速率的快慢与SS 管脚所接电容Css 容量大小有关,具体可由式(5)计算可知,其中Iss 典型值为11 μA。
通过SS 管脚设置软启动开关锁的控制时序图如图8 所示。

图8 软开关控制启动时序图
2.3 FPGA 可编程控制模块的设计
FPGA 采用的是高速串行接口通讯, 和传统的并行接口相比,串行通讯能提供更大的带宽、更远的距离、更低的成本和更高的扩展能力。
在设计FPGA对LT3599 的控制功能时,充分利用其内部可进行灵活设计的特性。首先检测视屏驱动板输出给显示屏的视频信号,识别出非标准信号,必要时FPGA 内部产生标准视屏信号,然后对行场同步信号进行数字滤波、时钟锁相,解决因长距离传输导致信号出现衰减失真以及电磁干扰等现象,再将RGB 信号按照预定的曲线进行Gamma 和对比度调节。
在进行视屏信号检测时, 用板卡上的系统时钟对输入HS、VS 等信号的上升沿或下降沿进行计数,如果在设定时间内检测到边沿次数大于某一个限值则表示有信号输入,否则为无信号输入。这种方法输入信号的格式范围宽、可实现性强。
在进行Gamma、对比度调节时,FPGA 采用的是通过PC机查表方式,即对每一个输入给出一个确切的输出值,此值预先根据一定的算法计算好、使用C 语言程序编程设定,然后将相关数据加到FPGA 工程代码中。通过预先设定好的通信方式, 在需要进行调整时, 将要调整到的信息发送给FPGA,FPGA 根据设定好的等级选择输出不同的值, 以完成相应的调整功能。
数字滤波采用的是对FPGA 内部的电平调节的方式,因为HS、VS 等信号上出现的不正常电磁干扰信号一般脉宽很窄,而HS、VS、DE 的脉宽较宽,因此,只要能够消除非正常脉冲,就可以保证画面稳定正常显示。关于数字滤波解决EMC电磁干扰的时序图如图9 所示。

图9 数字滤波时序图
2.4 LED 灯组
由于LED 的亮度是由通过其内部的电流决定的,因此进行LED 灯布局时, 一方面要考虑到整个液晶屏的亮度均匀性,另一方面要减小电路微小电压波动给LED 灯亮度带来的影响。对于普通中小尺寸的液晶屏,由于背光源大都用的是侧光式,LED 灯组可采用串联和并联相结合的方式。对于大尺寸液晶屏来说背光源一般采用直下式,为了提高亮度均匀性、减轻显示器重量,LED 灯组还可采用正三角阵列布局,能更好地实现对LED 灯的保护且提高亮度的均匀性。
3 结束语
本文所介绍的LED 背光驱动电路, 其电路效率可达90%以上。该电路设计上各相关参数都可以精确计算和控制,电路的保护措施齐全、控制效果好、抗干扰能力强,并且可以根据所需背光亮度和屏的大小灵活组合使用。经试验以及使用测试验证,是一款较理想的驱动控制电路。
射频工程师养成培训教程套装,助您快速成为一名优秀射频工程师...
天线设计工程师培训课程套装,资深专家授课,让天线设计不再难...
上一篇:开环推挽逆变器软开关实现的设计
下一篇:驱动高功率以太网络供电技术的分析和设计

