- 易迪拓培训,专注于微波、射频、天线设计工程师的培养
一款车载DC-DC开关电源的设计
引言
车载开关电源是一种DC-DC变换器,它与普通的通讯电源有所不同,特殊的使用环境要求电源变换器能适应-25~50℃的高低温环境,能防止汽车高速运转时,汽车发电机给电源的浪涌和过大的冲击电流直接损坏电源。同时车载开关电源的设计受到蓄电池供电的制约,不能采用低成本的线性电源。由于开关具有电源效率高、体积小、质量轻等优点,应用非常广泛。本文采用的是开关变换的方式。
1 48 V~12 V/10 A 车载开关电源方案
本文设计的车载开关电源主要包括两大主体:主电路和控制电路。其系统总体框图如图1所示。主电路采用推挽变换器,控制芯片为UC3846。以下对主要电路进行设计说明。
1.1 输入电路设计
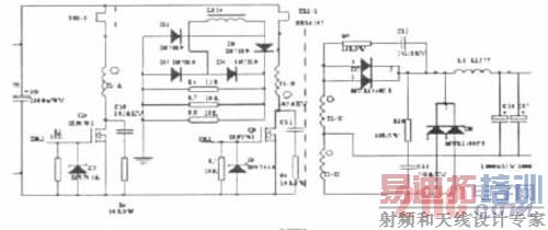
在DC/DC 变换中,开关管的电流、电压值的快速上升下降,电感电压、电容的电流也迅速变化,这些都构成电磁干扰源(EMI)。为了减少干扰,所以需要在电源的输入端加滤波器。由图2所示的C1、C2、C3、C4、C5 和L004、L001 组成。
车载电源用于汽车上,有可能受到较大瞬态高压,必须在输入级加上瞬态过压保护电路,由图2 中的压敏电阻S20K60 完成此功能。同时考虑到开机时,接入电源有可能有很大的浪涌电流,必须在输入端上接上一电阻来抑制浪涌,如图2 中的R6,当变换器正常工作后,场效应管Q2的门极电流达到开通电流使Q2 开通,R6 两端短接,避免了过多的功率消耗在电阻上。在场效应管为IRF3205(VDSS=55 V ID=110 A RDS(on)=8.0 mΩ)。为避免安装时接入蓄电池极性错误,损坏变换器,故在输入级上反向并联二极管D1 和D2。
1.2 直流变换部分的设计
直流变换部分是开关电源的主体部分。本文设计的开关电源采用的是推挽式,Q3、Q4 为功率管,TR1 为高频变压器,D7、D8、C14~C19、L1、L2等为高频整流电路,C10、R4 为开关管的缓冲回路。Q7~Q10 为场效应管驱动电路。
[p]
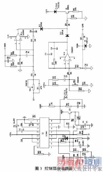
1.3 开关电源控制电路的硬件设计
控制电路采用UC3846,它是一种双端输出的电流控制型脉宽调制器芯片,其引出的脚1为限流电平设置端;脚2 为基准电压输出端;脚3为电流检测放大器的反相输入端;脚4 为电流检测放大器的同相输入端;脚5 为误差放大器的同相输入端;脚6 为误差放大器的反相输入端;脚7为误差放大器反馈补偿;脚8 为振荡器的外接电容端;脚9 为振荡器的外接电阻端;脚10 为同步端;脚11 为PWM 脉冲的A 输出端;脚12 为地;脚13 为集电极电源端;脚14 为PWM 脉冲的B输出端;脚15 为控制电源输入端;脚16 为关闭端。
当差动电流检测放大器检测的是开关电流而不是电感电流时,由于开关管寄生电容放电,检测电流会有一个较大的尖峰前沿,可能使电流检测锁存和PWM 电路误动作,所以应该在电流检测输入端加滤波电路。振荡器的频率由8 脚外接电容和9 脚外接电阻共同决定,而输出频率公式决定:
电流检测输入信号采用互感器L014 测定电流输入信号,然后由D3~D6、R6~R8 变成电压信号。电流测定放大器输出由内电路限定在3.5 V,因此电流测定信号输入的最高电压应低于1.2 V。
电阻R27 和R29、VR2、R31 对输出电压进行取样,然后与参考电压VREF4 进行比较,运放U4B(LM2904N)将误差信号进行PI 调节。当输出电压过高时,运放输出端也变大,二极管D12 导通,三极管Q6 流过电流变大,则光耦器件DT2 的二极管发光强度变强,则光耦器件上三极管上流过的电流变大,则输入到芯片UC3846 的误差放大器反馈补偿端电流变大,芯片输出端的脉宽将变短。使输出电压降低。这样即达到了输出电压稳定的效果。 [p]
运放U4A 和它的外围电路构成限流环节。运放两输入端的电容C25 和R26构成惯性环节。当输出电流大于10 A 时,D11 导通,影响光耦DT2 的发光强弱,从而改变输出占空比。
2 实验结果
根据上面的思路设计了如图3 所示的开关电源控制电路。测试了在不同情况下的工作波形,并在各种极限环境下进行了测试,实验结果表明,该电源设计合理,完全可以满足车载环境下的使用。
3 结论
随着我国经济的高速发展,汽车行业越来越壮大。车载开关电源将作为一个重要的电子设备被广泛应用,车载开关电源的需求量将日益增加。本设计基于把48 V 的电压转换为12 V 的常用电源,实验证明设计可靠。
射频工程师养成培训教程套装,助您快速成为一名优秀射频工程师...

