- 易迪拓培训,专注于微波、射频、天线设计工程师的培养
迟滞型转换器控制高亮LED分析
迟滞型转换器被广泛用于驱动新兴照明应用中的 LED 。这种转换器非常容易使用,其拓扑结构也相当稳定,因此已经成为高效感应式开关稳压器解决方案的首选。这种简单拓扑可以用在许多不同配置中,有时甚至可以超越它们的一般使用范围。不过仍有不少问题需要解决,而理解这种转换器的局限性也有助于提高系统性能。
本文将通过不同电路配置实例详细介绍这种转换器的拓扑结构,并讨论一些内在的问题及这些问题对某些特殊应用的影响。
拓扑结构
迟滞型转换器实际上采用的是一种开关(on-off)拓扑结构。它可以用在降压、升压或降压-升压配置中,而它的超强稳定性使它最适合用于降压型LED驱动应用,因为迟滞型转换器可以在一个振荡周期内稳定下来,而像PWM控制器通常需要数十个周期才能稳定下来。迟滞型转换器的特性体现在控制机制、精度、频率、占空比和传播时延等方面。
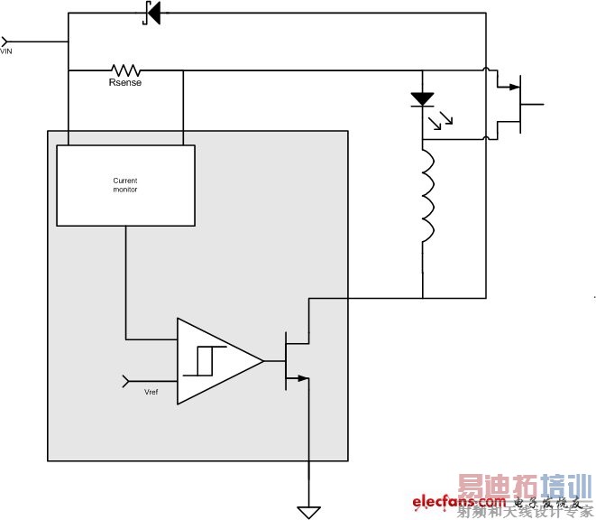
参考图1,控制是基于预先确定滞后电压的比较器而实现的。LED中的电流通常用电阻(Rsense)测量,其数值一般在比较器设定的上下门限值之间变化。门限值的设置要在测量精度/抗噪声性能和效率之间取得平衡。典型的滞后电压在50mV到250mV之间。

图1:迟滞型降压转换器。
振荡频率则取决于许多因素,其中电感选择是最重要的。迟滞型转换器的关键特点之一是:它们是自振荡的。这意味着频率将随输入电压、LED电流和要驱动的LED数量的变化而变化。然而,这种转换器经常运行在连续模式,这意味着电感永远不会饱和,也不会完全耗尽电流。这种固有的稳定性意味着迟滞型转换器可以工作在很宽的电压范围,不需要用外部元件进行补偿。就像许多PWM拓扑一样,这种转换器对占空比范围也没有限制。
然而,占空比确实会影响精度。占空比主要受制于输入电压和输出电压的比值,而输入输出电压比又取决于给定输入电压所驱动的LED数量。例如30V的高输入电压驱动单个3V LED的情况,此时的占空比是10%。而30V电压驱动9个3V LED(27V正向电压)时的占空比为90%。第二种情况会有较高的效率。这两种特例都存在这样的问题,即LED电流是从50%占空比的滞后(纹波)检测电压平均得到的,近似于三角关系。在这种极限占空比情况下,传播时延和过冲等因素会导致电流与要求值产生偏差,如图2所示。当占空比小于20%或大于80%时,通常不太可能做到严格的电流控制。
图2:在使用迟滞型降压DC/DC转换器调光LED时需要考虑的精度因素。
传播时延和上升时间也会影响转换器工作的最大频率、精度和自散热效果。随着频率的上升,转换损耗将超过直流损耗而成为开关元件功率损耗的主要部分,对任何开关型拓扑来说这都是必然的。
采用PWM调光LED时的精度考虑
为了避免改变LED颜色,并提供宽亮度范围的调光,PWM是用于LED调光的首选方法。然而,要想使用感应式迟滞型转换器,并在整个分辨率范围内保持较高的精度,有许多因素需要加以考虑。
简化的白色LED驱动电路如图1所示。在这种转换器中,不需要使用输出滤波电容,LED是与电感串联在一起的。这种电路在启动速度和成本方面具有优势。然而,由于缺少输出电容,能量只能被储存在电感中。在调光时,所有能量必须在切断周期内泄放掉,并在导通周期内存储起来。
图3a代表LED中的电流。当施加供电电压时,内部MOSFET开关导通,流经检测电阻、LED、电感和开关的电流从零向上限值I(SUB/)UP(/SUB)跃升。当电流达到上限值时,电流又开始向下限I(SUB/)LO(/SUB)下降,到达下限值后再向I(SUB/)UP(/SUB)跃升。上下门限值取决于检测电阻和内部参考电压。

图3a&3b:PWM调光。
图3b所示的PWM波形是用于控制LED亮度的8位信号的最高位。对于理想的调光电路来说,将PWM信号驱动到高将导致电路立即起振,此时平均值等于I(SUB/)AVG(/SUB),当PWM信号驱动到低时电流立即降低到零。图3a中的曲线表明,有两大因素会导致输出电流误差,如图中阴影区指示的那样。在初始上升(蓝色阴影)期间电流应等于I(SUB/)AVG(/SUB),因为这段时间的平均电流很低。同样,在最后的下降期间电流应等于0,但绿色阴影区表明事实不是这样。如果LED电流的占空比等于50%,那么上升/下降摆率是相同的,这两个误差也不会存在,但实际占空比经常不是50%。如果在PWM导通周期内转换器执行许多次振荡,那么这些误差效应将可以忽略。
在较高PWM占空比时,由于LED响应和人眼的原因,一些小误差可能觉察不出来,但在非常低的PWM占空比时,误差就变得非常突出。图4和图5给出了低PWM占空比时,输出电流精度随PWM与转换器振荡频率比值的变化。图中的每根线代表了不同的转换器振荡频率,PWM频率是100Hz,x轴代表PWM占空比,y轴代表平均输出电流在位分辨率方面的误差。

图4:输出电流误差:8位分辨率,100Hz PWM。 [p]

图5:输出电流误差:12位分辨率,200Hz PWM。
就拿使用48V电压供电并通过100μH电感驱动3.5W白色LED的ZXLD1362 LED驱动器为例。如果是200Hz的PWM调光到10位分辨率,那么输出电流精度如表1所示。

表1:PWM频率和分辨率对输出电流精度的影响。
当PWM调光迟滞型转换器时,PWM频率与转换器频率之比决定了低输出电流的精度。为了得到最高的精度,建议这个比值要远大于调光步数,也就是说,一个PWM位的周期时长应远大于一个转换器的周期时长。经验表明,对于n位的调光,LED迟滞开关频率应大于PWM频率的2n倍,最好是大于2(n+2)倍。关键的折衷措施之一是避免低频PWM调光和所需精度带来的频闪效应,特别是在低亮度状态或PWM频率相对转换器开关频率增加时。
提高PWM调光精度的方法之一是在LED上使用旁路元件,例如图6所示的PMOS管。通过这种方式,电感电流将一直流动,从而消除上升和下降误差,提高精度,不过效率有所降低。

图6:使用旁路PMOS实现PWM调光。 [p]
通过调整输入电压进行直流调光
直流调光通常很少用于控制高亮度LED,这是由于LED色温变化的原因。白色LED是从蓝色LED激发的磷物质产生颜色的,在这种情况下其颜色受LED电流的影响很小。对于建筑和氛围照明来说颜色再现可能不太重要,即使颜色随着亮度减少而稍微有些变化。在任何情况下,白色LED在调光时的颜色变化程度都远小于同样调光白炽灯时的颜色变化。
许多开关控制器没有很好的调光范围,通常从最大值的最大降幅为10:1。因为眼睛的响应曲线呈对数方式,因此电流的10:1调光变化不会产生令人满意的亮度降低效果,看起来只是达到最高亮度的一半。图7所示电路给出的方法充分利用了迟滞拓扑的简单性、内在稳定性和灵活性,可产生约50:1的直流调光范围。

图7:用于高效直流输入电压调光控制的电路。
在某些建筑应用中,通过降低输入电压进行调光极具优势。只需一个电阻串联一个LED的简单电路就能达到理想的效果,但如果用12V电压驱动5W LED,那么在最大亮度时电阻上的功耗约为10W。图7所示电路可以产生理想的效果,即随着两个输入端上电压的降低,电流将有效地降低,且同时仍能保持对电流的控制。
转换器通过保持Vin和Isense端之间平均100mV的电压来控制电流。在该位置正常只有一个电阻。电流调整程度可以通过过驱或欠驱ADJ引脚而改变。将ADJ引脚与P沟道MOSFET连接就能使该电路工作。这个MOSFET有很小的信号内阻,将增加Vin和Isense端子之间的正常固定电阻。在低电压时,MOSFET的RDS(导通)主导有效电阻。在较高电压时,通过提高ADJ引脚电压即可提升总的电流,从而最大化动态范围。
不同MOSFET器件的RDS(导通)有约20%的差异。实际应用中总的检测电阻变化约为10%,这意味着用相同降幅的电压驱动的不同灯之间存在差异。LED在亮度与电流特性方面也有变化。RDS(导通)变化的影响程度取决于它占总检测电阻的比例。
在较低电流时工作频率会上升,从而导致效率下降,但这个问题不严重,因为LED功率很低。这种方式可以实现平滑得多的调光控制,而且除了正常装配在LED灯上的两个标准引脚外没有其它要求。
对检测电阻的两个值测量的结果如图8所示,电路见图7。

图8:图7电路中LED电流与输入电压的关系。共阳极连接 [p]
对于降压LED控制器来说,最好使用高侧电流检测方式,此时LED位于电流检测电阻和电感之后。迟滞转换器的简单特性提供了共阳极的LED驱动方案。
这种共阳极电路见图9,它将LED的正极直接连到电源上。LED串仍与检测电阻(Rsense)和电感串联在一起,因此仍可确保迟滞型转换器正常工作。共阳极的称呼通常指的是单个LED(或并联LED组)的配置,但这个概念可以扩展到串联LED或共享同一V+电压轨的多个LED链。

图9:共阳极拓扑。
这种配置主要在电路性能方面具有不少优势,而且在安装便利性和系统中器件数量方面也有明显优势。从性能角度看,这种电路与标准降压拓扑相比在负载调整率方面有所改进。而且这种电路的开关频率较低,从而减少了开关的功率损耗,提高了效率。对多LED链系统来说热管理也更简单了,因为所有正极都接在一个散热器上,具有相同的电位,如图10所示。最后,由于输入端的电压变化幅度变小了,共阳极配置还允许使用更小的输入电容。

图10:使用共阳极拓扑的多通道LED控制。
共阳极拓扑结构简化了灯箱广告和灯墙应用的安装,驱动器通常在远端就与LED链分开来。在这种情况下,每个链的第一个正极被直接连至电源上,因此只需一根线就可以连接所有的LED链。不过,仍需使用另外一根线连接每个链的负极。
总之,共阳极拓扑不仅节省了走线,而且减少了器件数量。通常需要给LED串并联一个电容以便减少LED上的纹波电压,而在共阳极连接中没必要这样做,因为输入电容已经解决了这个问题。值得注意的是,到迟滞型转换器的供电电流会流过LED,但对效率的影响可以忽略。
迟滞型转换器采用共阳极连接的主要缺点是,LED输出电压必须低于迟滞转换器的最小输入电压。与标准降压型配置相比,这种配置减少了可被驱动的LED最大数量。
本文小结
迟滞型转换器可用于较宽的电压范围,并能驱动更多的LED负载。所采用的拓扑结构适用于PWM或直流调光,但必须考虑最大化电路性能限制。其固有的简单性和稳定性将给越来越多的LED照明应用带来莫大的好处。
射频工程师养成培训教程套装,助您快速成为一名优秀射频工程师...
天线设计工程师培训课程套装,资深专家授课,让天线设计不再难...
上一篇:开关电源测试步骤(
解说)
下一篇:基于Littelfuse的LED照明保护方案

