- 易迪拓培训,专注于微波、射频、天线设计工程师的培养
汽车LED照明方案设计
发光二极管(LED)照明为标新立异、舒适和用户定制开启了一片新天地。这些设计机遇在迅速提升LED在车内的应用程度和速度。当把LED用在车内、车前和车尾照明时,有几种方法和设计技术可供选择。
对车用LED来说,其相对抗振、寿命长、高能效及可以对光源进行精妙控制等特性是关键因素。与白炽灯泡相比,LED对机械震动不敏感,但需要驱动电路。一般来说,汽车电气供电系统以铅酸电池为电源,该电池由引擎通过机械方式驱动的交流发电机/稳压器充电。这样一个系统适合老式白炽灯泡,但不适合LED。为使LED达到最佳性能,需一个精准恒流的电流源。
为正确驱动LED,需控制电流,而与电压无关。光输出基本取决于电流而不是电压。理论上,每个电子都转换为光子,而逃逸出LED的固定比例的光子就成为我们看见的光。
若电压恒定,则只需一个电阻就可实现一个质量不高的方案。应该指出的是,当LED与电阻简单串接在一起时,LED本身在一定程度上是自调节的。若温度升高,LED的效率和亮度都降低,且前向压降同时减小。减小的前向压降又导致电流增加,从而些许弥补了因温升造成的亮度下降。只要电池电压恒定,串联电阻方案足以满足计算机和仪器仪表应用的要求。但汽车行业强制规定设备要能满足电池在8V至18V间的变化,且还要能容忍80V的峰值。另外,高亮LED会在电阻上产生大量热。因而使得热设计更困难。
一个好些但并非最佳的替代方案是采用一个dc-dc电压转换器来生成一个合适的稳定电压然后将此与一个电阻结合起来。若你已有一个为计算机或其它电子设备供电的dc-dc转换器,则该方案可行;另外,这种方法可能是驱动LED最常用的方法。
但采用一个工作时与电压无关的恒流器驱动LED是个更好方案。能量消耗和能量转换分别是两种基本的恒流器类型。
线性降压恒流器是能量消耗型恒流器的一个例子。对一个给定电流来说,恒流器两端压降所代表的能耗被消耗掉。另一种情况则是能量转换恒流器,它试图把不同电平间的能量差储存起来。
描述这种能量转换所用的方程是热力学基本定律之一:
输入功率=输出功率
用W=V·I给定(给定),替换式中的W:
Vin·Iin=Vout·Iout+(100-X%效率)W发热(发热)
若将LED的前向电压作为Vout,将所需的电流作为Iout,就将得到描述LED驱动器的一般方程。
耗能的LED驱动器
用分立器件搭建一个线性恒流器相对简单。图1就是一款用分立器件搭建的恒流器。D1应是支齐纳二极管或电压参考。电流则由方程ILED=VD1/RSET确定。D2提供对晶体管基极二极管的简单温度补偿。
虽然该电路简单,但与所有耗能LED驱动器一样,都存在能量消耗和由电阻产生的发热问题。随着LED亮度的增加,发热会越来越严重。LED点的越亮,浪费的能量越多。
在电流较小、且串在一起的LED前向电压的总和略低于电源电压时,这种类型的稳流方式可以用。有几家LED驱动器IC厂商采用的就是这种恒流方法。但在驱动高亮度LED时,不建议采用该方法。
省量的LED驱动器
在许多情况,开关恒流器能提供一个更好的电子方案。开关恒流器控制一个串接负载的通/断,它也因此得名。在一个周期内,RLC(槽电路)电路被充电。在下一个周期,该储存的能量被用于驱动负载或用于加高驱动负载的能量中枢的电压水平。这种能量安排一般可实现高于80%的效率,在大多情况还可达到90%以上。所以,开关恒流器可被用于升高电压、降低电压甚或反转电压。而线性恒流器就不具备这些能力。

工作描述:输入电压和LED电压之间的压差,给线圈L充电。当在线圈中积聚起能量后,高于其的电压将下降而电流随之增加。当电流达到一个规定值时,控制电路将顺序关断晶体管。然后在一定的关断时间内,线圈内的部分能量将给LED供电。这样就在LED上有交迭电流流过。开关恒流器电路控制电流的峰值。可通过编程恒流器IC或外部器件设定该值。电流还取决于位于NFET开关漏极端感应电阻的选择。 [p]
在降压恒流器应用中,流过LED的电流是连续的,但却是交迭的。而整个电路的能耗却是不连续的(图2)。它可在电源输入侧引发问题并通过电源线轻易地引发噪声。
升压调节器
若电源电压低于全部串接LED前向电压之和,则要选用升压恒流器。因升压恒流器除了要控制电流外,还要控制升高了的电压,所以,此类恒流器更复杂。
这种升压恒流器无法处理电源电压高于全部串接LED前向电压之和的情况,发生这种情况时,电流会不受控制地急剧增加,如图3所示。
这种LED驱动器还将产生流过LED的脉动电流。因流经LED的电流相对较大,所以,它难以被滤除掉。原则上,简单升压恒流器会在输出至LED的电流上产生更大噪声。所以,在PCB布线时,要使驱动器与LED间的连线尽可能地短。
SEPIC恒流器
SEPIC恒流器是一种单端初级电感转换器。这种恒流器既可用作升压又可用作降压。但线圈间的容抗是其一个缺陷。该电容必须处理转换为适用于LED的电流和电压的全部能量。
当你基本上需要的是一款降压恒流器而在电源线上又可能有过压时,这种类型的恒流器就派上用场。
升压/降压恒流器
一个好的升压LED驱动器的最稳妥最安全的方案是以级联方式将一个升压恒流器和一个降压恒流器组合在一起。这种架构将优化所需的工作降至最少。一个升压恒流器更适合为若干并联的降压恒流器提供电源。
对降低噪声来说,这种作法还是种成效显著的解决之道。它集升压恒流器优异的电压输出与降压恒流器同样优异的电流输出双美于一身。
由高压驱动LED
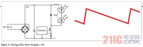
当电源电压很高,而LED的前向压降(Vf)与之相比要低10到20倍时,会出现由对与LED串接在一起的线圈极短的充电时间引发的问题。快速充电(和放电)将导致低效率。
充放电周期如图4所示,可容易地看出:上升时间(频率)比恒流的基本频率高10到20倍。
实现高效及降低辐射噪声的卓有成效的方法之一是选取一个开关频率以使上升时间与线圈的规范频率相当。当电压相差10到20倍时,应选取比线圈最高效频率低10到20倍的开关频率。
但当电源电压是串联LED前向电压的两倍时,将会得到一个优化方案。被稳定的电流如图5所示,其中,波形相当对称。

借助其独立于电源电压的优势以及电源电压和LED电流间的高度绝缘,还可以将线圈用作变压器。它可替代升压和降压方案,但效率不高。在电感初级和次级绕组间的强磁耦合将提升效率。它具有如下优点:连接LED的任何导线都可短接至地或电源,而不会产生任何危险电流。
开关恒流器产生的电噪
所有的开关恒流器都产生噪声。通用的靠控制电压水平的dc-dc电压稳压器可得到滤波后效果很好的电源。这是通过加在输出端很大的电容器和加快开关频率以提升效率实现的。LED恒流器应采用恒流而非稳压的方法。
早先提到的降压恒流器是一种简单并具成本效益的恒流器,但若物理实现安排的不好,将在LED应用中产生严重的电噪声。PCB布线和所选电缆对控制噪声水平至关重要。 [p]
降低噪声的一般规则:
1. 降低开关频率。
2. 连至LED的导线尽量短、电流环尽量小。
3. 若连接LED需要长导线,应加装滤噪器。
4. 采用高速反馈二极管。
5. 将开关晶体管放在PCB中央。
6. 仔细选择电源线所用的电缆及加装的滤噪器。
除这些一般规则外,Melexis还采取措施帮助控制驱动器IC的噪声。在MLX10801和MLX10803驱动器内,将一个伪随机数发生器用于开关频率以将电噪声最小化。
在汽车电子环境下,有若干测试和测试步骤以评估电子模块的相对噪声指标。一个普遍采用的标准和测试步骤是由国际电工委员会(IEC)的分支机构国际无线电干扰专业委员会(CISPR)定义的。
图6是一个可满足CISPR25第5级要求低噪应用的简单原理图。线圈L1的形状大小必须根据开关频率和LED电流确定。为实现这点,我们可利用能从www.melexis.com上下载的软件程序和Excel表格。开关频率应低于150kHz以规避CISPR25约定的最低频率带的要求。程序还提供了ROSC、RSET和RSENSE值。L2是一个滤噪器的一部分,当要通过最高等级的降噪要求时,需要该滤噪器。对CISPR25等级1到3来说,可不用线圈L2。
当在图6中使用该电路时,对典型的0.5~1A的LED电流来说,选L1和L2为100μH是个好主意。因噪声的谱域很宽,所以,电容器应能同时处理高频和低频。这就是为什么我们在线圈L2滤波器的两端都放置两组电容的原因。反馈二极管D1是高频噪声的主要来源。应仔细选择该二极管,并在应用中反复测试。对输入电压低于100V来说,肖特基二极管是最好的选择。
在Melexis的网站论坛“知识库”内,可找到更多关于如何进行优化方案设计的信息和帮助。
LED的温度补偿
根据结温度的不同,红和黄色的砷化镓(GaAs)和磷砷化镓(GaAsP)LED的光输出有很大变化。典型情况,在25°C时,100%光输出的LED,在80°C时,光输出将只有40%。可容易地对这种光输出改变实施补偿。改进后的低噪设计方案,只需增加一个PTC和NTC电阻(图7)。

如图8中所示,使用温度补偿PTC和NTC电阻,在80°C时的相对光输出可实现最大。若无论何种原因,结温度低于80°C,PTC电阻将变成一个相对低的值并成比例地减小电流。这样,就需对PTC系数和LED光输出进行平衡。

为提供保护,当温度高于80°C时,位于MLX10803另一个参考输入端的NTC电阻将以同样的方式降低电流。
刹车、转向和尾灯的LED应用
目前,几乎全部汽车都采用红色GaAs LED尾灯。但,大多LED尾灯在寒冷的夜晚太过刺眼,而在闷热明亮的场合又过于暗淡。多年前,就已基于白炽灯制订了控制汽车照明的法定标准。白炽灯工作在几千度的灯丝遇热发光条件下。所以,环境温度即使相差60°C(在20到80°C间),其光输出方面的差别也基本上察觉不到。目前,在冷天,LED尾灯和白炽灯尾灯的亮度差别显而易见。对LED在冷天里是否过亮尚存疑问。先前描述的温度补偿方法将使汽车有一个更专业、更精致的照明表现,且当与白炽灯结合起来使用时,看起来效果会更好。对标准组织来说,这种情况也许会成为一个需解决的议题,这些组织需要为工作在不同温度下的照明灯设立参考规范。
在将刹车和尾灯功能结合起来的应用中,利用脉宽调制(PWM)产生两级照明:一级作为尾灯,另一级作为刹车灯。这是因为LED制造商一般只用一个电流值(用于产生刹车灯效果的驱动电流值)对其LED进行测试和分类。过去,没有用于尾灯那种低亮度输出的测试和分类。幸运地是,这种情况在改变,LUMILEDs现就对LED进行两种电流水平的测试。
这很重要,因若LED可匹配两种电流水平,则司机可分别交替驱动两个特定电流水平,无需借助PWM,那么,也就不再需要PWM了。用PWM方法驱动的LED尾灯,当PWM比率从1:10到1:20且频率从80Hz到100Hz时,与传统的白炽灯相比,其发出的光看起来很不舒服。这些因为人眼对红光和这些频率的敏感性。在寒冷环境和因寒冷环境使电流补偿不到位时,这种情况会更严重。
本文小结
为实现更精致的汽车LED照明应用,已发展出若干基于特定场合的IC和应用电路。在前述的例子中,讨论了如何应对这些挑战。为成功研制出完全用于特定应用的照明模块,需要进行比在此提及的各措施更多的精雕细凿。上述的一般讨论应有助于照明工程实现中对各种制约因素的更好把握,借助这种把握,可用目前的高亮LED设计出更可靠、更爽心悦目的照明方案。
射频工程师养成培训教程套装,助您快速成为一名优秀射频工程师...
天线设计工程师培训课程套装,资深专家授课,让天线设计不再难...
上一篇:基于DSC太阳能LED照明控制驱动系统的设计
下一篇:正激变换器中变压器的设计过程

