- 易迪拓培训,专注于微波、射频、天线设计工程师的培养
两种双管反激型DC/DC变换器的研究和比较
1 概述
反激型DC/DC变换器因结构简单、成本低廉而广泛应用于各种辅助电源和小功率电源中。但是,单管反激变换器主开关电压应力大,在输入电压较高的场合使用起来比较困难。另外,反激变换器的变压器漏感一般比较大,导致主开关上产生很高的电压尖峰,使电压应力进一步增加。传统的双管反激变换器如图1所示,其两个主开关的电压应力为输入电压,克服了单管反激开关电压应力大的缺点,并且漏感能量可以回馈到输入侧,不需要吸收电路,但它带来了占空比 D 不能大于50%的缺点,在宽范围场合应用有局限性。本文提出了一种能工作在占空比大于50%条件下的双管反激变换器,如图2所示,不过它和传统的双管反激相比也并非十全十美,其漏感能量需要外加缓冲电路来吸收。本文详细、客观地分析和比较了这两种双管反激变换器在工作原理和特性上的差异,阐述了一些独特的观点,并且给出了两种双管反激的实验结果比较,旨在为电源设计者选用这两种双管反激变换器时提供理论依据和参考数据。
图1 传统双管反激DC/DC变换器
Fig.1 Conventional dual switch flyback DC/DC converter
(a) 结构之一 (b) 结构之二
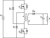
图2 改进后的双管反激DC/DC变换器
Fig.2 Improved dual switch flyback DC/DC converter
2 工作原理
为了分析方便,假设各器件具有理想特性,电感、电容足够大,输入电压没有脉动,电路已经进入稳态。
传统双管反激变换器在两个开关管S1及S2导通期间,加在变压器原边的电压为输入电压 V in,原边电流流过S1及S2,并且线性上升。副边二极管反向偏置,副边电流为零。当S1及S2同时关断后,原边电流逐渐下降到零。二极管D1及D2随即导通,由于实际电路中漏感的影响,变压器原边上的电压被钳在- V in,副边二极管因此导通。储存在原边漏感中的能量全部反馈到输入侧后,D1及D2关断,变压器原边电压降至副边绕组反射电压- nV o( n 为变压器原边对副边的变比),副边二极管维持导通,直到下一开关周期开始。
改进的双管反激变换器,如图2(a)及图2(b)所示,有两种结构,是为了克服传统双管反激变换器占空比不能大于50%的缺点而提出的,因此,称之为宽范围双管反激变换器。该变换器与传统双管反激结构上的区别在于分别去掉了一个钳位二极管,这样会有一个主开关的电压应力得不到限制,可能造成过压,所以,要对两个开关的关断次序进行人为的控制。对于图2(a),S2应该比S1先关断;对于图2(b),S1应该比S2先关断。图2(a)及图2(b)所示两种结构的工作原理是类同的,下面就仅对图2(b)的结构进行分析。
同样,在S1和S2导通期间,加在变压器原边上的电压为 V in,原边电流线性上升,同时副边二极管截止。随后,将S1关断,S2继续导通,激磁电感和S1的结电容 C 1谐振,考虑到实际中激磁电感非常大而结电容非常小,并且这段时间又非常短,所以,可以看成原边电流对C1进行恒流充电, C 1上的电压线性上升。一旦 C 1上的电压到达 V in,D1就导通,变压器上电压为零,原边电流流过S2和D1且保持不变。当S2也关断后,激磁电感和S2的结电容 C 2谐振,同样可以看成原边电流对 C 2恒流充电, C 2上的电压线性上升。当 C 2上的电压上升到 nV o时,D1关断,原边电流为零。此时,副边二极管开始导通,变压器原边电压被输出电压 V o钳在- nV o,作为复位电压,激磁电流线性下降。S1和S2重新开通后,进入下一开关周期。
3 特性比较
从以上的分析可以看出,传统的双管反激和宽范围双管反激在工作原理上十分类似,但是,两者的特性有比较大的差异。
3.1 开关电压应力
传统的双管反激变换器两个开关管S1及S2的电压应力不会超过输入电压,因为, C 1或 C 2上的电压一旦大于输入电压 V in,D1和D2就相应导通,将 C 1及 C 2上的电压峰值钳在 V in。即使是漏感在开关管上引起的电压尖峰也会被D1及D2钳位,不会高于输入电压。因此,传统双管反激变换器主开关的电压应力均为输入电压 V in。
对于图2(b)所示的宽范围双管反激变换器,主开关S1的结电容 C 1上电压达到 V in时,D1就相应导通,因此,S1上的电压不会超过 V in。而当主开关S2的结电容 C 2上电压上升至 nV o时,D1关断,副边二极管导通,因此,S2上的电压不会超过 nV o。可见该变换器主开关S1及S2的电压应力分别为 V in及 nV o。如果是图2(a)所示的变换器,则主开关S1及S2的电压应力分别为 nV o及 V in。但是,实际电路中漏感的存在,会引起图2(a)中的S1或图2(b)中的S2上产生比较大的电压尖峰,相应的电压应力要增加。所以,宽范围双管反激变换器的其中一个开关管的电压应力要比传统双管反激的开关电压应力大一些。
3.2 整机效率
由于反激型变换器的变压器磁芯要垫气隙,所以,漏感比一般的变换器中变压器要大。漏感大会直接导致主开关上产生很高的电压尖峰,需要另外加缓冲电路吸收。在上面对宽范围双管反激变换器的原理分析中,为简单起见而忽略了漏感的影响,但实际上漏感是不可能为零的,因此,图2(a)中的S1及图2(b)中的S2上都会有漏感引起的电压尖峰,需要加 RC D电路加以吸收,则在 R 上损失比较多的能量。
而对于传统的双管反激变换器,在反激开始时,储存在漏感中的能量通过D1及D2全部反馈到输入侧,系统能量损失相对要小。
因此,在相同规格以及开关条件下,传统的双管反激变换器要比宽范围双管反激变换器整机效率高一些。
3.3 宽范围适应性
传统的双管反激变换器有两个二极管D1和D2在复位阶段对变压器钳位,所以,变压器上的复位电压不能超过输入电压,如图3(a)所示。也就是要满足以下条件:
V in D <= V reset(1- D )<= V in(1- D )(1)
可以推出
D <=50%(2)
可见传统的双管反激变换器不能工作在占空比大于50%,这就使其在宽范围场合应用时遇到了困难。
而本文提出的宽范围双管反激变换器没有这个条件限制,变压器上的复位电压可以大于输入电压,如图3(b)所示,所以,能够工作在占空比大于50%。另外,反激变换器的输入输出电压满足 D /(1- D )的关系。通常,变换器的输入输出电压有4种关系,即 D ,1/(1- D ), D /(1- D ), D (1- D )。在这4种关系中, D /(1- D )的宽范围适应性要远远优于其它几种关系。宽范围双管反激变换器的增益正好是 D /(1- D )的关系,所以,这种变换器的输入或输出电压调节范围很宽,特别适合用于超宽范围场合。
(a) 传统的双管反激 (b) 改进的双管反激
图3 两种变换器的变压器上的波形比较
Fig.3 Transformer waveform compariso of two converters [p]
从以上的分析和比较可以看出,改进的双管反激变换器在宽范围适应性上有了很大的提高,但整机效率相对下降,其中的一个开关管电压应力也有所增大。所以,这两种双管反激变换器在性能上各有优劣(见表1),在选用这两种变换器时一般遵循以下原则:在效率要求比较高,但输入或输出电压调节范围不是很宽的场合,可以选用传统的双管反激变换器;而在输入或输出电压范围很宽,但效率要求不是非常高的情况下,可以选用宽范围双管反激变换器。当然,选用这两种变换器的前提是输入电压比较高,不然选用单管反激就可以了。
表1 两种变换器的性能比较
Tab.1 Performance comparison of two converters
| 传统的双管反激 | 宽范围双管反激 | |
|---|---|---|
|
开关电压应力
整机效率 宽范围适应性 | 低高差 | 高低好 |
4 实验结果比较
两台分别采用传统双管反激和宽范围双管反激拓扑的样机验证了以上的分析和比较。为了具有可比性,这两台样机的规格和参数须保持一致,只是传统的双管反激变换器的输入电压范围是250~400V,宽范围双管反激的输入电压范围为100~400V。这两台样机的其他规格和参数如下:
输出电压 V o 24V;
输出电流 I o 0~4A;
工作频率 f 108kHz;
主开关S1及S2 IRF840;
整流二极管DR1 Halfof30CPQ100;
变压器T n =160∶20, L m=7.2mH, L s=180μH;
钳位二极管D1(D2) BYV26C。
图4(a)、(b)、(c)是300V输入2.5A输出时传统双管反激变换器的主要实验波形。图4(a)是变压器原边的电压波形,正向电压为300V,反向复位电压大约为200V。图4(b)是开关管S1漏源间的电压波形,其峰值为300V,然后经过一个振荡降至275V左右。图4(c)是开关管S2漏源间的电压波形,其峰值为300V,经过振荡降至225V左右。两个开关管S1及S2的峰值电压均未超过输入电压。
(a) v T of T (b) v ds of S1 (c) v ds of S2
(d) v T of T (e) v ds of S1 (f) v ds of S2
图4 实验波形
Fig.4 Experimental waveform
图4(d)、(e)、(f)是150V输入4A输出时宽范围双管反激变换器的主要实验波形。图4(d)是变压器原边的电压波形,正向电压为输入电压150V,反向复位电压大约为200V,已经超过输入电压,占空比大约为57%,说明该变换器占空比可以大于50%。图4(e)是开关管S1漏源间的电压波形,其峰值为150V,然后经过一个振荡降至130V左右。图4(f)是下管S2漏源间的电压波形,其峰值为280V,然后经过一个振荡降至220V左右。
两个主开关上的漏源电压值和理论分析的有一定偏差(理论上S1平台电压应该为输入电压,S2平台电压应该是输出电压折算到原边的值,约为200V),这是因为在实际工作中变压器漏感的影响。当S1关断,S1的漏源电压上升到输入电压,但是,等到S2关断后,由于漏感的影响,S2的漏源电压会有一个振荡,期间会使得S1的漏源电压有所下降,而使S2的漏源电压略高于理论值。
图5给出了两种变换器在满载(4A)时不同输入电压下的效率曲线。效率2是传统双管反激变换器的满载效率曲线,输入电压为350V时效率最高,为92%。效率1是宽范围双管反激变换器的满载效率曲线,输入电压为350V时效率最高,为89.3%。通过比较可以看到,传统双管反激变换器的整机效率要高于宽范围双管反激变换器,但是后者的输入电压范围有4倍的变化范围,有很强的宽范围适应性。这也进一步验证了前面的分析。
图5 满载4A不同输入电压下的效率曲线
Fig.5 Efficiency at full load under different input voltage
5 结语
不管是传统的双管反激DC/DC变换器还是宽范围双管DC/DC反激变换器,和单管反激相比都具有主开关电压应力低的优点。
此外,传统的双管反激变换器整机效率比较高,但不能工作在占空比大于50%。因此,适合于高输入电压、高性能要求而宽范围要求不太高的辅助电源或较小功率电源应用。
宽范围双管反激变换器的占空比可以大于50%,并且输入输出电压具有宽范围适应性特别强的 D /(1- D )的关系,因此,适用于高输入电压和特别宽输入电压范围的场合。
射频工程师养成培训教程套装,助您快速成为一名优秀射频工程师...
天线设计工程师培训课程套装,资深专家授课,让天线设计不再难...
上一篇:利用SPMC75F2413A单片机来开发直流变频洗衣机的原理和方法
下一篇:基于SPMC75F2313A的直流伺服驱动器

