- 易迪拓培训,专注于微波、射频、天线设计工程师的培养
采用BoostPWMDC/DC变换器的正弦波逆变器
摘要:介绍了采用BoostPWMDC/DC变换器的正弦波逆变器的工作原理与控制方式,这是一种新型的正弦波逆变器。
关键词:升压;DC/DC变换器;正弦波逆变器
1 引言
传统的电压型逆变器只能降压,不能升压。要升压就必须采用升压变压器,或在直流电源与逆变器之间串入Boost DC/DC变换器。这对于应用于UPS及通信振铃电源的低频逆变器来说,将会使电源的体积重量大大增加。而采用新型的BoostPWMDC/DC变换器组成的逆变器,将会很简单地实现升压逆变。如果在一个周期内不断地按着正弦规律改变载波周期内的占空比 D ,就可以输出电压成为正弦波。
2 Boost变换器的升压特性
BoostPWMDC/DC变换器具有优越的无级升压变压功能,因此,可以把它直接应用于需要升压变压的高开关频率PWM电压型逆变器中。
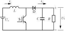
Boost变换器电路如图1(a)所示。假定开关S的开关周期为T,开通时间为 t on= DT ,关断时间为 t off=(1- D ) T ,而 D = t on/ T =0~1为开通占空比,(1- D )= t on/T为关断占空比。Boost变换器有两个工作过程。
1)储能过程在S开通期间 t on为电感 L 的储能过程,其等效电路如图1(b)所示。S开通,输入电路被S短路,输入电流 i 1使电感 L 储能,加在 L 上的电压为电源电压 U S,电压方向与电流方向相同。由电磁感应定律得
在 t on期间, L 中的电流增量为
Δ
I
1on=
2)放能过程在S关断期间 t off,为电感 L 的放能过程,其等效电路如图1(c)所示。S关断, D 导通,电源与输出电路接通,电感 L 放能,加在 L 的电压为输出电压 U o与电源电压US之差( U o- U S),电压方向与电流 i 2的方向相反。由电磁感应定律得
在 t off期间, L 中的电流减小量为
Δ
I
2off=
电路稳定后,Δ I 1on="Δ I 2off|
所以
DT
=
(1-
D
)
T
;
U
S=(1-
D
)
U
o
故输出输入电压变比
(1)
Boost变换器的工作波形如图1(d)所示,可以看出:输入电流 i 1是连续的,输出电流 i 2是断续的。 i 1连续是因为输入电路有 L 的存在。
作出
M
=
f
(
D
)的关系曲线如图1(e)所示。由于
D
=0~1,所以
,说明Boost变换器只能升压,不能降压。
(a)原理电路
(b)储能等效电路 (c)放能等效电路
(d) 波形图 (e) M = f ( D )曲线
图1 Boost变换器电路的工作波形及 M = f ( D )曲线
3 Boost逆变器的构成
对于UPS或交流电动机驱动用的逆变器,要求它必须能够双向四象限工作,所以,应将Boost DC/DC变换器改进成双向变换器。所谓双向变换器,就是功率既可以从输入端流向输出端,也可以从输出端流向输入端。为此,必须要解决电流反向流通的问题。最简单的解决办法是在原电路的三极管上反并联一只二极管,在原电路的二极管上反并联一只三极管,三极管和二极管共同组成两个反向导通的开关S和S。S和S按互补方式工作。这样,不仅保证了正反向电流的流通,而且也不使等效电路的工作过程发生变化。改进后的电路如图2(a)所示,图2(b)为双向Boost变换器的
M
=
f
(
D
)曲线。当功率由
U
S输送到
U
o时,变换器工作在Boost状态,
。当功率由
U
o输送到
U
S时,变换器工作在Buck状态,
M
=1-
D
。
所谓S与S互补工作,即在 DT 期间S开通,S关断,在(1- D ) T 期间S开通,S关断。
根据变换器变比的定义,当
U
S为电源
U
o为负载时,变比
M
=
称为正向变比。当
U
o为电源
U
S为负载时,变比
M
=
称为反向变比。两者之间的关系为
M
=
。令互补占空比
D
=1-
D
,则1-
D
=
D
,因此,Boost变换器的变比
M
=
,
M
=1-
D
=
D
。
(a)双向Boost变换器电路 (b) M = f ( D )曲线
图2 双向Boost变换器的原理电路及其 M = f ( D )曲线
用图2(a)所示的Boost双向变换器构成的双向四象限Boost逆变器如图3(a)所示,图3(b)为双向四象限Boost逆变器的
M
=
f
(
D
)曲线。Boost逆变器是用两个双向Boost变换器,共用一个电源
U
S,在电源的负极上下对称地并联起来构成的。负载电阻
R
以输出差动的形式连接电路中。逆变器的4个开关工作在如图3(a)所示的互补方式,由电源
U
S通过上下两个双向变换器向负载
R
供电。当上面的双向变换器变比为
M
′=
f
(
D
)时,下面的双向变换器的变比即为
M
′=
f
(
D
),
D
=1-
D
。这样,逆变器a点的电压
U
a=
M
′
U
S,b点的电压
U
b=
M
′
U
S,负载
R
上的电压
U
L=
U
a-
U
b=
M
′
U
S-
M
′
U
S=
U
S(
M
′-
M
′)。根据变比的定义,逆变器的变比
M
=
=
M
′-
M
′。
对于Boost逆变器,
M
′=
,
M
′=
=1/
D
,所以
M
=
M
′-
M
′=
-
=
(2)
作出
与D的关系曲线如图3(b)所示。
(a) Boost逆变器电路
(b) M = f ( D )曲线
图3 Boost双向四象限逆变器及其 M = f ( D )曲线
4 Boost逆变器的PWM控制法
Boost逆变器的PWM控制法大约有5种,即SPWM控制法,滑模控制法(Sliding mode control),电压跟踪控制法,函数控制法(Function control)和离散变量控制法。它们各有特点,适合于不同用途的Boost逆变器。但应用较多的是前三种控制法。
4.1 SPWM控制法
适合于Boost逆变器的SPWM控制法有三种形式,即二阶SPWM控制、三阶SPWM控制,三阶交互式SPWM控制。 [p]
4.1.1 二阶SPWM控制
Boost逆变器的二阶SPWM控制电路如图4(a)所示,图4(b)为工作波形图。逆变器的左臂变换器按图3(b)中的曲线①工作,变比
M
′=
;右臂变换器按图3(b)中的曲线②工作,变比
M
′=-
;逆变器按图3(b)中的曲线③工作,变比
M
=
M
′-
M
′=
-
=
。由图4(b),采样点a和b的方程为
式中: T c为载波三角波周期;
ζ= U c/ U 为 调 制 比 ;
0≤ p ≤ T c/2;
k =1,2,3,… N /2;
N 为 载 波 比 。
(a)原理电路
(b)工作波形图
图4 Boost逆变器的二阶SPWM控制电路
脉冲宽度
占空比
D
的值不是随意给定的,只与变比
M
有关。因此,
D
的实际应用值只能从图3(b)中的曲线③求出。根据已知的
U
S和
U
L值,算出变比
,由
M
在曲线③上查出占空比
D
的值,逆变器的
D
工作区间则为(1-
D
)~
D
。
逆变器输出电压 u L的傅里叶级数表示为式(3)
![]()
![]()
·
(3)
4.1.2 三阶SPWM控制法
Boost逆变器的三阶SPWM控制电路如图5(a)所示,图5(b)为工作波形图。为了满足左右臂变换器中两个开关的互补工作,采用了左右臂相位参差调制法。即采用两个相位相反而幅值相同的正弦调制波,与一个载波三角波进行比较,得到两个相位相反的二阶SPWM波去分别控制左右臂变换器,在电容 C 1和 C 2上分别得到电压 u a和 u b,用 u a- u b即可得到电压 u L的三阶SPWM输出电压。左臂 C 1上电压 u a由S1和S1产生,右臂 C 2上电压 u b由S2和S2产生,左右两臂变换器工作在互补状态。当左臂的占空比为 D 时,右臂的占空比则为 D =1- D 。
(a) 原理电路
(b) 工作波形图
图5 Boost逆变器的三阶SPWM控制电路
对于左臂,开关S1和S1互补工作,调制波为 u =sin ω ( kT c+ p )是正相位,采样点a和b的方程式为
占空比
(4)
对于右臂,开关S2和S2互补工作,调制波为- u =-sinω( kT c+p)是反相位,采样点a′和b′的方程式为
占空比
D
=
(5)
则1-
D
=1-
=
=
D
这说明左右两臂变换器的占空比满足
D
=1-
D
,两臂相互之间也工作在互补状态,即左臂变换器按图3(b)中曲线①工作;右臂变换器按图3(b)中曲线②工作;逆变器按图3(b)中曲线③工作。占空比
D
的值应由
M
来确定。当已知
U
S和
U
L的值时,
M
=
U
L/
U
S,由图3(b)曲线③查出与
M
对应的占空比
D
的值。
D
的工作区间为(1-
D
)~
D
。由图5(b)及文献[1]可知
![]()
·
(6) [p]
由式(6)和式(3)比较可知,采用三阶SPWM控制法比两阶SPWM控制法,具有更小的谐波含量。
4.1.3 三阶交互式SPWM控制
Boost逆变器的三阶交互式SPWM控制电路如图6(a)所示,图6(b)为工作波形图。这种控制方式的特点是,逆变器的左臂工作在 u L的正半周,右臂工作在 u L的负半周,左右臂交互工作,即可使逆变器输出一个完整的电压 u L波形。 u L的傅里叶级数表示式与式(6)相同。占空比D的确定,及 D 工作区间(1- D )~ D 的确定,也与三阶SPWM控制法相同。实际上,三阶交互式SPWM控制法是三阶SPWM控制法的变形。
(a)原理电路
(b)工作波形图
图6 Boost逆变器的三阶交互式SPWM控制电路
4.2 滑模控制法
滑模控制法适合于变结构系统,滑模变结构控制理论产生于上世纪50年代,现在已发展成为一种完备的控制系统设计方法。这种控制法实质上是一种用高频开关控制的状态反馈系统。滑模控制的特点是稳定性好,鲁棒性(Robustness)强,动态性能好,实现容易。
滑模控制的原理是利用高速切换的开关控制,把受控的非线性系统的状态轨迹,引向一个预先指定的状态平均空间平面(滑模面)上,随后系统的状态轨迹就限定在这个平面上。滑模控制系统的设计有两个方面:一是寻求滑模面函数,使系统在滑模面上的运动逐渐稳定且品质优良;二是设计变结构控制,使系统可以由相空间的任一点在有限的时间内达到滑模面,并在滑模面上形成滑模控制区。
Boost逆变器的滑模控制系统框图如图7所示, u ~是逆变器的输出电压; u L为低通滤波器的输出电压(即负载电压); u L′是负载电压 u L的一阶导数; u r为基准正弦电压; u r′为 u r的一阶导数; u 是控制变量, u 为高电平时,代表 u ~最大, u 是为低电平时,代表 u ~最小; K 1, K L分别是加权数,即反馈增益;σ为开关控制律。控制电路由开关控制律形成电路和逻辑判断与触发电路两部分组成。
开关控制律如式(7)所示
σ= K 1( u r- u L)+ K 2( u r- u L)≥0 (7)
图7 Boost逆变器的滑模控制系统框图
当σ>0时,控制量 u 为高电平,代表 u ~为 u ~最大;当σ<0时,控制量 u 为低电平,代表 u ~为 u ~最小。
用滑模控制法的Boost逆变器,动态性能好,系统具有降阶性和鲁棒性。滑模控制属于目标控制法,可以预先构造闭环特性,适用于动态性能要求高的Boost逆变器。
4.3 函数控制法
函数控制法的工作原理是:首先用开关函数表示出主电路电子开关的通断作用,得出其等效电路,并找出包含最重要控制信息的主电路动态方程式,写出开关函数与主电路变量之间的函数关系。然后在控制电路中再加入误差放大环节,并满足约束条件,从而导出开关函数与控制电路变量之间的函数关系,即得到系统的函数控制律。对于Boost逆变器有
(8)
式中: S 动态开关函数是逆变器的输入控制量;
u a, u b为逆变器a点和b点的电压;
i 1, i 2为流过电感 L 1和 L 2的电流。
函数控制Boost逆变器框图如图8所示。图中 X 是逆变器的中间输出量,也是控制电路的中间输入变量。函数控制逆变器的特点是系统绝对稳定,响应速度快,无过冲与超调,能完全抑制电源电压 U s及负载阻抗大,小信号扰动的影响,输出电压 u L与Boost逆变器参数无关,能适应各种性质的负载,但实现比较困难。
图8 Boost逆变器的函数控制系统框图
4.4 离散控制法
离散控制法通过选择适当的反馈变量的离散采样值,诸如输出电压 u L的离散采样值 u L( nT );电感电流离散采样值 i 1( nT )和 i 2( nT );输出电流离散采样值 i L( nT );预估控制约束条件为 U ( n +1) T - U r= k [ U ( nT )- U r](式中 nT 表示离散时间, T 为开关周期)。人为地构造出控制律,以便抑制输入及负载扰动对输出电压的影响,获得比较理想的输出特性。
离散控制法Boost逆变器主电路的离散分析相当复杂,离散量控制律的实现也十分麻烦,预估值需按经验确定,故在应用中有一定限制。 [p]
4.5 电压跟踪控制法
Boost逆变器采用电压跟踪的原理电路如图9所示。控制电路利用滞环比较的方式,使Boost逆变器的输出电压,快速不停地跟踪一个基准正弦波电压,即利用逆变器的左臂跟踪正半周电压,右臂跟踪负半周电压,两臂轮流跟踪就能够得到一个完整的正弦波电压。
图9 Boost逆变器采用电压跟踪控制的原理电路框图
基准正弦波电压,是由控制电路中的基准正弦波发生器产生的,为了控制左右臂变换器轮流跟踪,还需要一个与基准正弦波电压同相位的方波电压,用此方波电压的正负半周来切换左右两臂变换器的跟踪。
逆变器各臂的功率输出,首先是利用Boost高速开关把直流电能变换成电感能,然后再把电感能转移到滤波储能电容 C 1(或 C 2)和负载上。
电感能向电容 C 1(或 C 2)和负载的转移如式(9)
(9)
式中: i L为流过 L 1(或 L 2)的电流;
UC 为 C 1(或 C 2)上的电压;
P 为负载消耗的功率瞬时值;
Δ t 为转移周期。
在时间Δ t 如果引起电感电流的变化为Δ iL ,电容电压 U C的变化为Δ U ,则式(9)可以改写成
L Δ iL 2= C Δ U 2+ P Δ t
(10)
能量转移与跟踪过程如图10所示。图中 t 1~ t 2为电感储能时间, t 2~ t 3为已跟踪到基准正弦波电压的时间, t 3~ t 4为电感惯性移能到 i L=0的时间, t 4~ t 5为能量消耗与回收时间; t 5~ t 6为电感重新储能时间。 t 4~ t 5期间电压下降速度决定 t 5~ t 6期间电感储存的能量。假设因某种原因使输出电压在 t 6~ t ′7期间未跟踪上基准正弦波电压,则 t ′7~ t 8期间紧接电感储能,力图在 t 8~ t 9期间跟踪上基准正弦波电压。在正弦波的上升沿,因滤波储能电容需要充电,故移能频率高,在正弦波下降沿因电容需要放电,故移能频率低。跟踪精度与图10中滞环宽度Δ U 有关,Δ U 小跟踪精度高,跟踪频率亦高,效率减小;Δ U 大跟踪精度低,跟踪频率亦低,但效率高。
图10 能量转移与跟踪过程示意图
5 应用实例
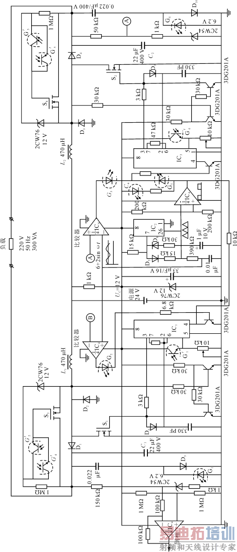
一台已被实际应用的,采用电压跟踪控制法的Boost逆变器电路如图11所示。容量为300VA,输入直流电压 U S=24V,输出交流电压 U L=220V,频率为50Hz。开关器件S1~S4采用的是10A/400V功率MOSFET。
图11 采用电压跟踪控制的Boost逆变器电路
在控制电路中,其准正弦波是由时基电路IC2产生的。IC2的脚2脚6产生含有 U C/2直流分量的50Hz三角波,此波经390kΩ电阻与0.01μF电容的 RC 低通滤波后,得到含有6V直流分量的50Hz正弦波6+2sinω t ,此波作为左右臂跟踪用的基准正弦波。控制左右臂输流工作的方波,采用IC2的脚2脚6三角波与UC电源电压中点,在IC4进行比较产生。用此方波控制IC1,IC3的脚4来切换左右两臂轮流工作。以右臂为例,S2控制电感能向电容和负载转换,而S2又受IC3时基电路的控制,只有当脚4输出 U 4>1V的高电平时才使S2具有开关功能。S2的开通受脚3的输出控制。这样,当同相位方波为低电平时,IC3不能置零复位,才允许S2工作,如果此时脚3输出高电位,则S2开通,脚3输出低电位,S2关断。
由式(10)可知,ΔU与负载的大小有关,p↑,Δ U ↓; p ↓,Δ U ↑。为了保证Δ U 跟踪基准正弦波电压的精度,需要根据负载大小随时调节iL,使Δ U 与负载无关。调节的最好办法是用临界饱和控制电路。对于功率MOSFET来说,在临界饱和状态栅压与 i L成正比,故可以利用开关管的栅压来间接地控制 i L。在图11中用2个三级管组成的间接测量保持电路,只要开关管的端电压大于饱和电压,此电路就使栅压升高,反之使栅压降低。IC3是具有延滞特性的两态开关电路,当IC3的脚2脚6电压在 U 5/2~ U 5( U 5为IC3的脚5电压)变化时,脚3是施密特跃变,即栅压 U 2,6> U 5时,S2截止,当 U 2,6< U 5/2时,S2导通。故在跃变过程中 U 5/2~ U 5的大小就反映了所控制的 i L,而 U 5又受控于负载的大小,这是因为在 L 2重新储能的时候,输出由储能电容 C 2独立供电给负载。检测支路中的光耦发光二极管G6通过的电流 i J的大小,就反映了负载的大小,而其感光管G′6使 U 5随负载的大小而变,以决定电感储能应达到的 i L值。
使电感能向电容 C 2和负载转移的时间大约为10μs,在转移期间如果不到10μs就使输出电压大于基准正弦波电压,则G3发光使S4预开,同时通过脚4控制使IC3重复, U 5仍保持低电平以防止10μs之后 U 5跃为高电平,惯性使Δ U 继续增长,直到 i L=0之后。 C 2和负载上过剩的能量通过S4, L 2向 U S(蓄电池)充电回收能量,输出电压图10能量转移与跟踪过程示意图下降直到低于基准正弦波电压,S2关断,D3续流,电池吸收 L 2的全部反向储能。如此经过10ms使右臂输出一个正弦半波,而后再切换到左臂开始另半个周期正弦波的跟踪。
逆变器的性能增标如下:
重量≤80g,体积和复读机一样大;
功率300VA;
效率>90%;
输出电压正弦波失真度<3%;
空载电流<20mA;
具有过载及短路保护;
输出电压220V,可调。
6 结语
Boost逆变器是一种可以升压的新型逆变器,传统逆变器的控制方式几乎都可以在这种逆变器中应用,但以SPWM控制方式、滑模控制方式和电压跟踪控制方式应用较多。这种逆变器可以用于UPS电源和交流异步电机的驱动,以减小体积重量,提高电源性能。
射频工程师养成培训教程套装,助您快速成为一名优秀射频工程师...
天线设计工程师培训课程套装,资深专家授课,让天线设计不再难...
上一篇:关于电力电子装置谐波问题的综述
下一篇:一种多路输出军用车载电源的设计

