- 易迪拓培训,专注于微波、射频、天线设计工程师的培养
一种新颖的功率因数校正芯片的研究
摘要:介绍了一种新颖的功率因数校正(PFC)芯片。它的主要特点是提高了轻载时的功率因数和改善了电路的动态性能。实验表明:这种新颖的PFC控制芯片实现了这些功能。
关键词:功率因数校正;动态性能;电流补偿
0 引言
随着电力质量标准的贯彻执行,功率因数校正(PFC)技术已成为电力电子领域中的研究热点,PFC变换器已越来越多地应用于开关电源、变频调速器和荧光灯交流电子镇流器中。近几年来,随着PFC技术的发展,PFC控制芯片也有了很大的发展。根据电路的工作模式,PFC控制芯片可以分成3类:
1)电流断续的控制芯片;
2)电流临界连续的控制芯片;
3)电流连续的控制芯片。
本文介绍了一种新颖的电流连续的控制芯片NCP1650,它改善了PFC电路的动态性能,并且严格控制了PFC电路最大输出功率,同时它还提高了轻载下的功率因数。本文以这种新颖的控制芯片制作了一个100W的PFC电路原理样机,对芯片进行了分析,最后给出了实验波形。
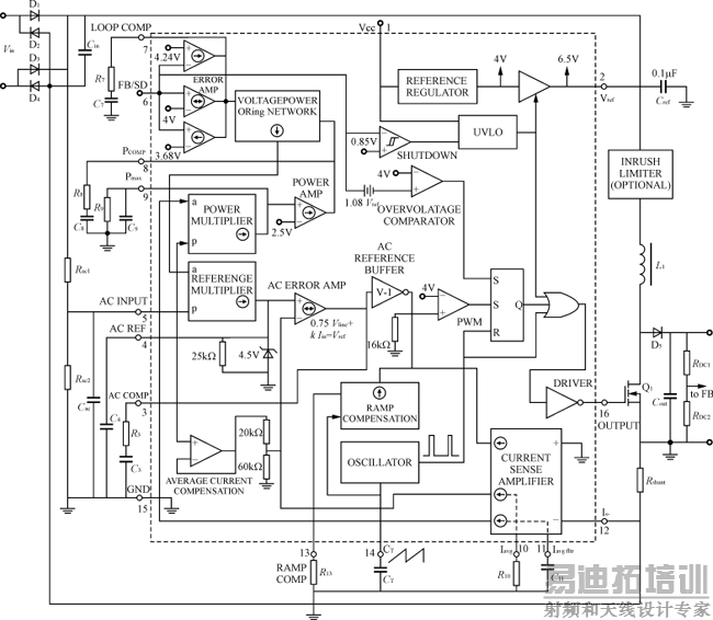
1 NCP1650功能介绍
NCP1650采用16脚SOP封装,引脚配置如图1所示,表1给出了引脚功能。它是一种平均电流模式的控制芯片,它可以应用在电流断续和电流连续模式的PFC电路中。因为其内部使用了精确的元件,电路的输出功率和电流都可以精确限制,所以对于相同功率等级的PFC电路来说,可以使电路中的功率器件的等级达到最小。
图1 NCP1650引脚排列
NCP1650具有软启动,输出过压保护,瞬时电流限制,输入低压保护,输出最大功率限制等功能。
表1 NCP引脚功能表
| 引脚 | 名称 | 功能 |
|---|---|---|
| 1 | Vcc | 电源供电 |
| 2 | Vref | 基准电压 |
| 3 | ACCOMP | AC补偿 |
| 4 | ACREF | AC基准 |
| 5 | ACINPUT | AC输入 |
| 6 | FB/SD | 反馈/断开 |
| 7 | LOO PCOMP | 补偿环 |
| 8 | PCOMP | 功率补偿环 |
| 9 | Pmax | 最大功率限制 |
| 10 | Iavg | 电流比例 |
| 11 | Iavg-fltr | 滤波电容 |
| 12 | Is- | 负的采样电流输入 |
| 13 | RAMPCOMP | 斜率补偿 |
| 14 | CT | 定时电容 |
| 15 | GND | 接地 |
| 16 | OUTPUT | 驱动输出 |
1.1 电流补偿功能
对于输出功率范围宽的PFC电路来说,在轻载时的功率因数都受到不同程度的限制,但是在工业领域对电路的功率因数有严格的要求,因此大家越来越关注这个问题。NCP1650可以解决这个问题。
NCP1650会根据实际输入电流的大小,给采样电流信号一个相应的补偿,这样就可以提高轻载时的功率因数。图2给出了电流补偿器原理图。芯片中的电流采样补偿器是一个具有微分输入的宽范围带宽放大器。它由一个微分输入级,一个高频电流镜像器和一个低频镜像器构成。其中低频电流镜像器有3个输出端,分别给AC误差放大器,功率乘法器和电流补偿器。
图2 电路采样补偿器 [p]
NCP1650的管脚12是一个负的电流采样信号输入。因此这种控制芯片的电流采样补偿器的输入电压信号是一个负电压信号。其中管脚12还与内部一个电流分流电阻(阻值为1kΩ)相接。当芯片工作时,电流分流电阻上的电压被转化为一个电流( i 1),这个电流就会驱动高频电流镜像器。这个电流镜像器的输出( i 1)与PFC电路中的电感瞬间电流成比例,如式(1)所示。
i 1= V is-/1kΩ(1)
同时,这个高频电流镜像器通过一个15kΩ的电阻给缓冲放大器提供一个电压信号;另外,这个高频电流镜像器的PWM输出直接给PWM发生器提供一个信号,这样就可以来控制开关管的驱动信号。当PFC电路工作轻载时,通过管脚12给芯片一个相应的电压信号,它就会及时驱动高频电流镜像器,从而就会对采样的电压信号进行补偿,增大了这个采样信号,这样就可以很好地跟踪参考信号,以提高轻载下PFC电路的功率因数。
1.2 动态性能的调节功能
对于PFC电路来说,动态性能是一个很难解决的问题。当输入电压或者输出功率变化时都会引起输出电压很大的变化,这样会大大降低电路的寿命,而且会给后面的DC/DC电路带来很大的压力。
图3中给出了解决动态响应的原理图。当输出电压变高时,电压反馈信号也相应地增加,当达到某个设定值时就会给PWM发生器一个信号,来控制驱动信号。对于输出电压降低也是一样的。因为NCP1650内部设置了电压反馈基准的最大值和最小值,所以反馈信号只能在这个范围内变化,这样当输入电压或者输出功率变化时,输出电压变化的范围不会很大,也就改善了动态性能。
图3 动态调节
2 实验结果
PFC主电路图参见图4,其主要参数如下:输入电压AC 90~265V;频率47~63Hz;输出电压为DC 400V;输出最大功率100W;最大开关工作频率为 f max=100kHz。
图4 主电路图
实验结果证明了NCP1650很好地解决了轻载时PFC电路的功率因数,同时动态性能也得到了改善。图5给出了输入电压115V,输出功率20W时的输入电流波形;图6给出了输入电压115V,输出功率100W时的输入电流波形;图7给出了输入电压230V,输出功率20W时的输入电流波形;
图5 输入电流波形( V in=115V, P o=20W)
图6 输入电流波形( V in=115V, P o=100W) [p]
图7 输入电流波形( V in=230V, P o=20W)
图8给出了输入电压230V,输出功率100W时的输入电流波形;图9和图10分别给出了输出功率从轻载到满载和从满载到轻载时的输出电压。
图8 输入电流波形( V in=230V, P o=100W)
图9 输出电压(功率从10W变到100W)
图10 输出电压(功率从100W变到10W)
3 结语
以NCP1650为核心设计的PFC电路,提高了轻载时的功率因数,这样在轻载时降低了对电网的污染;同时它改善了在输出功率变化时的动态性能。因此,它可以应用在对动态性能要求比较高和输出功率范围比较宽的场合。
射频工程师养成培训教程套装,助您快速成为一名优秀射频工程师...
天线设计工程师培训课程套装,资深专家授课,让天线设计不再难...
上一篇:有源电力滤波器控制策略综述
下一篇:一种配电网专用24V直流不间断电源的设计

