- 易迪拓培训,专注于微波、射频、天线设计工程师的培养
金卤灯电子镇流器动态和稳态特性研究
摘要:介绍了一种250W金卤灯电子镇流器,电路由PFC,Buck变换器和全桥逆变器组成。为了避免声谐振,全桥逆变器工作在200Hz低频方波,并在此基础上系统地研究金卤灯的动态和稳态特性。
关键词:电子镇流器;金属卤化物灯;声谐振
1 引言
目前,金属卤化物灯因其光效高,显色性好,寿命长等优点,已在众多的照明领域获得广泛应用。但由于其伏-安特性非线性的缘故,需要镇流器进行启动和稳弧放电。
气体放电灯,特别是金卤灯在高频工作时有声谐振的问题,会导致弧光的不稳定、色温的变化、甚至息弧。克服声谐振的方法主要有:
1)使气体放电灯工作在极高频[2],超出声谐振的频率范围,但是由于开关损耗与开关频率成正比,散热和效率问题会变得异常突出;
2)使气体放电灯工作在调频状态[3],使得声谐振不可能形成,但是各个厂家生产的气体放电灯在外形上不太一样,无声谐振的频带也不一样,所以也比较困难;
3)使气体放电灯工作在低频方波,声谐振的频带一般在几kHz到1MHz,所以声谐振一般就不会形成了。
本文采用三级的电子镇流器,工作于低频方波模式,并采用恒功率控制,避免了采用恒流控制方法而导致的随着灯泡的老化而灯电压升高的问题。
2 电路拓扑
本文介绍的250W电子镇流器如图1所示,是 针 对 美 国 电 网 市 电 标 准 开 发 的 , 所 以 输 入 电 压 为 交 流120 V。 为 了 获 得 较 高 的 功 率 因 数 , 第 1级 功 率 因 数 校 正 电 路 ( PFC) 将 120V交 流 电 转 换 为 240 V直 流 , 第 2级 DC/DC变 换 器 用 作 恒 功 率 控 制 , 第 3级 DC/AC逆 变 器 将 直 流 转 变 为 200 Hz方 波 电 压 。 由 于 金 卤 灯 灯 需 要 2~ 3 kV的 点 火 电 压 , 所 以 加 了 一 个 单 级 的 点 火 器 , 用 来 产 生 高 压 脉 冲 。 恒 功 率 控 制 采 样 了 Buck变 换 器 ( 第 2级 DC/DC) 的 输 出 电 压 和 电 流 来 控 制 Buck变 换 器 的 PWM驱 动 信 号 。
图1 电子镇流器总框图
3 电路工作原理
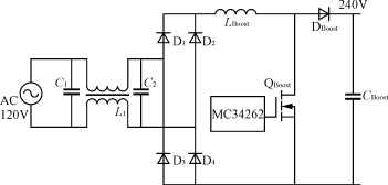
第 1级电路如图2所示,由EMI滤波器和PFC电路组成。其中PFC电路采用MC34262芯片控制,可以获得接近于1的功率因数,它将交流120V转变为240V直流,作为下一级DC/DC变换器的输入。
图2 第1级PFC主电路
第2和第3级的主电路如图3所示,分别由一个Buck变换器和一个全桥逆变电路组成。当金卤灯起辉前,由于负载开路,电流检测为零,Buck控制输出最大占空比,Buck电路输出为240V左右,经R3向 C 3充电,当充到双向触发管(SIDAC)的触发电压时,触发管导通, C 3放电,高压加在升压变压器T1的原边,副边输出一个2~3kV的高压脉冲,加在金卤灯的两端,提供其点火电压,如果一次点火失败, C 3又被充电,重复以上过程,直到金卤灯被点亮。当金卤灯点亮后电流增大,则Buck变换器的输出将会下降,稳态工作点大约在120V,低于SIDAC的触发电压,不会产生高压脉冲,当灯泡坏了以后不需要关掉电源,只要重新换上新的灯泡又可以重新点亮。
图3 第2和第3级主电路 [p]
4 实验结果和分析
一个250W电子镇流器样机验证了上述方案,元件参数如下: L Boost=180μH, C Boost=400μF, L Buck=120μH,CBuck=1μF, R Sense=0.1Ω, R 1=200kΩ, R 2=256Ω, R 3=100kΩ, C 3=1μF,T1匝比=1∶20。图4是 C 3两端的电压波形。可以看到SIDAC的触发频率是3.6Hz,即大概需要280ms,当SIDAC触发导通时,副边感应出一个高压脉冲,波形如图5所示,尖峰电压达到2kV。
图4 C 3两端的电压
图5 灯两端点火时电压
1)动态特性
图6显示了灯从启动到稳态的整个过程中电压电流的变化,从中可以看到恒功率的控制过程,灯从启动到稳态大概需要150s。图7和图8分别是灯电压、灯电流随时间变化曲线,灯电压是随时间慢慢增长的,相反灯电流是随时间慢慢降低的。金卤灯在启动过程中经历了4个阶段:气体电离阶段,辉光放电阶段,辉光放电向弧光放电过渡阶段以及弧光放电维持升压阶段。图9是灯等效电阻随时间的变化曲线,由于灯电阻的非线性,所以要用恒功率控制。
图6 灯电压、电流动态过程
图7 灯电压-时间曲线 [p]
图8 灯电流-时间曲线
图9 灯电阻-时间曲线
2)稳态特性
图10是灯的稳态电压、电流波形。可以看到电压和电流是同相位的,电压和电流是线性的,功率因数接近于1,所以稳态时金卤灯可以看作是一个电阻,250W金卤灯大概为62Ω。
图10 灯两端稳态电压、电流波形
5 结语
实验研究表明本文介绍的三级电子镇流器具有可靠性高,稳定性好的特点,启动电路简单,实用。文中同时给出了250W金卤灯的稳态特性和动态特性。
射频工程师养成培训教程套装,助您快速成为一名优秀射频工程师...

