- 易迪拓培训,专注于微波、射频、天线设计工程师的培养
高可靠混合集成DC/DC变换器(5V/3A)的设计
1引言
随着武器系统的发展,电子设备趋向小型化,供电方式由集中供电向分布式供电发展,DC/DC变换器的需求越来越大,同时对可靠性提出了更高的要求。采用混合集成电路的形式既能使电路小型化又能达到高可靠性,是当今乃至今后高可靠DC/DC变换器的发展方向。
HB2805S15是输出电压5V电流3A的混合集成DC/DC变换器,采用厚膜工艺、磁隔离方式进行混合集成,封装形式与Interpoint公司的MHV系列相同。
2电路方案
2.1主要技术指标
HB2805S15的主要技术指标见表1。
表1主要技术指标
| 项目 | 参数指标 | 单位 |
|---|---|---|
| 输入电压范围 | 18~36 | V |
| 输出电压 | 5.0 | V |
| 输出电流 | 3 | A |
| 输出电压纹波 | ≤50 | mV |
| 电压调整率 | ≤0.15 | % |
| 负载调整率 | ≤0.3 | % |
| 效率 | ≥80 | % |
| 工作温度范围 | -55~+85 | ℃ |
DC/DC拓扑类型主要有:降压型(Buck)、升压型(Boost)、反相型(Buck-Boost)、反激型(Flyback)、正激型(Forward)和零电压(ZVS)零电流(ZCS)型。中小功率的DC/DC电源变换器一般采用单端正激型和双端推挽型的拓扑结构。
单端正激型结构简单,元器件少,双端推挽型是将两个单端正激型合并,变压器工作在第Ⅰ象限和第Ⅲ象限,提高了磁芯的利用率,消除了单端正激的不利因素。
反馈隔离方式有光电隔离和脉冲变压器隔离。光电耦合器受温度的影响大,频带窄;脉冲变压器隔离的温度稳定性好,可靠性高,频带宽,是高可靠DC/DC电源变换器优先采用的方式。
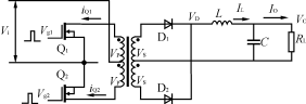
本电路采用双端推挽变压器隔离反馈式,原理图如图1。
图1双端推挽变压器隔离反馈原理图
图2推挽式变换器电路及其相关波形
2.3电路工作原理
双端推挽DC/DC变换器的基本电路结构及其工作波形如图2所示。
开关管Q1,Q2在PWM控制器的控制下交替导通,将变压器的初级电流和电压传递到次级,经整流滤波后输出直流电压,调节Q1,Q2的导通/截止时间,可改变输出电压。双端推挽DC/DC变换器的输出电压可表示为:
VO=DVi(1)
式中:VO——输出电压,V;
Vi——输入电压,V;
D——整流管的占空比;
Np——变压器初级匝数,匝;
Ns——变压器次级匝数,匝。 [p]
3电路设计
3.1主要元器件
DC/DC变换器的主要元器件是脉宽调制器PWM、变压器、隔离反馈电路以及开关管和整流管。HB2805S15的PWM选用UC1825A,隔离放大器选用UC1901,变压器和电感选用TDK的PC40材料系列的罐型磁芯。
UC1825A是电压/电流型PWM控制器,输出峰值电流2A,开关频率可达到1MHz,误差放大器的单位增益带宽12MHz,具有逐个脉冲电流限制,软起动和最大占空比可设置,可用于双端推挽DC/DC变换器。
UC1901隔离放大器是一个脉冲幅度调制(AM)电路,它包括基准源、误差放大器、振荡器、乘法器,最高振荡频率5MHz。
PC40系列是TDK公司的产品,其导磁率高,高频损耗小。
3.2开关频率定时元件计算
开关频率高,元器件的开关损耗大,影响效率η;开关频率低不利于小型化,经过计算和实验,开关频率定为300kHz。UC1825A的定时元件电阻和电容由式(2)和(3)计算确定:
RT=(2)
CT=(3)
式中:RT——定时电阻,Ω;
CT——定时电容,F;
Dmax——最大占空比;
f——开关频率,Hz。
3.3元器件设计
(1)变压器的设计
变压器是DC/DC变换器的重要元件,主要技术参数是初次级匝数比(n=Np/Ns)和初次级的电感量(Lp,Ls)。变压器的初级匝数和次级匝数由下式得到:
Np≥(4)
Ns=(5)
式中:Vimax——最大输入电压,V;
Vimin——最小输入电压,V;
Bm——饱和磁通密度,T;
Ae——磁芯截面积,m2;
VF——整流管正向压降,V;
VO——输出电压,V。
(2)输出部分的设计
输出部分主要是输出电感L和输出电容C构成的LC低通网络,电感量和电容值由下式求得:
L≥(6)
式中:ΔIL——电感脉动电流(一般取值ΔIL=(10%
~25%)IOmax),A;
Dmin——最小占空比。
C≥(F)(7)
式中:ΔVOmax——输出最高纹波电压,V。
(3)开关管和整流管
开关管的最大电流IPmax由下式求得:![]()
IPmax=(IOmax+)+IM(8)
式中:IM——励磁电流,A;
IOmax——变压器最大输出电流,A;
开关管耐压VB:
VB≥2Vi(9)
整流管的最大峰值电流IFM:
IFM≥IOmax+(10)
整流管的反向截止电压VRR:![]()
VRR≥2
即:VRR≥2Vimax(11)
本电路输出电压低电流大,选用肖特基整流管。
4可靠性设计
主要对电路中的功率元器件进行降额设计和版图的热设计。
4.1功率元器件的降额设计
由3.3节中的设计公式计算出各元器件的实际要求数值,按降额等级(Ⅰ级)选取元器件。
(1)磁性元件的设计
变压器和滤波电感是DC/DC变换器的主要发热源,承载着很大的功率,本电路选用TDK的PC40材料系列的罐型磁芯。
PC40材料的主要参数:
导磁率μ=2300
居里温度Tc≥215℃
饱和磁通密度Bs=5100Gas(25℃)
Bs=3900Gas(100℃)
电路设计中变压器磁通密度的实际取值是Bs=1600Gas,达到Ⅰ级降额标准。 [p]
(2)整流管
肖特基二极管是以多数载流子工作的整流器件,具有很好的开关特性,它的正向压降(VF)小,且随温度的升高而降低,可降低整流管导通损耗,有利于提高输出电压低时的电路效率。
本电路的输出电压5V,输出电流3A,因此选用肖特基10TQ045,它的最大电流(IFRM)10A,反向重复峰值电压(VRRM)45V,符合Ⅰ级降额标准。
(3)开关管
功率MOSFET具有开关速度快,损耗低,驱动电流小,无二次击穿现象,过载能力强,抗干扰能力强等优点,广泛地用于高频开关电源。
当输入电压为低压18V时,流过开关管的峰值电流取IP=3A;输入为最高电压36V时,源漏电压VDS=2×36+V尖峰(V尖峰是由变压器漏感产生的)。
选用IRF630,最大漏极电流ID=9A,VDS耐压200V,符合Ⅰ级降额设计。
4.2版图的热设计
减小热阻,提高效率,电路的可靠性才能提高。电路的发热元器件主要是开关管(MOSFET)、变压器、整流管和电感等,设计上从三个方面采取了措施:
(1)在版图上合理分布热源,将以上元器件分开摆放;
(2)采用新工艺,减小热阻,开关管、整流管采用再流焊工艺,粗铝丝压焊,变压器、电感器和基片采用导热胶粘接;
(3)基片材料选用高导热率的基片,增加热传导。
5工艺技术
电路采用厚膜交叉布线工艺、导带双层金加厚工艺,焊接区设计为钯银(PaAg)加厚。采用MQ10—10全金属缝焊平行封装,它的气密性好,封装时不产生金属异物,PIND通过率高于锡封焊,可靠性高。
版图设计时充分要考虑组装工艺,合理的版图设计可减小深腔组装的技术难度。
变压器和电感器是DC/DC变换器的重要元件,绕制时严格控制匝数和电感量,保证误差在一定的范围,满足电路的要求。
6研制结果
高可靠混合集成HB2805S15DC/DC变换器完成了研制,并进行了批量的生产,通过了质量一致性考核(例试)实验。电路的测试数据见表2,表3列出了电路实际达到的主要技术指标。
图3电路(满载)加电和(满载)断电时的动态响应
(a)加电(Vi=0→28VVO=5VIO=3A)
(b)断电(Vi=28V→0V)
图4电路的输出电压纹波噪声
表2HB2805S159911批测试数据
| 项目 | 9911-2# | 9911-41# | 9911-49# | 9911-35# |
|---|---|---|---|---|
| 效率η(%) | 80.07 | 80.02 | 80.01 | 80.00 |
| 负载调整率SI(%) | 0.16 | 0.15 | 0.18 | 0.10 |
| 电压调整率SV(%) | 0.02 | 0.00 | 0.00 | 0.00 |
| 输出纹波Vpp(mV) | 5 | 5 | 7 | 7 |
| 项目 | 设计目标值 | 实际达到值 |
|---|---|---|
| 效率η(%) | ≥80 | ≥80 |
| 负载调整率SI(%) | ≤0.3 | <0.2 |
| 电压调整率SV(%) | ≤0.15 | <0.03 |
| 输出纹波Vpp(mV) | ≤50 | <10 |
7结语
通过HB2805S15的研制,掌握了混合集成DC/DC变换器电路设计技术,相继研制开发5W系列、15W系列、30W系列、70W系列约15个品种的高可靠混合集成DC/DC电源变换器。
射频工程师养成培训教程套装,助您快速成为一名优秀射频工程师...

