- 易迪拓培训,专注于微波、射频、天线设计工程师的培养
谐振软开关技术及其在逆变电源中的应用
摘要:为了获得更高的性能指标、更高的效率、更高的功率密度,软开关技术已经在DC/AC逆变器中得到了广泛的应用。然而,在这一领域中所做的大量工作并没有得到广泛的认识,撰写本文的目的在于尝试着对软开关技术的DC/AC电路进行一个简单的分类,并对其工作原理、性能、设计上的局限性及其优缺点进行扼要的分析。也重点讨论了谐振软开关技术在逆变电源中的应用。
关键词:零电压开关零电流开关谐振软开关
The Application of Resonant Soft switching Techniques in Invert Power Supply
Abstract: In order to achieve better performance,higher effciency,higher power density,soft switching techniques have recently been applied in the design of DC/AC inverter.However,the amount of work that has been done in this field is not widely known,this paper is an attempt to classify the soft switched DC/AC circuits in a simple and generic way,and operating principles,performance,and design limitations are discussed.Some possible industrial applications of soft switched inverter are addressed.
Keywords:Zero voltage switching,Zero current switching,Resonant soft switching
1引言
近十几年来,由于电路简单和控制方便,脉宽调制(PWM)技术已经成为功率电子技术中DC/AC逆变器的一个重要的选择。PWMDC/AC变换器在不间断电源(UPS)、电机驱动、感应加热等领域得到了广泛的应用。然而,由于开关损耗和半导体器件额定电流的限制,使得逆变器中的开关频率只工作在大约几个千赫兹,逆变器的功率也只有几个千瓦。众所周知,随着开关频率的提高,逆变器的功率密度和性能将会得到很大的改善。当然,开关频率的提高要受到以下因素的影响:
●在功率开关开通和关断过渡期间的开关应力(很高的电压和电流峰值),将会导致器件的安全工作区(SOA)加大;
●开关损耗;
●严重的di/dt和dv/dt将会产生电磁干扰(EMI)。
与PWM硬开关电路相反,在谐振软开关电路中,开关器件在零电压或零电流条件下切换,理论上开关损耗为零。因此,与硬开关电路相比,在采用同一类型开关器件的条件下,谐振软开关电路可以很轻松地在高出一个或几个数量级的开关频率下工作。高的开关频率使谐振软开关电路具有许多明显的优点,如低噪音,低电磁干扰(EMI),输出波形的谐波成分少;另外,由于开关器件在零电压或零电流条件下动作,开关器件的动态过程大为改观,这使得缓冲电路成为多余,散热器尺寸明显减小,从而使设备尺寸及重量也随之大量减小,开关器件可在高可靠性和高效率条件下工作。总而言之,人们过去在硬开关PWM电路设计中追求的许多目标,在软开关条件下都很容易实现。
由于谐振软开关逆变电路与常规硬开关逆变电路比较具有明显的优点,因此,近十年来,国内外的许多研究人员每年都有大量的关于这个领域研究的论文发表,目前已提出多种不同拓扑结构的谐振软开关逆变电路。
2软开关逆变器拓扑结构分类
图1软开关技术逆变器分类
总的来说,逆变器根据其开关特性可分为硬开关技术与软开关技术,所谓硬开关技术是指在开关切换瞬间,开关两端有电压或电流,所以不可避免的会产生开关损耗和EMI问题。同时,由于寄生电容和漏感的存在,在开关切换瞬间还会出现很高的电压/电流峰值。而软开关技术则是让开关在两端电压或电流为零或极小的瞬间切换,从而避免了开关损耗和EMI问题。产生这个零电压或零电流瞬间的方法则是在硬开关技术拓扑结构的基础上增加由电感L、电容C或其它诸如二极管或辅助开关等元器件组成的谐振网络,使主开关两端的电压或电流始终在零点附近振荡或穿过零点,从而给开关的零电压/零电流切换(即软开关技术)提供了可能的条件。
谐振环节位置和结构的变化,开关波形的特性不同及谐振的形式(如并联或串联),也使得软开关技术DC/AC逆变器电路拓扑变得多种多样。图1给出了软开关技术逆变器的一个分类图。
●负载谐振(LoadResonance)
把LC谐振网络以串联或并联的方式加在负载侧,为逆变桥主功率开关器件创造一个ZVS或ZCS条件。而DC总线侧的电压或电流波形保持不变。
●谐振过渡(Resonanttransition)
把LC谐振网络加在逆变桥上,开关上的寄生电容也成为谐振模式的一部分,为主功率开关器件创造一个ZVS或ZCS条件。而输入端DC总线波形保持不变。
●谐振环节(ResonantLink)
把谐振网络加在输入DC源和逆变桥之间,这样输入总线上的电压就成为一个脉冲序列,为功率开关器件创造软开关技术条件,所以,它和传统意义上的PWM系统,有着较大的区别。
3软开关逆变器拓扑结构的分类
31负载谐振逆变器
谐振网络和负载相连,在整个开关周期内(Ts=1/fs)以频率fr进行振荡,这种负载上振荡的电压和电流就可以为逆变桥中的主功率器件创造ZVS或ZCS条件,逆变桥可以是半桥或全桥结构。一般情况下,分为两类:
第一串联谐振拓扑结构:谐振网络和逆变桥串联,逆变桥给谐振网络提供一个方波电压。负载和谐振网络之间的连接是多种多样的,串联/并联/混合谐振结构(如串/并、并/串和多谐振)。
第二并联谐振拓扑结构:谐振网络和逆变桥并联,逆变桥给谐振网络提供一个方波电流,同样,负载和谐振网络之间也可以是串联或并联。
下面列出负载谐振转换器的两个实例和一些基本特点:
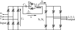
(1)串联谐振/并联负载逆变器(SRPLI)
图2示出了一个半桥的SPRLI电路。这种电路的特点是:
当fr , 输 出 阻 抗 为 容 性 , 主 开 关 和 二 极 管 在 ZCS条 件 下 开 通 或 关 断 。 有 源 开 关 的 开 通 取 决 于 电 路 的 控 制 信 号 , 而 它 的 关 断 则 依 靠 功 率 电 路 的 自 然 换 流 。 由 于 负 载 和 谐 振 电 容 并 联 , 可 以 明 显 缩 小 输 出 电 压 的 畸 变 。 在 实 际 应 用 中 , 为 了 限 制 功 率 开 关 中 的 短 暂 冲 击 电 流 , 应 该 给 每 个 功 率 开 关 串 联 一 个 电 感 。 这 种 电 路 广 泛 地 应 用 于 感 应 加 热 、 航 空 电 源 等 大 功 率 (20kHZ/10kVA左 右 )场 合 。
当fr>fs时,SRPLI工作在ZVS条件下,为了避免开关的关断损耗,功率开关应该并联一个吸收电容。这种情况下,如果构成全桥电路,其输出可采用移相调制的方法来控制。该结构还有一些特征,即相对于开关周期来说,谐振只发生在一个很短的瞬间,而
图2SRPLI电路
图3PRSLI电路
且开关上的寄生电容和隔离变压器上的漏感抗在逆变侧成为谐振网络的一部分。由于这种电路的这些特点,它已广泛应用于高频电源的设计中。
SRPLI电路的优点是:输出正弦波畸变较小,功率大效率高。
SRPLI电路的缺点是:变频控制方法受到限制,且有一定的输出畸变。另外由于制造的原因或参数的瞬态变化使得开关频率漂移,从而不便调整输出电压。
(2)并联谐振/串联负载逆变器(PRSLI)
图3示出了一个典型的PRSLI结构,该电路实际上是图2电路的一个对称电路,用了一个隔离变压器来代替输出电感,谐振电感Lr与负载串联并向其提供调制电流。当fr , 输 出 阻 抗 为 感 性 , 这 样 , 开 关 的 开 通 时 间 取 决 于 电 路 的 自 然 特 性 , 而 开 关 的 关 断 由 控 制 信 号 决 定 。 例 如 , 只 有 当 开 关 S1两 端 的 电 压 回 到 零 时 , 它 才 能 开 通 。 然 而 , 开 关 S1可 以 在 任 何 时 间 被 控 制 信 号 关 断 , 并 且 由 谐 振 电 容 进 行 续 流 。 在 该 电 路 中 , 由 于 谐 振 电 容 的 作 用 , 开 关 在 零 电 压 (ZVS)条 件 下 开 通 和 关 断 。 由 于 主 开 关 上 的 电 压 是 交 变 的 , 所 以 主 开 关 必 须 具 有 反 向 关 断 能 力 , 如 果 使 用 快 速 开 关 型 的 主 功 率 器 件 (MOSFET和 IGBT等 )时 , 续 流 二 极 管 一 定 要 和 主 开 关 器 件 串 联 以 防 止 反 向 击 穿 。 当 使 用 晶 闸 管 逆 变 桥 时 , 还 要 求 谐 振 电 路 一 定 要 早 于 逆 变 桥 之 前 工 作 , 有 关 文 献 已 给 出 了 这 个 问 题 的 详 细 分 析 。
(3)负载谐振逆变器的一般特性
负载谐振逆变器主要适用于连续负载,谐振发生在整个开关周期。为了缩小输出电压畸变,通过对fs的微小变化而获得较宽的输出电压范围,谐振网络的品质因素Q必须尽可能地高。品质因素Q的定义如下:
(1)
从式(1)中可以看出,当要求品质因素Q较高时,必须使谐振环节的能量储存峰值增大,即谐振元件容量加大。由于谐振元件放置在主功率传输通道上,所以该类型逆变器中的各个元器件都要承受较高的电压和较大的电流。因此,串联谐振逆变器应用的最大功率就受到了一定的限制。但在谐振频率附近,负载谐振逆变器能够提供易于调节的输出电压,这时,负载上的功率因数接近于1,而且功率器件上的电压和电流变化率较小。 [p]
32谐振过渡逆变器
在这种逆变器中,输入总线电压或电流是固定不变的,而软开关条件的实现是通过逆变开关两端的电压和电流谐振而产生的。理想状况下,谐振只发生在开关过渡的瞬间,而且应该使谐振电路在功率传递到负载的过程中吸收的能量达到最小值,当然谐振能量一定要足够大(与负载的变化无关),以满足产生ZVS或ZCS的条件。
这类逆变器包括极谐振电路、谐振吸收电路、准谐振电路和软开关过渡技术的PWM转换(ZVT和ZCT)。
(1)极谐振逆变器(RPI)
极谐振技术的最早应用是在DC/DC变换器中,但后来在DC/AC逆变器中被证明也是一种较方便的方法。这一类逆变器的共同特点是:辅助谐振电路放置在逆变桥上。对于三相逆变器来说,辅助谐振电路由原来的一组变为三组,即每桥臂均配有一组,通过辅助谐振电路,使每一相极点(即每一桥臂上下开关器件连接点)电压产生谐振,从而为开关器件创造了零电压导通条件。
图4给出了一个单相极谐振逆变器(RPI)的原理图。
图4单相RPI电路
工作过程简述如下:
设主开关器件上的电压是Us,谐振电感不断地被极电压Us所充电和放电,且供给负载一个交变的电流,电感Lr和电容Cr的谐振只发生在极电压反向瞬间。
假设S2导通,S1处于关断状态,为了激活RPI工作过程,S2在ZVS处关断,并联谐振电感Lr在两个谐振电容Cr之间进行能量的交换。S1上的电压达到零点时由二极管D1导通,对负载电流进行续流。这时,谐振电感被直流电压充电至Us/2,且S1可在此刻实
图5ARCPI电路
现ZVS导通。事实上,由于谐振过程仅仅只发生在开关周期的极小一部分,这种拓扑结构也被称为准谐振ZVS。
极谐振逆变器发展的最大障碍是开关的冲击电流,这是由于为了给主开关器件创造一个ZVS的条件,必须使电感电流足够大以满足和谐振电容之间的能量交换,由此而引起开关上的电流峰值和有效值至少分别是负载电流的2倍和12倍。所以功率器件的感性损耗可能要比传统意义上的PWM逆变器高出很多,而且导致了过高的元器件成本和过低的开关利用率。
另一方面,对于那些较轻的负载,电感电流还不一定会有效地创造出ZVS条件,使得逆变器的带载能力范围受到了限制。还有,由于谐波电感和负载串联,所以这种结构的逆变器似乎也不适合于电动机的驱动。
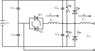
(2)谐振吸收逆变器
谐振吸收逆变器也称为辅助谐振转换极逆变器(ARCPI),其基本结构如图5所示。
在该电路中,对应每一相,都有一个LC的谐振转换环节。谐振转换电路包括谐振电感Lr和并联在每个主开关上的谐振电容Crp/Crn,主开关为自关断器件。其工作原理也非常容易理解:假设负载电感L1远大于谐振电感Lr,那么在主开关换向瞬间,负载电流可以看成是一恒流源,初始状态io为图示方向,开关Sp处于关断,二极管Dn处于续流状态,即主电流io流过Dn。开通V1及Sn,谐振电流iL开始线性增加,当iL到达io时,流过Dn的电流变为零,iL-io的差值流过开关Sn,当iL-io升高室整定值时,关断Sn,谐振开始,在谐振期间,输出电压Uo从零增加,当Uo等于Us时,开关Sp就可以在零电压下开通,同时iL下降为零时,在零电流条件下关断V1。关于这种类型的逆变器的发展和应用请参阅参考文献1。
(3)软开关过渡PWM逆变器(ZVT-PWM、ZCT-PWM):
软开关过渡技术的概念最初的应用出现在AC/DC和DC/DC变换器中,后来才被扩展到DC/AC逆变器中。这种结构综合考虑了PWM技术和软开关技术的优点。在这种模式的逆变器电路结构中,直流总线上的电压/电流是固定不变的,而逆变桥则采用传统的PWM调制方式,增加了一个辅助的谐振电路。
辅助谐振电路只工作在逆变桥开关的切换瞬间,而开关周期的其余时间维持PWM调制的特点。辅助开关的工作过程一定要和PWM控制同步。
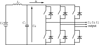
①ZVT-PWM逆变器
其三相电路如图6所示。
当主功率开关零电压/零电流过渡换向的时候,辅助开关Sr导通,经过二极管Dfb把多余的电感能量反馈回直流侧。所有的二极管均在零电流条件下导通或关断,而主功率开关在零电压条件下切换,这样开关损耗将会显著地降低。
ZVT-PWM拓扑结构主功率器件通常选用MOSFET或IGBT。它们的寄生电容将成为谐振网络的一部分。所以这种电路可以工作在很高的开关频率下,除了主功率开关切换过渡的瞬间,这种电路的工作过程和传统意义上的PWM电路完全类似。
显然,谐振电感Lo和逆变桥上电容(C1~C6)之
图6ZVT-PWM逆变器
图7ZCT-PWM逆变器
间的谐振是有源开关获得零电压切换的必备条件。由于所有的有源器件ZVT开关过程都处于PWM操作过程当中,所以相对于传统的PWM电路,这种拓扑电路中的开关顺序就显得比较复杂。
在这种电路结构中,由于负载电感不是逆变器零电压工作的一部分,所以该电路可以用于电动机驱动。
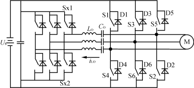
②ZCT-PWM逆变器
其三相电路如图7所示。
该逆变器电路实际上是一种在大功率晶闸管型逆变器中所使用的电流脉冲强迫换流电路的改进。电感Lo和电容Co之间的谐振给逆变桥上的有源开关在零电流条件下的关断提供了一个冲击电流。这就要求强迫给电路中开关上的电压变化峰值要比DC总线上的电压高出很多。为了在ZCS下换向,逆变桥中每个桥臂都需要两个辅助开关,两个续流二极管和一个电阻Rd。当然,这种器件数量的增加无疑使得电路的工作过程变得复杂起来。
ZCT-PWM逆变器优点是:由于所有的有源开关都是在ZCS条件下开通或关断,显著减小了有源开关和所有二极管上的电压/电流变化峰值。另外和电流脉冲强迫换流电路相比,辅助电路谐振中的循环能量将随负载电流的变化而被调整,但并不损耗,所以电流峰值大约只有负载电流的11倍,而且辅助电路中的电感损耗也明显地减少。然而,ZCT-PWM逆变电路也存在着不足之处:逆变桥上的二极管和辅助开关都不是软关断,而是在一定的负载电流下关断,所以关断损耗对该电路来说是一个需要解决的问题。
③一般特性:
对于ZVT-PWM逆变电路,当辅助网络工作时,无论是从直流侧还是从负载侧来看都是一个并联谐振网络,而对于ZCT-PWM逆变电路,却是一个串联谐振网络。这两种电路中逆变桥上的开关都各自独立地在ZVS或ZCS条件下开通或关断。然而在ZVT-PWM逆变电路中,辅助开关和所有的二极管只能在ZCS条件下开通或关断,而在ZCT-PWM逆变电路中,辅助开关和逆变桥上的二极管却都是在一定的负载电流下进行硬关断。另外,在这两种电路中,谐振网络开关的位置和谐振吸收电路的拓扑结构很相似。近年来,对这种逆变器不断探索改进的主要目标是使这种电路的工作特性更接近于传统的PWM电路。 [p]
33谐振环节逆变器
在谐振环节逆变器的电路中,谐振环节位于直流总线上。根据该谐振环节的结构特性和开关模式,此种逆变器又分为以下两种类型:
●谐振交流环节逆变器(RESONANTAC-LINKINVERTER—RACLI)
指的是谐振环节的输出是交流的电压或交流的电流,从而给逆变桥上的开关提供了ZCS或ZVS条件,同时也就要求逆变桥上的开关必须是双向器件。
●谐振直流环节逆变器(RESONANTDC-LINKINVERTER—RDCLI)
指的是谐振环节的输出是直流脉冲,同样可以为逆变桥上的开关提供ZCS或ZVS条件,这时逆变桥上的开关只要求是单向器件。
(1)RACLI电路
图8示出了串联谐振交流环节逆变器(SRACLI)和并联谐振交流环节逆变器(PRACLI)的电路。
在SRACLI电路中,谐振环节输出一个正弦波电流,而在PRACLI电路中,谐振环节输出一个正弦波电压。它们的固定频率:
图8RACLI电路
(a)SRACLI电路(b)PRACLI电路
图9PRDCLI电路
在图8(a)所示SRACLI电路中,一般情况下,为了获得较高的谐振频率,串联谐振环节都选择较小的电感,同时,由于谐振环节的输出是交变的电流,所以逆变桥上的开关必须是双向开关,也可以是大功率的器件,如TRIAC。另外逆变桥工作在循环换流模式,谐振电流每周期两次通过自然零点,而逆变桥上的开关也仅在此时进行换向触发。
在图8(b)所示PRACLI电路中,电感Lr和Cr并联构成一个谐振环节,放置在DC总线和逆变桥之间,为逆变桥提供一个交变的电压,而逆变桥上的开关只在零电压瞬间进行切换。PRACLI电路中的开关同样要求选用双向开关器件以承担交变电压。
这种类型的逆变器基本的调制模式是DPM(DiscretePulseModulation)。这时候,开关控制信号使得主开关在半周期或全周期时刻触发,把谐振环节的高频脉冲传送给输出。输出电压中的脉冲数量取决于谐振环节的频率,输出基波幅值和期望输出频率。
(2)RDCLI电路
谐振直流环节逆变器也分为并联谐振直流环节逆变器(PRDCLI)和串联谐振直流环节逆变器(SRDCLI)。此时,谐振直流环节的输出是一系列的直流脉冲电压或直流脉冲电流。
①PRDCLI电路
图9示出了一个三相PRDCLI电路,由Lr和Cr组成的谐振环节把输入直流电压转换为一系列的高频脉冲直流电压波Ud(t)供给逆变桥,该脉冲电压Ud(t)在过零时就为逆变桥开关提供了一个ZVS条件。
在实际电路中,由于每个谐振周期初始条件的可能变化,使得过零失败或总线电压Ud(t)过压冲击都可能发生。为了使得每个开关周期的初始条件相同,就需要采用一些特殊的控制策略。关键是通过控制电容的初始电流I0来解决过零问题和电压问题,I0应该随输入电感初始电流IL0和逆变桥输入电流Id的变化而变化。
这种类型逆变器基本的调制模式是DPM控制方式(比如δ调制)。DPM控制下的输出频率特性远比PWM波形要差,只有当DPM逆变器的工作频率高于PWM逆变器工作频率几倍时,两者输出波形品质才基本相当,而这一点对于RDCLI电路来说是不难做到的。
RDCLI电路也有不足之处,首先,由于在直流环节上进行电压谐振,使得Ud高达2~3倍的Us,这样一来逆变开关器件所承受的电压应力明显增加,另外,由于谐振电感Lr处于主功率传送通道上,其电阻将消耗很大一部分输入功率,造成逆变器效率降低及Lr发热。为了解决这些问题,各国学者先后推出许多改进电路,其典型电路如下:
●有源箝位谐振直流环节逆变器(ACRDCLI)
其三相电路如衅10所示。
在并联谐振直流环节电路中增加一个辅助开关SC和一个电压吸收箝位电容(电解电容),箝位电容上的电压为(K-1)Us(K称为箝位系数,K=12~14),这种电路能取得较好的箝位电效果。但是,箝位电容的预充电问题和DPM调制方式使它的应用受到了限制。
●准谐振PWM直流环节
准谐振直流环节逆变器的基本思路是在RDCLI电路中增加一个辅助开关,以达到控制谐振过程的目的,让谐振只发生在逆变桥开关换向的瞬间,其余的时间仍然可以采用PWM调制方式。通过控制谐振发生和终止时刻,总线上的辅助谐振网络仅仅当逆变桥需要换向的时候被触发,为逆变桥提供一个“电压凹槽”(一个很短的零电压间隔),在这个“电压凹槽”间隔中,逆变桥开关就可以在零电压条件下换向,可达到限制Ud和降低Lr损耗的目的,以改善逆变器的特性。准谐振PWM直流环节逆变电路存在的最大问题是准谐振只发生在一个很小的脉冲范围内,而不一定
图10ACRDCLI电路
图11SRDCLI电路
能有效地与发生在极短时间间隔内的PWM控制状态相匹配。而近年来对空间矢量PWM调制方式的研究为这一问题的解决提供了一个热点话题。
关于这一部分的详细内容请参阅参考文献4。
图12SQRPWMDCLI电路
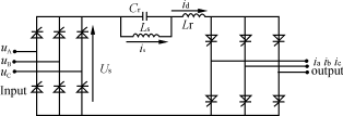
②SRDCLI电路
图11给出了一个三相负载的SRDCLI电路。它实际上是PRDCLI电路的对偶电路,在这种电路中,一个很大的电感Ls给直流母线提供了偏置电流is,一个高频的谐振环节LrCr串入主功率传送通道,它们将会产生一个具有ZCS特征的直流母线电流id。这样,在该电路中就可以使用大功率的晶闸管器件,也就是说这种电路可以应用到较大的功率水平。
在这种电路拓扑结构中,也存在着诸如过高的环节电流峰值和控制的复杂性等问题。以及与图9中PRDCLC电路中存在问题的对偶问题。同时也出现了许多改进的拓扑结构电路。图12串联准谐振PWM直流环节逆变器(SQRPWMDCLI)电路即是其中的有代表性的一个。
由于在SRDCLI电路中谐振电流的峰值有可能达到负载电流的6~7倍,所以在SQRPWMDCLI电路中使用了饱和磁芯的变压器对该峰值进行无源箝位,同时在谐振回路中增加了一个辅助开关Sr和二极管Dr,以控制谐振的发生和结束,从而使该电路能够实现PWM调制技术。
SRDCLⅠ电路的负载一定是容性的,如果负载为感性,则需要在输出端增加电容。另外,由于在SRDCLⅠ电路中的功率开关在ZCS条件下开通和关断,所以它有可能在较高的开关频率下使用诸如晶闸管大功率器件,从而使该电路在大功率/高性能的应用场合,如电机驱动方面极具吸引力。
4结语
本文系统地回顾和简要地分析了软开关技术的发展和一般原理。给出了每种拓扑结构的基本工作原理和一些主要的应用。软开关技术虽然在减小开关损耗,提高功率密度方面有很强的优越性,但也存在着许多诸如开关应力和控制复杂等缺点。这也使它的实际应用还不非常广泛。无论如何,各种各样拓扑结构的出现会在一定程度上解决许多方面的问题并克服许多缺点。还有许多方面的课题有待去探索和解决,并在不久的将来会得到更广泛的应用。
射频工程师养成培训教程套装,助您快速成为一名优秀射频工程师...
天线设计工程师培训课程套装,资深专家授课,让天线设计不再难...
上一篇:隔离式低压/大电流输出DC/DC变换器中几种副边整流电路的比较
下一篇:Buck型变换器数字PID控制器设计方法研究

