- 易迪拓培训,专注于微波、射频、天线设计工程师的培养
DC/DC变换器与DC/AC逆变器连接问题的研究
1概述
随着各种各样的逆变电源的应用越来越广泛,对逆变器的研究也日益深入。目前,应用最多的为输出工频220V的逆变器,它广泛应用在各种不间断电源(UPS)、小型太阳能逆变电源及通讯用逆变电源中。
现在的逆变器一般都带有前级DC/DC变换器,原因包括以下几个方面:
(1)为了达到交流220V的输出,逆变器直流侧输入电压幅值至少为315V。除很少数情况外,一般逆变电源的输入电压都远低于此值。这样,为了达到输入输出电压的匹配,增加一级DC/DC升压电路。
(2)一般电源都要求输入输出电气隔离。一种方法是在交流输出侧采用工频变压器隔离,但这样做增加了电源本身的体积和成本。另一种方法就是增加一级DC/DC隔离变换器。由于采用高频隔离,大大降低了电源的体积和成本。
(3)大多数逆变电源的输入为交流电网。如果采用直接整流滤波的方式,输入功率因数很低。为了提高输入功率因数,逆变器前级需要增加功率因数校正电路。
(4)在一些对输出电压质量要求不是太高的的场合,如家用太阳能、风能逆变电源,为了降低成本,提高可靠性,逆变器本身采用开环控制。为了达到输出稳压的目的,要求逆变器的输入电压是非常稳定的直流电压。这样,逆变器前级必须是闭环控制的DC/DC稳压变换器。
对于直流变换器来说,逆变器是一个特殊的非线性负载,它直接影响前级DC/DC变换器的稳压效果。反过来,又进一步影响到逆变器的交流输出效果。本文针对所研制的小型太阳能、风能逆变电源,研究了两级变换器连接中存在的问题,提出了一种实用的解决方法。
2逆变器的输入特性研究
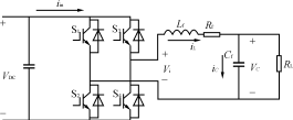
典型的逆变器主电路结构如图1所示。
为了减小输出谐波,逆变器一般都采用双极性SPWM调制,即逆变桥的对管是互补高频开通和关断的。由于后级滤波电感Lf存在,电感电流为输出低频交流电,每半个周波内电感电流iL方向保持不变。这样就造成逆变桥输入电流为高频交变电流,具体如下:当iL为正时,S2、S3导通输入电流iin为正,S1、S4导通输入电流iin为负;当iL为负时,S2、S3导通输入电流iin为负,S1、S4导通输入电流iin为正。各电流波形与驱动脉冲的对应关系如图2所示。
图1典型逆变器电路结构
图2逆变器输入输出电流与驱动脉冲对应图
(a)输出电感电流(b)SPWM波(c)输入电流
由图2可见,逆变器输入电流并不是真正的直流电流,除直流成分外,还含有很大成分的两倍输出频率的交流分量和少量的高频交流分量。如果将DC/DC变换器的输出直接与逆变器相连,则逆变器的这种输入电流的低频和高频交流成分必然会对变换器造成一定的影响:低频交流分量相当于直流变换器在始终突加减载,使其一直处于动态调节过程中;高频交流分量则直接对直流变换器的控制电路造成干扰,影响变换器的正常工作。其结果是造成DC/DC变换器工作不稳定,噪声加重,输出纹波变大,甚至造成电源不能稳压。
为了减小逆变器输入电流对直流电源的影响,可以有以下几种方法:
(1)逆变器采用一个桥臂低频开关,另一个桥臂高频调制的方式。这样,当高频开关管关断时,电感电流通过低频导通管和对应桥臂的反并联二级管续流,电流不会反向流回输入侧。当输出为纯阻性负载时,完全没有负电流流进输入侧,从而减小了输入电流的高频交流分量。一方面,这种方法只能在一定程度上减小逆变器对直流电源的影响,且仅适合于逆变器负载为阻性的情况。当逆变器带感性或容性负载时,由于输出电压电流相位不一致,仍然会有负电流流入输入侧。另一方面,这种调制方式的输出谐波增大,从而加大了后级滤波电路的体积和重量。因此,该方法的实用性不大。
(2)逆变器输入侧并联一个大的电解电容和一个小的高频无感电容。大电解电容可以在一定程度上减小输入电流中的低频交流成分,小无感电容可以很好地滤除输入电流中的高频交流成分。但是,直流电源输出端一般为LC滤波器,逆变器输入侧并联电容相当于增加了直流电源的输出滤波电容,从而改变了其电路参数。当直流电源的控制稳定域不够大时,有可能使直流电源进入不稳定工作区域而引起振荡。
(3)逆变器输入侧串联一LC滤波器。这样,就可以很好地滤除输入电流中的低频交流成分,并可完全消除其中的高频交流成分。同时,由于滤波电感的存在,减小了逆变器输入对直流电源输出参数的影响。
3实验结果
本文针对逆变器输入侧串联LC滤波器的方法,在所研制的小型太阳能、风能逆变电源上进行了实验研究,选用不同L、C参数时DC/DC变换器输出电流、驱动脉冲及输出电压波形如图3所示。
图3(a)(b)(c)(d)示出了不同L、C参数时直流电源的控制脉冲和输出电流。其中(a)为没有LC滤波电路时的实验波形,(b)的滤波参数为L=2mH、C=1100μF,(c)的滤波参数为L=2mH、C=2200μF,(d)的波波参数为L=2mH、C=3300μF。由图可见,当逆变器输入侧不加LC滤波器时,直流电源输出电流大范围波动,造成控制脉冲时有时无。其结果是系统噪声变大,整机效率下降,可靠性降低。随着LC滤波参数的加大,逆变器输入电流的波动逐渐减小,控制脉冲逐渐变得连续,系统噪音变小,效率变高。为了保证逆变器输入电压的稳定,滤波电感不宜加的太大,增大滤波参数适宜加大滤波电容。
图3(e)(f)示出了没有LC滤波电路及有LC滤波电路时直流电源输出电流和输出电压波形。(e)为没有LC滤波电路的情况,(f)为L=2mH、C=3300μF的情况。由图可见,不加LC滤波时,输出电压纹波很大,已经不能满足输出稳压的要求。当加入LC滤波时,输出电压纹波大大减小,成为稳定的直流电源。
图3DC/DC变换器驱动脉冲、输出电流及电压波形对应图
当然,L、C参数如何选取还应根据系统的实际情况而定,包括直流电源对输出电流波动的承受能力及系统成本。
4结语
本文分析了逆变器输入侧电流情况,阐述了逆变器输入电流对与其连接的直流电源可能造成的影响,提出了在逆变器输入侧串联LC滤波器的解决方法。在本文所研制的小型太阳能、风能逆变电源上的实验证明,该方法可以很好地解决逆变器对DC/DC变换器的影响问题。
射频工程师养成培训教程套装,助您快速成为一名优秀射频工程师...
天线设计工程师培训课程套装,资深专家授课,让天线设计不再难...
上一篇:板电源系统可靠性的提高
下一篇:机载计算机电源的小型化设计

