- 易迪拓培训,专注于微波、射频、天线设计工程师的培养
单端有源箝位DC/DC变换器
摘要:单端正激式及反激式变换器的性能,因采用了有源箝位/恢复技术而大大增强。其优点是效率高,对外干扰及器件应力小。本文介绍了两种有源箝位电路拓扑,对电路工作状态进行了分析,对磁化电流和负载电流之间的关系进行了推导。最后,对这种有源箝位的DC/DC变换器的优点,作了归纳。
关键词:功率变换开关电源
1引言
在开关电源里,可把直流电压从一个电平变换到另一个电平。诸如buck电路,boost电路以及buck-boost电路。但是,当要求把相当高的直流电压变换到相当低的直流电压时,常规变换技术的效率较低,特别是当变换器的工作频率在1MHz以上时,开关损耗变得特别大。
图1电路就是常规的buck(正激式)变换器。该变换器在正常工作期间,开关管S1导通,把输入电压和输出电压之差加在电感L1上,使电感L1中的电流增加,并对输入电容CS充电;该电流又送至负载RL上。当开关S1关断时,电感L1极性反向使二极管D1导通,然后,电流流经D1和L1,其幅度是逐渐下降的,直到S1再导通为止,又开始下一个工作周期。
图2为常规的buck瞓oost变换器,它用变压器T把输入及输出电压隔离开来。该变换器可使输出电压的幅值大于或小于其输入电压的幅值。此电路的缺点是开关管电流和二极管电流均比基本的buck或boost变换器的电流大。
本文所介绍的具有有源箝位的DC/DC功率变换器,可以在1MHz以上的开关频率下,以零电压谐振变换来工作。电路中,只需要一个磁芯兼作电感和变压器。通过改变匝比,以获得所需要的电压。对其输出特性的控制和普通的变换器拓扑一样。用零电压谐振变换和变压器隔离技术,对磁芯无特殊要求。该电路控制部分采用脉宽调制技术(PWM),工作频率高,效率也高,且输入输出隔离。
2电路结构说明
图1常规的buck变换器电路
图2常规的buck-boost变换器电路
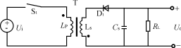
图3为本文重点介绍的具有有源箝位的DC/DC变换器电路。电路中采用了三只开关管S1、S2及S3,变压器T,变压器初级侧和次级侧的滤波电容分别为Ci和Cs。为分析方便,假定电容足够大,电容电压在整个开关周期内为恒定值;变压器初次级绕组的耦合系数为1;开关管是理想的,即无功耗,并且能通过正反任一方向的电流。此外,在分析中,只考虑单输出形式,要输出几种电压,可以增加次级绕组。
通常是用普通的定时电路(未画出)来控制三个开关管的工作。其控制波形如图4所示。在工作时,有源箝位开关S1和同步开关S3由同一信号ug来驱动
图3具有有源箝位的DC/DC变换器
图4图3电路工作波形
图中iLPM的峰峰值为
图5S2导通电路状态
图6S1、S3导通电路状态 [p]
(同时导通,同时截止),如图4(a)波形所示。S2则用相反的信号来驱动。这样,当S1及S3导通时,S2截止,反之亦然。因为假定S1、S2、S3均为理想开关管,即开通与关断是瞬时完成的。实际上,开关时间在30ns~120ns之间,一般采用先关断后开通的波形来驱动。
3电路工作状态分析
图5和图6所示为图3电路的两种工作状态。假定开始时该电路已处于稳态运行,如图5所示,S2导通,变压器初级绕组中的电流增加,给电容CP充电,而输出电流Io完全由电容CS支持着。在图6所示的状态中,S1及S3导通。这就使贮存在电容CP和电感LP中的能量,从变压器初级侧传递到次级侧负载。
S2的工作周期为T,占空比为D,导通间隔为工作周期的一部分,即DT。而S1及S3的导通时间间隔为T-DT=T(1-D)。在周期T内,初级绕组两端电压的平均值为零,即
(Ui-nUo)DT-nUo(1-D)T=0(1)
UiD=nUo(2)
D=nUo/Ui(3)
式中,n是变压器的匝比。式(1)示于图4(b)。同样Cs中的平均电流也为零。当S2导通时,Cs供给负载电流Io。当S1及S3导通时,Cs充电,以补偿S2导通时Cs输出的能量。在理想情况下,可以认为Cs中的电流ICS基本上是矩形,如图4(c)所示。当S2导通时,Cs输入电流ICS和输出端电流Io是幅值相等相位相反的,即
ICS=-Io(4)
在S1和S3导通期间,Cs的输入电流ICS等于次级绕组中的电流Is和输出电流Io之差,即
ICS=Is-Io(5)
因为电容CS上的平均电流为零,则有
-DIo+(1-D)(IS-Io)=0(6)
次级绕组中的电流Is可表示为
Is=Io/(1-D)(7)
在S1及S3导通期间
ICS=Io/(1-D)-Io(8)
=Io·D/(1-D)(9)
将式(3)代入式(9)得
ICS=Io·nUo/(Ui-nUo)(10)
Cs中的输入电流ICS示于图4(c),输出电流Io示于图4(d),Is示于图4(e)。
图7CP与绕组并联电路图
依据线性叠加,变压器初级绕组中的电流由三部分组成:第一部分是磁化电流ILpm,系S2导通时Ui在初级绕组两端所加的电压引起的,它与输出电流无关;第二部分电流是在S1和S3导通期间,次级绕组的电流感应到初级绕组中的电流,用ILP1-3表示;第三部分电流是在S2导通期间,由输入电流ILP2所产生的。
磁化电流由加在初级绕组上的电压、绕组电感、开关周期T及占空比D决定。当S2导通时
(11)
在S2导通期间,峰-峰磁化电流:
(12)
在S1及S3导通期间的峰-峰电流可用同样的方法求出
(13)
在稳态条件下,式(12)与式(13)相等。
在S1和S3导通期间,负载电流在初级侧产生的电流ILP1-3,可借用变压器的匝比关系,把式(7)反射到初级侧即得
(14)
在S2导通期间,负载电流在初级侧产生的电流ILP2可这样来考虑:在S2导通期间,必定有输入电流流通,以支持输出电流,因为输出能量等于输入能量(理想变压器),又因为瞬时功率等于电压和电流之积,由式(3)可得
(15)
整理后得(16)
在S2导通期间,平均负载电流在初级侧产生的电流等于输入电流Ii
(17)
或(18)
初级绕组磁化电流ILPm的波形为三角形,如图4(f)所示。由式(14)及(18)所示的负载电流波形分别示于图4(g)和图4(h),而合成的初级电流波形示于图4(i)。由于初级绕组电感量较大,在整个开关周期内,即使S2关断,ILP2基本上仍保持为恒定值。
如果没有输出电流,磁化电流的平均值为零。因此,当变压器空载时,初级电流为正负峰峰等幅的波形。而获得零电压谐振开关,该磁化电流的峰-峰幅值,必须大于两倍负载电流在初级绕组中所产生的电流。
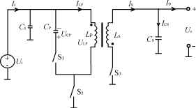
这种串联功率变换拓扑的特点在于:在正激变换电路中,只用了一只磁性元件,该磁性元件起两个作用:一是作为电路中的电感器,二是作为隔离变压器。另外一种类似电路如图7所示。
这种电路结构和工作情况,基本上和图3一样,Cp只有当S1导通时,才能并接到初级绕组。图7电路所产生的波形示于图8。其工作状态分别示于图9和图10。在图9中S2导通,使初级绕组中的电流增加,而输出电流完全由电容CS来提供。在图10中S1和S3导通,CP上的电压Ucp(是在S1及S3断开时,Cp连续充放电所形成的),加在变压器初级绕组上。
图8电路工作波形 [p]
图中iLpm的峰值为
图9S2导通电路状态
图10S1、S2导通电路状态
稳态时,初级电感上的电压在一个开关周期内平均值为零
UiDT+(-nUo)(1-D)T=0(19)
nUo(D-1)+UiD=0(20)
(21)
其波形示于图8(b)。从式(9)和(21),可得
(22)
Ics波形示于图8(c)。输出电流Io波形示于图8(d),而次级电流Is波形示于图8(e)。
在S2导通期间,磁化电流
(23)
磁化电流的峰-峰值:
(24)
同样,在S1和S3导通期间,磁化电流的峰-峰幅值为:
(25)
式(25)的波形示于图8(f)。
式(7)所表示的电流反射到变压器初级侧,就导出式(14)。
在S2导通期间,由负载电流在初级侧所产生的电流,可由式(21)导出
(27)
整理后可得(28)
在整个开关周期内,S2导通期间由负载电流在初级侧所产生的电流等于输入电流Ii
(29)
或(30)
式(30)的波形示于图8(g)。
初级绕组磁化电流ILPm为三角波形,如图8(f)所示。合成的初级电流波形如图8(h)所示。
当输出电流为零时,就和正激变换器的情况一样,初级绕组中只有磁化电流,其平均值为零。图7电路和图3电路不同点是:图3电路在S2关断期间,初级绕组中无磁化电流,而在图7电路中,即使在S2关断期间,CP仍会提供一定的磁化电流。
4结语
图3电路由于采用开关管S1作为有源箝位/恢复器件,使该电路具有如下优点:
(1)为使变压器恢复,不需要附加恢复绕组,或附加有损耗的箝位器件。
(2)占空比比较高,允许输入电压范围宽,或采用较高的匝比。
(3)由于匝比较高,初级上的电流应力和次级侧上的电压应力可大大减轻。
(4)存贮在寄生元件中的能量被传输到谐振槽路元件上,并循环进行,结果使电路效率提高,噪声下降。
(5)由于开关电压被箝位到一个可控制的电平上,器件应力减小了,就可采用低额的开关器件。
(6)可实施零电压开关(ZVS),从而可工作在较高的频率上并获得较高的效率。
(7)在整个输入电压变化范围内,开关管上的电压应力相当恒定,这就为设计者提供了综合考虑的余地。而在其他单端式电路中,由于开关电压应力与输入电压成正比,不具有这个优点。
(8)由于采用了这种有源箝位技术,就有可能在次级侧采用同步开关改善变压器波形。
射频工程师养成培训教程套装,助您快速成为一名优秀射频工程师...

