- 易迪拓培训,专注于微波、射频、天线设计工程师的培养
谐振复位双开关正激变换器的研究
摘要:推荐了一种谐振复位双开关正激型DC/DC变换器。它不仅克服了谐振复位单开关正激变换器开关电压应力大和变换效率低的缺点,而且具有占空比可以大于50%的优点。因此,该变换器可以应用于高输入电压、宽变化范围、高效率要求的场合。对该拓扑的工作原理和特性进行了详细的描述。最后通过实验证实了该拓扑的上述优点。
关键词:谐振复位;双开关;正激变换器
1 概述
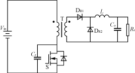
谐振复位单开关正激变换器,如图1所示,是一种结构比较简单、应用十分广泛的DC/DC变换器。它通过谐振电容 C r上的电压对变压器进行复位,该复位电压可以大于输入电压,因此,该变换器的占空比可以大于50%,适合于宽输入范围的场合。但和通常的单开关正激变换器一样,它的开关电压应力比较大,是输入电压的2倍左右,用于较高输入电压的场合有一定的困难。另外,每次开关S开通之前, C r上电压为输入电压,在S开通时,不仅将S的寄生电容上的能量 C oss V in2/2消耗在开关上,同时也将 C r上的能量 C r V in2/2消耗在S上。而 C r又是外并的谐振电容,其值可能远远大于开关的寄生电容,所以,可以认为该变换器的等效开关损耗大大增加,效率将会受到严重影响。
图1 谐振复位单开关正激变换器
Fig.1 Resonant reset single switch forward converter
双开关正激变换器克服了主开关电压应力大的缺点,它每个开关的电压应力等于输入电压,是单开关正激的一半左右,适用于高压输入场合。而且双开关正激变换器是利用输入电压给变压器进行复位,结构上也比较简单,激磁能量和漏感能量回馈到输入侧,转换效率比较高。因此,这种双开关正激DC/DC拓扑被广泛地应用于工业界,不仅仅是高压输入场合。但是,这种双开关正激变换器有它的突出缺点,即只能工作在占空比小于50%的状态,所以,不适合用在变换范围非常宽的场合。
本文推荐了一种谐振复位双开关正激变换器,它综合了单开关谐振正激和双开关正激的优点,不仅可以工作在占空比大于50%的状态,而且又采用双开关结构,大大减小了开关的电压应力。因此,该变换器适用于高电压输入、宽变化范围的场合。
2 工作原理
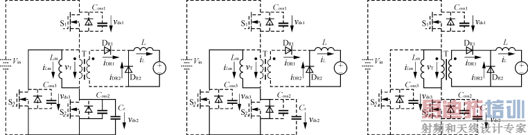
谐振复位双开关正激变换器的电路如图2所示。图2中 C oss1, C oss2, C oss3分别为开关S1,S2,S3的寄生输出电容, C r为谐振电容,它并联在S2的漏源极之间,因 C r远大于开关管的寄生电容,所以 C oss2可以忽略。 L m为激磁电感。为简化分析,输出电容 C o被认为无穷大而以恒压源 V o代替,并假定电路已经进入稳态。
图2 谐振复位双开关正激变换器
Fig.2 Resonant reset dual switch forward converter
该变换器的一个开关周期可以分为6个工作阶段,分别如图3的6个等效电路所示。相应的工作波形如图4所示,其中 t 1- t 3为死区时间 t d1, t 5- t 6为死区时间 t d2,这些时间实际上非常短,在图中为了更清楚地表述,将他们画得比较大。6个工作阶段的工作原理分别描述如下。
1)阶段1〔 t 0, t 1〕 如图3(a)和图4所示,该阶段S1和S2同时导通,加在变压器原边上的电压为输入电压 V in,激磁电流线性上升。同时副边整流二极管DR1导通,续流二极管DR2截止,电感 L 上的电流 i L线性上升。
2)阶段2〔 t 1, t 2〕 t 1时刻,如图3(b)和图4所示,S1和S2同时关断,折算到原边的负载电流和激磁电流一起对 C oss1充电,使 C oss3放电, C oss3上的电压 v ds3迅速下降。由于谐振电容 C r较大,在这么短的时间内 C r上的电压几乎没有上升,近似为零。因此 v T就近似等于 v ds3,也迅速下降。但此阶段变压器上的电压 v T仍为正,所以副边DR1仍导通。
3)阶段3〔 t 2, t 3〕 t 2时刻 v T下降到零时,副边二极管DR1就截止,DR2导通, i L通过DR2续流,在输出电压 V o的作用下线性下降。在原边,激磁电感 L m和谐振电容 C r谐振,在 C r上产生的谐振电压按正弦变化上升,该谐振电压同时对变压器进行复位,谐振电流流过S3的体二极管,如图3(c)和图4所示。
4)阶段4〔 t 3, t 4〕 t 3时刻,S3的门极驱动信号 v gs3变高,S3在零电压条件下开通, L m和 C r继续谐振, C r上的正弦谐振电压继续对变压器进行复位,谐振电流流过S3,如图3(d)和图4所示。
5)阶段5〔 t 4, t 5〕 如图3(e)和图4所示, C r上的电压谐振到零后,激磁电流就流经S2的体二极管,而S3仍然导通,这时变压器原边的电压为零,激磁电流保持不变。副边仍然是DR1截止,DR2导通,电感电流继续下降。
6)阶段6〔 t 5, t 6〕 如图3(f)和图4所示,S3在 t 5时刻关断,激磁电流对 C oss3进行充电, v ds3一大于零,副边整流二极管DR1就导通,激磁电流流向变压器副边,但它不足以维持负载电流,所以续流二极管仍然导通。由于DR1及DR2都导通,变压器上的电压被箝在零,激磁电流保持不变。而开关S1上的电压被箝在 V in,S2上的电压则为零。
(a)Stagel[ t 0, t 1] (b)Stage2[ t 1, t 2] (c)Stage3[ t 2, t 3]
(d)Stage4[ t 3, t 4] (e)Stage5[ t 4, t 5] (f)Stage6[ t 5, t 6]
图3 各阶段等效电路
图4 主要工作波形 [p]
t 6时刻,S1及S2同时开通,其中S2是零电压开通,而 C oss1上的电荷通过S1迅速放完,电路进入到下一开关周期的阶段1,负载电流流过DR1。
由以上分析可以看到,开关S1及S3的电压应力均为输入电压 V in,而S2的电压应力则是复位电压。
3 特性分析
根据以上的分析可以看出,S1及S3为一对互补开关,两者寄生输出电容上的电压 v ds1与 v ds3之和等于输入电压 V in。因此,当其中 v ds1(或 v ds3)等于零时, v ds3(或 v ds1)就等于 V in,可见开关S1及S3的电压应力均为输入电压。
开关S2的源漏间并联了谐振电容 C r,其值远大于S2的寄生输出电容 C oss2,所以, C r上的电压就是S2所要承受的电压。在S1及S2关断后,激磁电感 L m和谐振电容 C r开始谐振,在 C r上产生一正弦电压对变压器进行磁复位。因此,开关S2的电压应力就是该复位电压的峰值。
可见,该变换器的开关电压应力和单开关正激变换器相比要小得多。
该变换器的另一优点是可以工作在占空比大于50%的状态下。如图4所示,当主开关S1及S2同时导通,辅助开关S3截止时,加在变压器原边的电压为正,大小等于输入电压。当主开关S1及S2同时截止,辅助开关S3导通时, L m和 C r谐振在 C r上产生的电压对变压器进行磁复位。通过选择较小的 C r值,该复位电压可以大于输入电压,使得变压器的复位时间小于正向导通时间,从而得到一个大于50%的占空比。这样的好处是既可以减小变换器一次侧的导通损耗,又可以减小二次侧整流二极管的电压应力。
此外,由于 C r上的电压谐振到零之后,主开关S2才开通,所以谐振电容不会带来额外的损耗,相反使得S2实现了零电压开通,其本身的开关损耗也大大下降了。而S3在导通之前是体二极管导通,即S3也是零电压开通的,开关损耗大大减小。因此,该变换器的转换效率要比单开关谐振复位正激变换器高得多。
4 实验结果
一台采用谐振复位双开关正激DC/DC变换器拓扑的实验样机,验证了该拓扑的工作原理和特性。该样机的规格和主要参数如下:
输入电压 V in 250V~400V;
输出电压 V o 54V;
输出电流 I o 0~5A;
工作频率 f 70kHz;
主开关S1及S2 STP11NM60;
辅助开关S3 IRF830;
整流二极管DR1 HER1604PT;
续流二极管DR2 B20200;
变压器 T n =40∶20, L m=3mH, L s=15μH;
滤波电感 L 1 30μH;
谐振电容 C r 200pF。
图5是输出4A时的主要实验波形。其中图5(a)是输入电压为250V时,变压器原边的电压波形,可以看出占空比为53%左右,证明该变换器可以工作在占空比大于50%的状态。图5(b)是输入等于400V时,主开关S1门极驱动电压和漏源间的电压波形,其中漏源电压正向平台为400V,正好等于输入电压。图5(c)是输入等于400V时,主开关S2门极驱动电压和漏源间的电压波形,其中漏源电压按正弦变化,其峰值为460V左右,该电压对变压器进行复位。同时从图中可以看出在门极电压变高之前, v ds2已经谐振到零,S2是零电压开通的。图5(d)是输入等于400V时,辅助开关S3门极驱动电压和漏源间的电压波形,其中源漏电压正向平台也为400V。
图6给出了该变换器在不同输入电压,不同负载电流下的转换效率。最高效率达到了95.3%。
(a) v T( V in=250V) [p]
(b) v gs1 and v ds1( V in=400V)
(c) v gs2 and v ds2( V in=400V)
(d) v gs3 and v ds3(Vin=400V)
图5 实验波形
图6 不同负载电流下的效率曲线
5 结语
本文提出的谐振复位双开关正激变换器,既继承了谐振复位单开关正激变换器占空比可以大于50%的优点,又发挥了双开关结构的优势,使得两个主开关S1及S2的电压应力分别为输入电压和复位电压,而辅助开关S3的电压应力为输入电压,从而大大减小了开关的电压应力。另外,该变换器的开关S2与S3都实现了ZVS,大大提高了变换器的转换效率。因此,所推荐的谐振复位双开关正激变换器可以用于高电压输入、宽变化范围、高效率要求的场合。
射频工程师养成培训教程套装,助您快速成为一名优秀射频工程师...

